

作品包括:
说明书一份,41页,约19000字
CAD版本图纸,共3张
太阳能蓄电池充放电控制器的设计
摘 要:本文首先对太阳能光伏发电系统的组成和工作原理进行分析说明,其次分析说明蓄电池充放电原理,然后对太阳能蓄电池充放电控制器原理进行分析说明,最后设计充放电控制器,基于AT89C52单片机的智能电路,采集蓄电池两端电压,通过单片机内编写的程序判断,由驱动电路对蓄电池的过充、过放采取保护措施,实现了对太阳能蓄电池充放电的合理控制。
关键词:光伏发电;蓄电池;充放电控制;AT89C52
目 录
摘要……………………………………………………………………………1
关键词…………………………………………………………………………1
1 前言……………………………………………………………………………1
1.1 国外太阳能光伏发电现状和趋势………………………………………2
1.2 国内太阳能光伏发电现状和趋势………………………………………3
2 太阳能发电系统研究分析………………………………………………………4
2.1 太阳能发电系统的构成…………………………………………………4
2.2 太阳能发电系统的工作原理……………………………………………4
3 光伏电池的研究分析……………………………………………………………6
3.1 太阳能光伏发电原理分析………………………………………………6
3.2 光伏电池等效电路分……………………………………………………6
3.3 光伏电池主要性能参数…………………………………………………7
3.4 光照强度和温度对光伏电池的影响……………………………………9
4 蓄电池充放电研究分析…………………………………………………………11
4.1 蓄电池充放电工作原理分析……………………………………………11
4.2 蓄电池主要参数指标……………………………………………………12
4.3 蓄电池充放电方法分析…………………………………………………13
5 太阳能蓄电池充放电控制器原理分析…………………………………………16
6 太阳能蓄电池充放电控制器硬件电路的设计…………………………………17
6.1 充放电控制器系统结构设计……………………………………………17
6.2 太阳能蓄电池充放电电路设……………………………………………18
6.3 A/D转换电路的设计…………………………………………………21
6.4 AT89C52单片机的介绍………………………………………………25
6.5 显示电路的设计………………………………………………………27
6.6 驱动电路的设计…………………………………………………………30
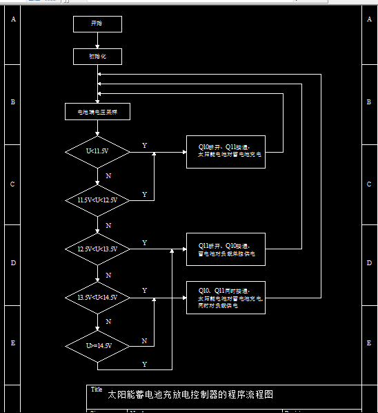
7 太阳能蓄电池充放电控制器软件的设计……………………………………32
8 结论……………………………………………………………………………33
参考文献 …………………………………………………………………………33
致谢…………………………………………………………………………………35
附录…………………………………………………………………………………35
温馨提示:
1、题目前面的备注【字母数字编号】为本站整理分类的编号,与课题内容无关,请选题时忽视;
2、若题目上备注三维,则表示文件里包含三维源文件,由于三维组成零件数量较多,为保证预览截图的简洁性,本站将三维文件夹进行了打包。三维及CAD预览截图,均为本站电脑打开软件进行截图的,保证能够打开,下载原件超高清,下载后解压即可;
3、本站所有资源如无特殊说明,都需要本地电脑安装Office2007。图纸软件为AutoCAD,PROE,UG,SolidWorks,CATIA等;
4、本站所有图文资料仅供用户学习参考,不作为任何商用或其他用途;
5、本站不保证下载资源的准确性、安全性和完整性, 不包修改,不支持退换,同时也不承担用户因使用这些下载资源对自己和他人造成任何形式的伤害或损失;
6、 下载文件中如有侵权或不适当内容,请与我们联系,我们立即纠正。