

作品包括:
说明书一份,44页,20000字左右.
任务书一份
开题报告一份
CAD版本图纸,共13张:
摘 要
近年来,随着社会的发展,楼层越来越高,使用玻璃幕墙的楼房也越来越多,避免清洗时一个很重要的问题,传统的方式多数为人工,或者是采用电缆从楼顶将机器人吊下,工作效率偏低,危险性高,于是清洗用爬壁机器人应运而生,本文的任务就是设计一种能够在壁面上吸附行走的清洗机器人。
本文在简单介绍清洗机器人的国内外研究现状的基础上,基于二维软件CAD对四轮式风压吸附清洗机器人的本体机构进行了设计,对一些关键部分进行了设计计算及校核计算,重点是爬壁机器人的移动结构、吸附结构和驱动系统的设计计算。
本文设计的清洗机器人采用四轮式小车形状结构,结构简单;采用风压吸附方式,利用螺旋桨对空气的压缩所产生的压力将机器人压在物体表面,避免了清晰机器人对壁面的局限,降低了控制难度;清洗机主要由伺服悬吊系统、清洗主机和由计算机控制系统组成;采用无人化清洗,自动清洗,自动供水,自动供清洗液,单片机系统控制,操作人员只需通过键盘即可操纵清洗机工作,而且在清洗过程中,清洗机能够自动进行边缘识别,可根据建筑楼层的具体情况选择为纵洗或横洗;采用后轮驱动,一个电机驱动两个后轮,后轮带动前轮完成机器人的行走,使用直齿圆柱齿轮传动装置作为减速器;采用楼顶供电;机器人可以在水平面或者垂直表面直线行走。本机的清洗效率较高,清洗效果良好。
关键词:清洗机器人;减速器设计;风压吸附;单片机控制;齿轮机构;电机控制;刷洗;
目 录
摘要………………………………………………………………………………………Ⅰ
Abstract ………………………………………………………………………………Ⅱ
第1章 绪论………………………………………………………………………………1
1.1 课题研究的目的和意义…………………………………………………………1
1.2 课题研究现状及分析……………………………………………………………1
1.2.1 国外壁面清洗机器人研究现状……………………………………………1
1.2.2 国内壁面清洗机器人研究现状……………………………………………2
1.3 高层建筑外墙清洗机发展趋势…………………………………………………4
1.4 课题的研究设想…………………………………………………………………4
第2章 清洗机器人总体方案设计…………………………………………………5
2.1 对楼顶楼面的实际考察…………………………………………………………5
2.1.1楼面结构考察……………………………………………………………5
2.1.2 楼顶的实际考察……………………………………………………………5
2.2 清洗机器人的总体方案…………………………………………………………6
2.3 清洗机器人清洗系统方案………………………………………………………7
2.4 清洗机器人爬壁系统方案………………………………………………………8
2.5 清洗机器人控制系统方案………………………………………………………8
2.5.1设计的基本原则……………………………………………………………8
2.5.2可供选择的设计方案………………………………………………………8
2.5.3方案的分析…………………………………………………………………8
2.6 其它部分方案……………………………………………………………………9
2.6.1材料选择……………………………………………………………………9
2.6.2 轮的润滑问题………………………………………………………………9
2.6.3 轴承的润滑问题……………………………………………………………9
2.7 本章小结…………………………………………………………………………9
第3章 清洗机器人清洗系统设计…………………………………………………10
3.1 清洗机器刷洗部分设计…………………………………………………………10
3.1.1 盘刷设计……………………………………………………………………10
3.1.2 滚刷设计……………………………………………………………………11
3.1.3刷洗部分所用弹簧的设计…………………………………………………11
3.2 内空心轴设计……………………………………………………………………12
3.3 清洗机主机滚轮的设计计算……………………………………………………13
3.4 主机上传感器及行程开关的选择………………………………………………13
3.5复合缆的结构设计………………………………………………………………14
3.6 本章小结…………………………………………………………………………14
第4章 清洗机器人风压系统设计…………………………………………………15
4.1 采用风压的意义…………………………………………………………………15
4.2 基本原理…………………………………………………………………………15
4.3 气动计算的原始数据与技术要求………………………………………………15
4.4 风压部分力学计算………………………………………………………………16
4.5 本章小结…………………………………………………………………………16
第5章 清洗机器人主要零件设计…………………………………………………18
5.1 直齿轮副的设计计算……………………………………………………………18
5.1.1 齿轮的设计计算及强度校核………………………………………………18
5.1.2 齿面接触疲劳强度计算…………………………………………………20
5.1.3 齿根抗弯疲劳强度验算……………………………………………………21
5.1.4 齿面静强度计算……………………………………………………………22
5.1.5 齿根(抗弯)静强度验算…………………………………………………23
5.2 锥齿轮副的设计计算……………………………………………………………24
5.2.1 基础尺寸确定……………………………………………………………24
5.2.2 确定载荷系数K…………………………………………………………25
5.2.3 齿面接触疲劳强度计算…………………………………………………25
5.2.4 齿根抗弯疲劳强度计算…………………………………………………26
5.3 本章小结…………………………………………………………………………26
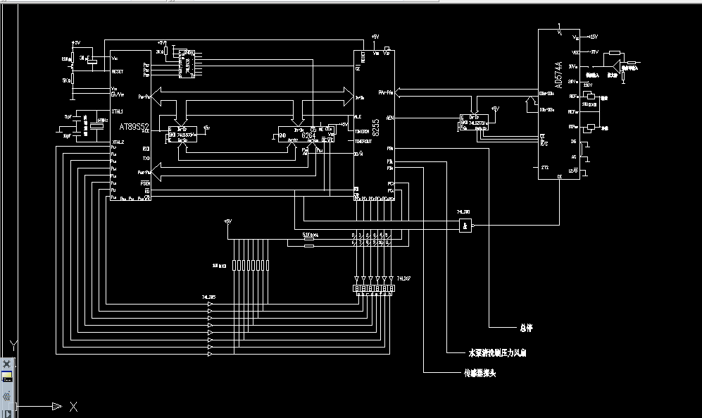
第6章 清洗机器人控制系统设计…………………………………………………28
6.1 控制部分的基本组成……………………………………………………………28
6.2 控制部分工作原理………………………………………………………………29
6.3 驱动部分工作原理………………………………………………………………30
6.4 控制软件的实现…………………………………………………………………30
6.4.1 主机+POD组合……………………………………………………………30
6.4.2 双平台………………………………………………………………………31
6.5 软件的结构………………………………………………………………………31
6.5.1 软件的主体结构……………………………………………………………31
6.5.2 软件功能模块的划分………………………………………………………31
6.6 控制系统软件程序的实现………………………………………………………32
6.6.1 伺服悬吊系统部分………………………………………………………32
6.6.2 清洗机主机部分…………………………………………………………32
6.7 本章小结…………………………………………………………………………33
结论………………………………………………………………………………………34
参考文献 ………………………………………………………………………………35
致谢………………………………………………………………………………………37
附录………………………………………………………………………………………38
温馨提示:
1、题目前面的备注【字母数字编号】为本站整理分类的编号,与课题内容无关,请选题时忽视;
2、若题目上备注三维,则表示文件里包含三维源文件,由于三维组成零件数量较多,为保证预览截图的简洁性,本站将三维文件夹进行了打包。三维及CAD预览截图,均为本站电脑打开软件进行截图的,保证能够打开,下载原件超高清,下载后解压即可;
3、本站所有资源如无特殊说明,都需要本地电脑安装Office2007。图纸软件为AutoCAD,PROE,UG,SolidWorks,CATIA等;
4、本站所有图文资料仅供用户学习参考,不作为任何商用或其他用途;
5、本站不保证下载资源的准确性、安全性和完整性, 不包修改,不支持退换,同时也不承担用户因使用这些下载资源对自己和他人造成任何形式的伤害或损失;
6、 下载文件中如有侵权或不适当内容,请与我们联系,我们立即纠正。