

作品包括:
说明书一份,27页,7800字左右.
工艺过程卡一套,共7张
CAD版本图纸,共7张:
目录
第一章 绪论 1
1.1现代制造技术和工艺 1
1.2现代机械工业的生产特点 1
1.3夹具及其作用 2
1.4现代机床夹具的发展方向 2
1.5本课题的任务和主要内容 4
第二章 回转盘的结构功用分析 5
2.1零件的作用 5
2.2零件的工艺分析 5
2.3回转盘的生产纲领 5
第三章 工艺规程设计 8
3.1定位基准的选择 8
3.2零件表面加工方法的选择 8
3.3加工顺序的安排 9
3.4选择加工设备及刀具,夹具,量具 11
3.5加工工序设计 11
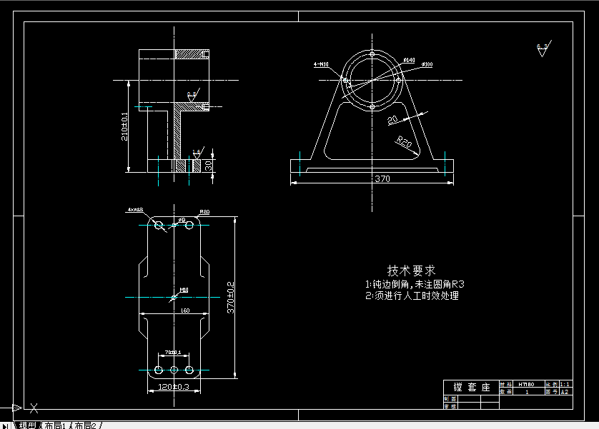
第四章 夹具设计 23
4.1总体设计方案的拟定 23
4.2夹紧机构 23
4.3精度的分析 23
4.4镗模零件的选择 23
4.5夹具体设计 24
4.6镗杆结构及其设计参数 24
实习总结 25
参考文献
温馨提示:
1、题目前面的备注【字母数字编号】为本站整理分类的编号,与课题内容无关,请选题时忽视;
2、若题目上备注三维,则表示文件里包含三维源文件,由于三维组成零件数量较多,为保证预览截图的简洁性,本站将三维文件夹进行了打包。三维及CAD预览截图,均为本站电脑打开软件进行截图的,保证能够打开,下载原件超高清,下载后解压即可;
3、本站所有资源如无特殊说明,都需要本地电脑安装Office2007。图纸软件为AutoCAD,PROE,UG,SolidWorks,CATIA等;
4、本站所有图文资料仅供用户学习参考,不作为任何商用或其他用途;
5、本站不保证下载资源的准确性、安全性和完整性, 不包修改,不支持退换,同时也不承担用户因使用这些下载资源对自己和他人造成任何形式的伤害或损失;
6、 下载文件中如有侵权或不适当内容,请与我们联系,我们立即纠正。