欢迎来到龙图网在线图文分享平台-CAD图纸,设计说明书,工业设计3D模型,三维软件下载!   客服QQ:2363701252
热搜:

工艺夹具 模具设计 数控编程 土木工程 3D模型

C206-叉类注塑模设计-以小型糕点叉为例[含UG三维图] 下载积分:50 资料编号: C206

1.打开支付宝或者微信扫描二维码。
2.填写金额:50 
3.添加备注,填写资料编号:
资料编号: C206
4.支付成功后,请发资料编号到邮箱:jxsj168@qq.com
会有专人在15分钟内把资料发到您邮箱
备注:如果付款忘记填写资料编号,则发邮件时附带您的交易明细截图即可。
请耐心等待,如超过30分钟还没收到,请联系客服QQ:2363701252
点击分享:

作品描述

作品包括:

Word版说明书1份,共27页,约9100字

CAD版本图纸,共13张

UG三维图一份


摘要

注射成型是材料成型的一部分,是塑料产品的成型中的一种及其重要的方法。注塑成型模具设计的好坏,决定着注塑成型


制件的质量优劣及成品率高低,也就是说,是否能加工出优质价廉的塑料制件,在很大程度上要靠注塑成型模具设计的合理


性和先进性来保证.

本设计通过塑料成型工艺,塑料模具设计的正确分析。在设计模具决定之前,应该综合考虑因素有,模板,前模,后模


,后模块等。此外还有塑料成型件直接接触的型腔与型芯,在一定温度下熔化在高温和压力下,所以必须有一个合理的


结构,强度和刚度,耐磨性和正确的几何形状,尺寸精度高,表面粗糙度低。并设置合理的塑件的工艺参数。

本设计是以叉类设计模型,结合相关的理论知识,设计一套理论上可以进行生产的叉类的模具。最后设计成果以一套CAD


电子图档和设计说明书的形式呈现。

关键词注塑、模具设计、型腔型芯


目录

摘要 I

目录 II

一绪论 1

1.1本次毕业设计研究目的及意义 3

二塑件分析 4

2.1 塑件分析 4

2.1.1 塑件的三维图和cad二维图 4

2.1.2 塑料名称 4

2.1.3 生产纲领 4

2.1.4 塑件分析 4

2.2 塑件结构分析 4

2.2.1 开模方向 4

2.2.2 脱模斜度 4

2.2.3 分型面 5

2.2.4 收缩率 5

2.2.5 零件壁厚 5

2.2.6 圆角 5

2.3 塑件体积及质量 5

三 注射机的选择及校核 8

3.1 注射机的选择 8

3.2 型腔数目的确定及校核 10

3.3 锁模力的校核 10

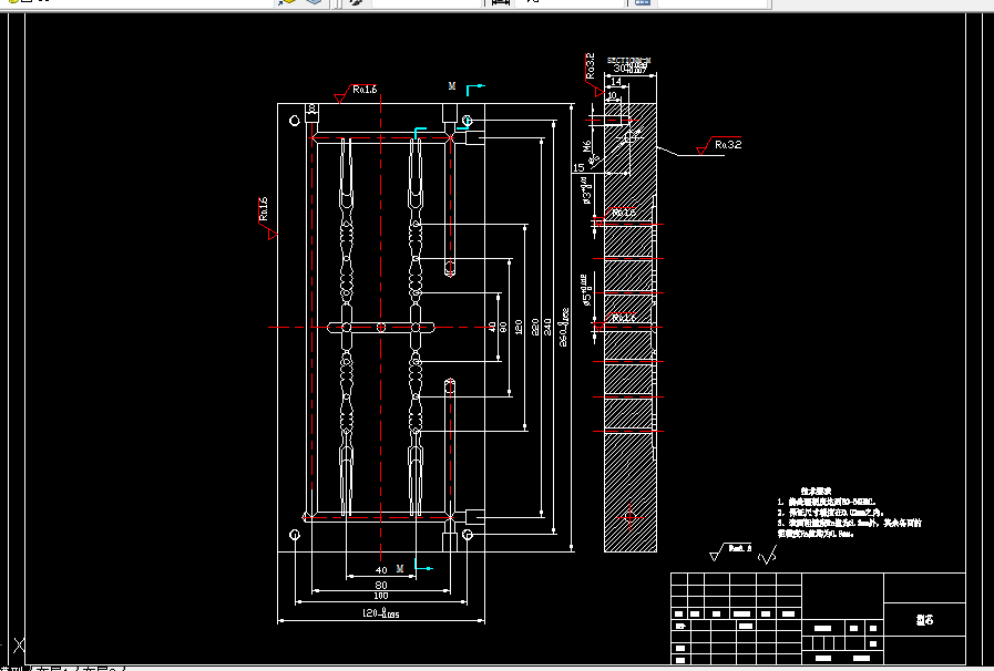
四 浇注系统的设计 12

4.1 分型面的选择 12

4.2 主流道的设计 13

4.3 浇口设计 14

4.3.1 浇口剪切速率的校核 15

4.4 冷料穴和拉杆的设计 15

4.5成型零件的的尺寸计算 20

五推出机构的设计 20

六 合模导向机构设计 22

七 温度调节系统设计 23

7.1 对温度调节系统的要求 23

7.2 设计原则 23

7.3塑料熔体释放的热量 24

7.4高温喷嘴向模具的接触传热 25

7.5注射模通过自然冷却传导走的热量 25

7.6冷却系统的计算 26

7.7凹模冷却系统的计算 27

八 模具工作原理说明 30

结论与展望 31

致谢 32

参考文献 33

温馨提示:

1、题目前面的备注【字母数字编号】为本站整理分类的编号,与课题内容无关,请选题时忽视;

2、若题目上备注三维,则表示文件里包含三维源文件,由于三维组成零件数量较多,为保证预览截图的简洁性,本站将三维文件夹进行了打包。三维及CAD预览截图,均为本站电脑打开软件进行截图的,保证能够打开,下载原件超高清,下载后解压即可;

3、本站所有资源如无特殊说明,都需要本地电脑安装Office2007。图纸软件为AutoCAD,PROE,UG,SolidWorks,CATIA等;

4、本站所有图文资料仅供用户学习参考,不作为任何商用或其他用途;
5、本站不保证下载资源的准确性、安全性和完整性, 不包修改,不支持退换,同时也不承担用户因使用这些下载资源对自己和他人造成任何形式的伤害或损失;

6、 下载文件中如有侵权或不适当内容,请与我们联系,我们立即纠正。


线