欢迎来到龙图网在线图文分享平台-CAD图纸,设计说明书,工业设计3D模型,三维软件下载!   客服QQ:2363701252
热搜:

工艺夹具 模具设计 数控编程 土木工程 3D模型

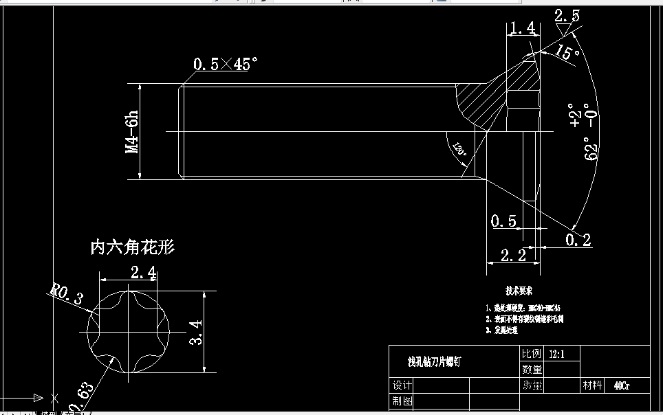
C234-钻孔倒角复合刀具的设计及工艺编制 下载积分:50 资料编号: C234

1.打开支付宝或者微信扫描二维码。
2.填写金额:50 
3.添加备注,填写资料编号:
资料编号: C234
4.支付成功后,请发资料编号到邮箱:jxsj168@qq.com
会有专人在15分钟内把资料发到您邮箱
备注:如果付款忘记填写资料编号,则发邮件时附带您的交易明细截图即可。
请耐心等待,如超过30分钟还没收到,请联系客服QQ:2363701252
点击分享:

作品描述

作品包括:

Word版说明书1份,共30页,约11000字

CAD版本图纸,共5张


摘要: 本设计以可转位钻孔倒角复合刀具为例,分别进行工艺方案分析,机床的选择,最终形成可以指导生产的工艺文件。在整个工艺过程的设计过程中,要通过分析,确定最佳的工艺方案,使得零件的加工成本最低,合理的选用定位夹紧方式,使得零件加工方便、定位精准、刚性好,合理选用刀具和切削用量,使得零件的加工在保证零件精度的情况下,尽可能达到加工效率最高、刀具消耗最低的目的。最终形成完整的工艺文件,并能指导实际生产。

关键词:  可转位   钻孔  加工工艺   

 

目录

1 前言 1

1.1硬质合金可转位复合刀具简介 1

1.2 可转位硬质合金刀具的优缺点 2

1.3可转位刀具特点和发展方向 2

1.4本课题的意义 3

2.机械加工工艺设计 4

2.1 零件图及分析 4

2.2 零件图分析 4

2.3 毛坯的选择 4

2.3.1 毛坯的种类 4

2.3.2选择毛坯的原则 5

3 尺寸精度 6

4 刀体加工工艺规程的选择与制定 7

4.1 加工工艺的基本概念 7

4.2 定位基准的选择 7

4.3 加工余量的确定 8

4.4 机械加工工艺路线的拟定 9

4.5刀体工艺计算 10

4.5.1粗精车各部工序加工计算 11

4.5.2 粗精铣沟槽平面 12

4.5.3 钻进水孔 13

4.5.4铣柄部削平 14

4.5.5 钻出水孔 15

4.5.6 钻铰螺孔 16

4.5.7磨刃部和柄部 16

4.5.8 β角的计算方法 18

5.使用说明 19

5.1产品说明 19

5.2使用范围 19

5.3冷却液 19

5.4装卡 20

结论 21

参考文献 22

致谢 23

附录 24

温馨提示:

1、题目前面的备注【字母数字编号】为本站整理分类的编号,与课题内容无关,请选题时忽视;

2、若题目上备注三维,则表示文件里包含三维源文件,由于三维组成零件数量较多,为保证预览截图的简洁性,本站将三维文件夹进行了打包。三维及CAD预览截图,均为本站电脑打开软件进行截图的,保证能够打开,下载原件超高清,下载后解压即可;

3、本站所有资源如无特殊说明,都需要本地电脑安装Office2007。图纸软件为AutoCAD,PROE,UG,SolidWorks,CATIA等;

4、本站所有图文资料仅供用户学习参考,不作为任何商用或其他用途;
5、本站不保证下载资源的准确性、安全性和完整性, 不包修改,不支持退换,同时也不承担用户因使用这些下载资源对自己和他人造成任何形式的伤害或损失;

6、 下载文件中如有侵权或不适当内容,请与我们联系,我们立即纠正。


线