

作品包括:
Word版设计说明书1份
CAD版本图纸,共6张
UG三维塑件图1张
摘要
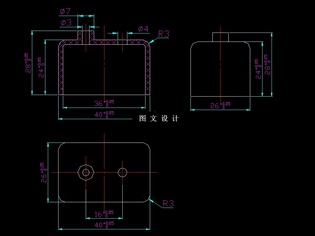
此设计为方罩壳注塑模具设计(17100),采用一模二腔,侧浇注口进行填充,提供三维(UG格式)+二维装配图1张及主要零件图5张+设计报告文档( 文档约1.0W字 27页)。确定所需的模塑成型方案、制品的后加工、分型面的选择、型腔的数目选定为一模二腔,将他们上下平均排列、还对成型零件的结构等进行了分析。脱模机构采用了6支4mm圆柱推杆做为顶出脱模。
温馨提示:
1、题目前面的备注【字母数字编号】为本站整理分类的编号,与课题内容无关,请选题时忽视;
2、若题目上备注三维,则表示文件里包含三维源文件,由于三维组成零件数量较多,为保证预览截图的简洁性,本站将三维文件夹进行了打包。三维及CAD预览截图,均为本站电脑打开软件进行截图的,保证能够打开,下载原件超高清,下载后解压即可;
3、本站所有资源如无特殊说明,都需要本地电脑安装Office2007。图纸软件为AutoCAD,PROE,UG,SolidWorks,CATIA等;
4、本站所有图文资料仅供用户学习参考,不作为任何商用或其他用途;
5、本站不保证下载资源的准确性、安全性和完整性, 不包修改,不支持退换,同时也不承担用户因使用这些下载资源对自己和他人造成任何形式的伤害或损失;
6、 下载文件中如有侵权或不适当内容,请与我们联系,我们立即纠正。