

作品包括:
Word版说明书1份,共35页,约13000字
工序卡9张
工艺过程卡1张
CAD版本图纸,共8张

目 录
序 言 1
1.1引言 2
1.2机械加工工艺规程的作用 2
1.3研究方法及技术路线 3
1.4课题背景及发展趋势 4
第2章 零件的分析 6
2.1零件的作用 6
2.2零件的分析 6
第3章 工艺规程设计 7
3.1 确定毛坯制造形式 7
3.2基面的选择 7
3.2.2精基准选择的原则 7
3.3选择加工方法 8
3.4划分加工阶段 8
3.5确定工序顺序 9
3.6机械加工余量的确定 10
3.7制订工艺路线 10
5.4 确定切削用量以及时间定额 11
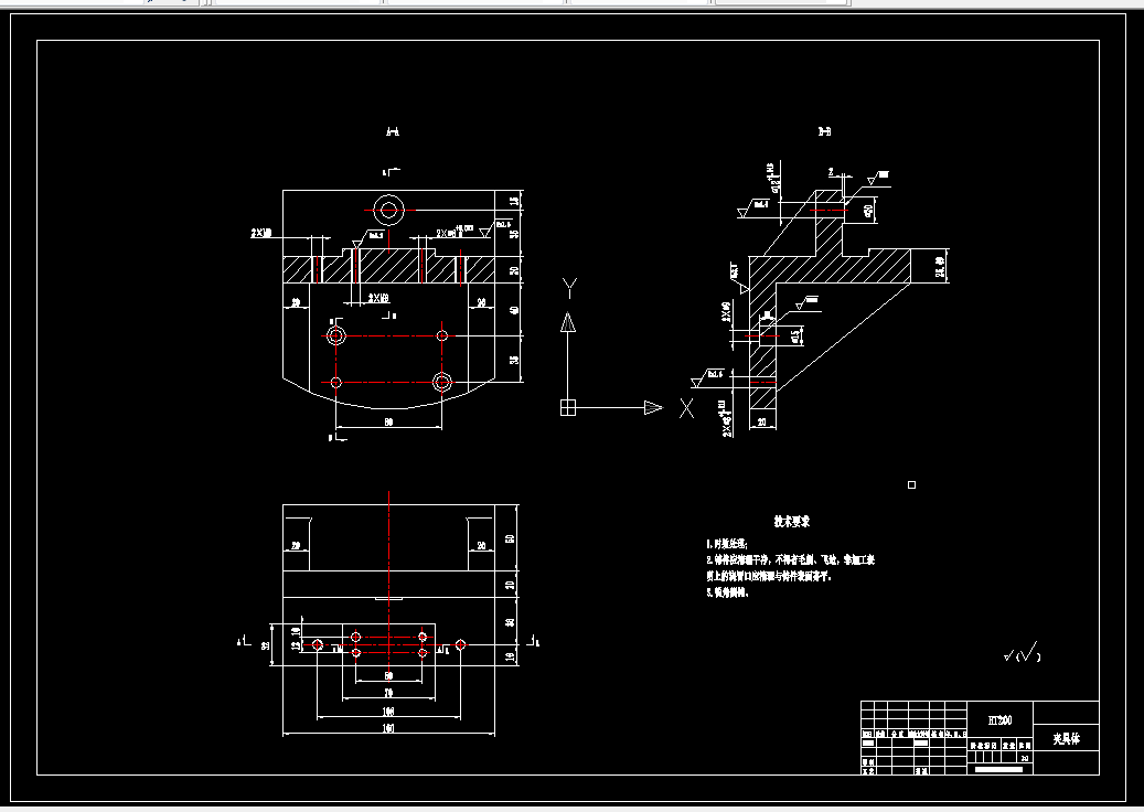
第4章 车床夹具设计 29
4.1 问题的提出 29
4.2 定位基准的选择 29
4.3 定位误差分析 29
4.4 切削力的计算与夹紧力分析 30
4.5夹具设计及操作简要说明 31
感 谢 32
参 考 文 献 33
温馨提示:
1、题目前面的备注【字母数字编号】为本站整理分类的编号,与课题内容无关,请选题时忽视;
2、若题目上备注三维,则表示文件里包含三维源文件,由于三维组成零件数量较多,为保证预览截图的简洁性,本站将三维文件夹进行了打包。三维及CAD预览截图,均为本站电脑打开软件进行截图的,保证能够打开,下载原件超高清,下载后解压即可;
3、本站所有资源如无特殊说明,都需要本地电脑安装Office2007。图纸软件为AutoCAD,PROE,UG,SolidWorks,CATIA等;
4、本站所有图文资料仅供用户学习参考,不作为任何商用或其他用途;
5、本站不保证下载资源的准确性、安全性和完整性, 不包修改,不支持退换,同时也不承担用户因使用这些下载资源对自己和他人造成任何形式的伤害或损失;
6、 下载文件中如有侵权或不适当内容,请与我们联系,我们立即纠正。