欢迎来到龙图网在线图文分享平台-CAD图纸,设计说明书,工业设计3D模型,三维软件下载!   客服QQ:2363701252
热搜:

工艺夹具 模具设计 数控编程 土木工程 3D模型

K2072-CA1340自动车床杠杆[杠杆三]工艺及钻左侧孔夹具设计【含SW三维图】 下载积分:300 资料编号: K2072

1.打开支付宝或者微信扫描二维码。
2.填写金额:300 
3.添加备注,填写资料编号:
资料编号: K2072
4.支付成功后,请发资料编号到邮箱:jxsj168@qq.com
会有专人在15分钟内把资料发到您邮箱
备注:如果付款忘记填写资料编号,则发邮件时附带您的交易明细截图即可。
请耐心等待,如超过30分钟还没收到,请联系客服QQ:2363701252
点击分享:

作品描述

作品包括:

Word版说明书1份,共54页,约15000字

工序卡11张

工艺过程卡1张

CAD版本图纸,共9张

SW三维图一套

Z3NWFV7_AQNIIV(5Q(GH[A6.png

摘 要

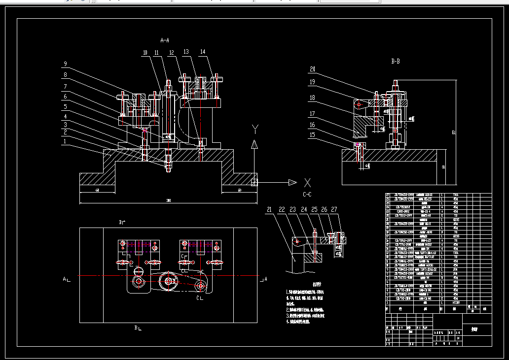
我的设计课题是CA1340杠杆加工工艺规程及其钻床夹具设计,依据任务书知需要设计一套夹具及夹具三维,在这里我选择了Ф8H7孔和Ф6H7孔的钻床夹具,所采用的设备为立式钻床Z525。

CA1340杠杆零件外形结构一般,生产批量为大批量,材料为QT45-5,由《机械制造工艺设计简明手册》(以后简称《工艺简明手册》)表1.3-1知,采用金属型浇注。再结合《典型零件工艺分析与加工》编写工艺规程并计算各加工表面工时。

CA1340杠杆的Ф8H7孔和Ф6H7孔粗糙度Ra1.6,由《工艺简明手册》表1.4-7和表2.3-8知,Ф8H7孔的加工方案为:钻——粗铰——精铰;Ф6H7孔的加工方案为:钻——精铰。CA1340杠杆的Ф8H7孔和Ф6H7孔的钻床夹具设计,以六点定位原理为依据,CA1340杠杆右端、Ф20H7孔和Ф6H7孔定位,也就是心轴和B型固定式定位销定位夹紧。而钻头的对中,则是以Ф7.8快换钻套、衬套、钻模板;Ф5.8快换钻套、衬套、钻模板等组成的引导装置完成。

关键词:CA1340杠杆;工艺简明手册;钻床夹具设计 


目 录

摘 要 I

Abstract II

目 录 III

1 零件分析 1

1.1 CA1340杠杆的结构分析 1

1.2 CA1340杠杆毛坯制造形式 2

1.3 CA1340杠杆机械加工余量 2

2工艺规程设计 4

2.1 定位基准的选择 4

2.2 制定加工工艺路线 4

2.3 选择切削用量、确定时间定额 6

3钻床夹具设计 34

3.1 问题的提出 34

3.2夹具定位分析 34

3.3 定位误差分析 35

3.4 钻削力和夹紧力计算 36

3.5钻套设计 37

4夹具三维装配组装过程 42

致 谢 49

参考文献 51

温馨提示:

1、题目前面的备注【字母数字编号】为本站整理分类的编号,与课题内容无关,请选题时忽视;

2、若题目上备注三维,则表示文件里包含三维源文件,由于三维组成零件数量较多,为保证预览截图的简洁性,本站将三维文件夹进行了打包。三维及CAD预览截图,均为本站电脑打开软件进行截图的,保证能够打开,下载原件超高清,下载后解压即可;

3、本站所有资源如无特殊说明,都需要本地电脑安装Office2007。图纸软件为AutoCAD,PROE,UG,SolidWorks,CATIA等;

4、本站所有图文资料仅供用户学习参考,不作为任何商用或其他用途;
5、本站不保证下载资源的准确性、安全性和完整性, 不包修改,不支持退换,同时也不承担用户因使用这些下载资源对自己和他人造成任何形式的伤害或损失;

6、 下载文件中如有侵权或不适当内容,请与我们联系,我们立即纠正。


线