

作品包括:
Word设计说明书1份,共44页
任务书一份
开题报告一份
外文翻译一份
CAD版本图纸,共7张

摘要
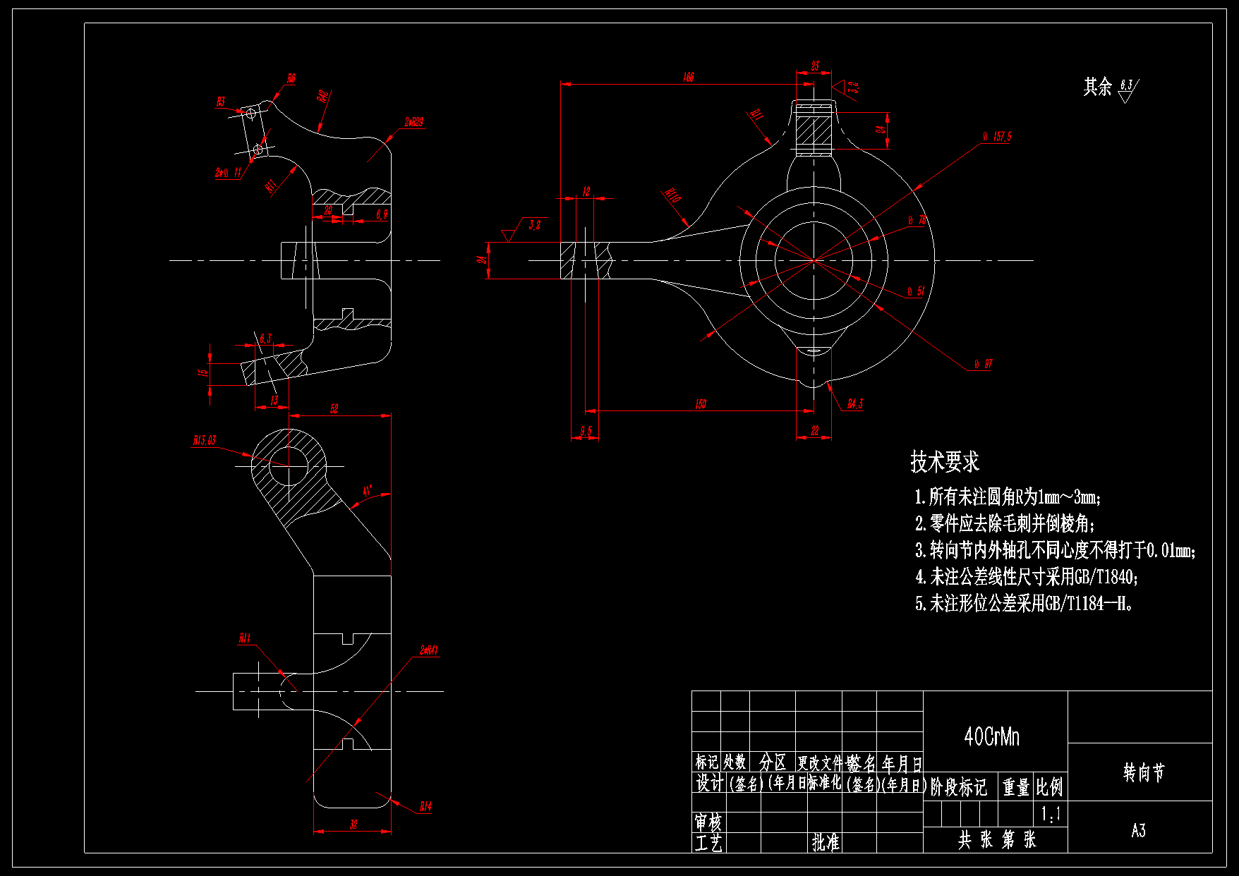
本次设计主要针对蔚来ES6前空气悬架进行设计,从蔚来ES6前空气悬架的整体方案出发,然后具体细化出具体内部结构,主要包括以下几个方面: (1)确定本次设计的结构型式。 (2)根据所选悬架结构型式,分析蔚来ES6汽车前空气悬架的结构与参数。确定本次设计的具体布置参数和结构。 (3)确定主要参数后,完成空气弹簧、减振器等关键零件的设计计算与选型。 (4)对设计完的悬架 运用参数进行偏频、侧倾角刚度等悬架参数进行计算校核。 (5)运用CAD对蔚来ES6汽车前空气悬架图纸进行绘制。
温馨提示:
1、题目前面的备注【字母数字编号】为本站整理分类的编号,与课题内容无关,请选题时忽视;
2、若题目上备注三维,则表示文件里包含三维源文件,由于三维组成零件数量较多,为保证预览截图的简洁性,本站将三维文件夹进行了打包。三维及CAD预览截图,均为本站电脑打开软件进行截图的,保证能够打开,下载原件超高清,下载后解压即可;
3、本站所有资源如无特殊说明,都需要本地电脑安装Office2007。图纸软件为AutoCAD,PROE,UG,SolidWorks,CATIA等;
4、本站所有图文资料仅供用户学习参考,不作为任何商用或其他用途;
5、本站不保证下载资源的准确性、安全性和完整性, 不包修改,不支持退换,同时也不承担用户因使用这些下载资源对自己和他人造成任何形式的伤害或损失;
6、 下载文件中如有侵权或不适当内容,请与我们联系,我们立即纠正。