

作品包括:
Word设计说明书1份
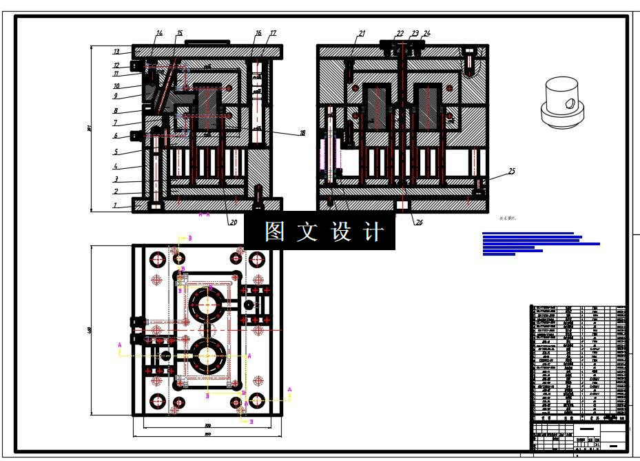
CAD版本图纸,共5张
UG三维图一份
摘要
介绍了在AUTOCAD、UG环境下,外壳的注射模具设计与加工过程。着重分析了设计的整个流程,包括产品二维和三维造型及材料性能分析。然后进行成型零件设计、侧向分型与抽芯机构设计等部分,以及注射成型设备的选用和成型工艺参数的确定,在此基础上对模具零部件进行细部设计修改。外壳采用点浇口,利用外侧抽芯,推杆顶料,推件板完成脱模,该模具结构紧凑,工作可靠,生产效率高。最后分析了模具的工作过程,对模具结构与注射机的匹配进行了校核。
温馨提示:
1、题目前面的备注【字母数字编号】为本站整理分类的编号,与课题内容无关,请选题时忽视;
2、若题目上备注三维,则表示文件里包含三维源文件,由于三维组成零件数量较多,为保证预览截图的简洁性,本站将三维文件夹进行了打包。三维及CAD预览截图,均为本站电脑打开软件进行截图的,保证能够打开,下载原件超高清,下载后解压即可;
3、本站所有资源如无特殊说明,都需要本地电脑安装Office2007。图纸软件为AutoCAD,PROE,UG,SolidWorks,CATIA等;
4、本站所有图文资料仅供用户学习参考,不作为任何商用或其他用途;
5、本站不保证下载资源的准确性、安全性和完整性, 不包修改,不支持退换,同时也不承担用户因使用这些下载资源对自己和他人造成任何形式的伤害或损失;
6、 下载文件中如有侵权或不适当内容,请与我们联系,我们立即纠正。