

作品包括:
Word版说明书1份,共131页,约34000字
CAD版本图纸,共1张
摘 要
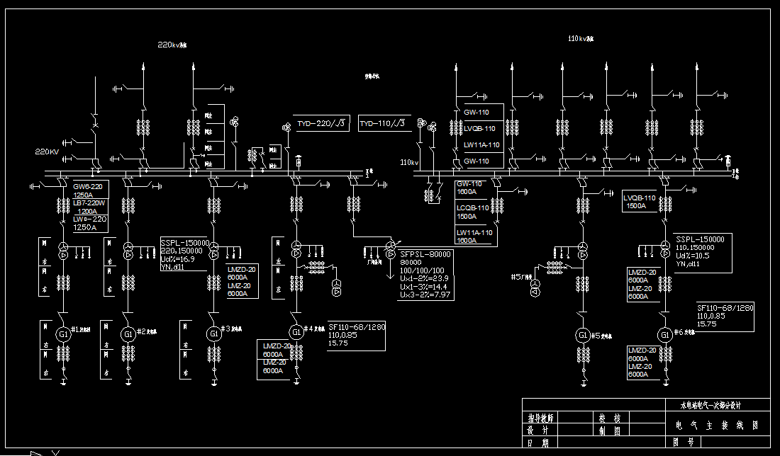
本设计为小型水电厂电气一次部分设计,包括发电机出口10.5kV、110kV系统和35kV系统三个电压等级,它是在完成本专业全部课程的基础上,综合性运用所学知识进行运用的过程。根据具体设计而言,其主要内容为:通过本设计原始资料来选择发电厂发电机、主变压器型号;根据电压等级、出线回数、电力负荷情况设计本电厂的电气主接线,选出两个比较满意的电气主接线方案,然后进行技术分析以及经济综合比较,确定一个较佳方案;根据主接线画出等值电路图,合理选择短路点,对等值电路图进行网络化简,按三相短路和不对称短路情况进行短路电流计算;依据正常工作状态选择所需的母线与电气设备,然后按短路状态对所选母线与电气设备进行校验;对所选发电机、变压器进行继电保护整定计算,包括主保护和后备保护。
本设计所选电气设备包括:高压断路器、隔离开关、母线、绝缘子、电压电流互感器以及避雷器等,然后进行继电保护的设计和规划,进而对本发电厂进行合理的高压配电装置以及防雷保护设计。本设计的重点研究问题是电气主接线图的选择、短路电流的计算、各电气设备的选择与校验以及继电保护整定计算。
关键词:水电厂;电气主接线;短路电流;电气设备;继电保护。
目 录
前 言 II
第一部分 说明书 1
第一章 电气主接线方案选择 1
1.1原始资料分析 1
1.2主变压器的选择 1
1.2.1主变压器容量的选择 2
1.2.2主变压器台数的选择 2
1.2.3主变压器型式的选择 3
1.2.4主变压器的技术参数 4
1.3电气主接线方案设计 4
1.3.1电气主接线方案设计的基本要求 4
1.3.2电气主接线的一般步骤 5
1.3.3发电厂电气主接线设计 6
1.3.4 发电厂电气主接线方案的确定 7
第二章 短路电流计算 10
2.1短路概述 10
2.2短路电流计算的基本假设 10
2.3短路点的选择 10
2.4短路电流计算方法及结果 10
第三章 电气设备的选择 12
3.1 电气设备的选择的一般条件 12
3.2 断路器的选择 15
3.3 隔离开关的选择 18
3.4 各级电压母线及出线的选择与校验 20
3.5 中性点接地设备选择 23
3.5.1 发电机中性点接地设备选择 23
3.5.2变压器中性点接地设备选择 24
3.6互感器的配置 24
3.6.1 电压互感器的配置 25
3.6.2 电流互感器的配置 25
3.7 避雷器的配置 26
第四章 主变压器的继电保护 27
4.1 瓦斯保护 27
4.2 变压器纵差动保护的整定 28
4.2.1 纵差动保护动作电流的整定 28
4.3 变压器相间短路的后备保护 29
4.3.1过电流保护 29
4.4变压器接地短路的后备保护 30
4.5变压器过负荷保护 31
第5章 发电机的继电保护 31
5.1发电机的纵差动保护 35
5.1.1纵差动保护整定计算 35
5.2发电机匝间短路保护 36
5.2.1横差保护动作电流整定 36
5.3发电机定子绕组单相接地保护 37
第二部分 计算书 37
第六章 变压器的选择 37
6.1 主变压器的选择 37
6.2 厂用电变压器的选择 38
第七章 短路电流计算 38
7.1 短路点的选取 38
7.2 电气参数计算 39
7.3 对称短路电流计算 40
7.3.1 K1点短路电流计算 40
7.3.2 K2点短路电流计算 43
7.3.3 K3点短路电流计算 47
7.3.4 K4点短路电流计算 50
7.3.5 K5点短路电流计算 54
7.4 不对称短路电流计算 57
7.4.1 K1点不对称短路计算 59
7.4.2 K2点不对称短路计算 63
7.4.3 K3点不对称短路计算 68
7.4.4 K4点不对称短路计算 71
7.4.5 K5点不对称短路计算 74
第八章 电气设备选择 78
8.1 发电机出口电气设备的选择 78
8.1.1发电机出口断路器的选择 78
8.1.2发电机出口隔离开关的选择 79
8.1.3发电机出口母线的选择 80
8.1.4发电机出口母线支柱绝缘子的选择 83
8.1.5发电机出口母线穿墙套管的选择 84
8.1.6发电机电流互感器的选择 86
8.1.7发电机电压互感器的选择 87
8.1.8熔断器的选择 88
8.1.9避雷器的选择 89
8.1.10 发电机中性点接地方式的选择 89
8.1.11无功补偿 91
8.2 110kV侧高压电气设备选择 91
8.2.1 110kV侧断路器的选择 91
8.2.2 110kV侧隔离开关的选择 93
8.2.3 110kV侧母线的选择 95
8.2.4 110kV侧母线绝缘子的选择 98
8.2.5 110kV侧电流互感器的选择 99
8.2.6 110kV侧电压互感器的选择 100
8.2.7 110kV侧避雷器的选择 100
8.3 35kV侧高压电气设备选择 101
8.3.1 35kV侧断路器的选择 101
8.3.2 35kV侧隔离开关的选择 104
8.3.3 35kV侧母线的选择 107
8.3.4 35kV母线支柱绝缘子的选择 111
8.3.5 35kV穿墙套管的选择 112
8.3.6 35kV电流互感器的选择 113
8.3.6 35kV电压互感器的选择 115
8.3.6 35kV母线及变压器高压侧避雷器的选择 116
8.4 厂用电电气设备的选择 116
8.4.1 厂用断路器的选择 116
8.4.2厂用隔离开关的选择 118
8.4.3厂用电流互感器的选择 119
第九章 主变压器的保护整定 119
9.1变压器瓦斯保护: 119
9.2变压器的纵差动保护整定 120
9.3 过负荷保护 123
第十章 发电机的继电保护 123
10.1 发电机的纵差动保护整定 123
附 录 125
文献翻译: 125
原文 125
译文 131
致 谢 134
温馨提示:
1、题目前面的备注【字母数字编号】为本站整理分类的编号,与课题内容无关,请选题时忽视;
2、若题目上备注三维,则表示文件里包含三维源文件,由于三维组成零件数量较多,为保证预览截图的简洁性,本站将三维文件夹进行了打包。三维及CAD预览截图,均为本站电脑打开软件进行截图的,保证能够打开,下载原件超高清,下载后解压即可;
3、本站所有资源如无特殊说明,都需要本地电脑安装Office2007。图纸软件为AutoCAD,PROE,UG,SolidWorks,CATIA等;
4、本站所有图文资料仅供用户学习参考,不作为任何商用或其他用途;
5、本站不保证下载资源的准确性、安全性和完整性, 不包修改,不支持退换,同时也不承担用户因使用这些下载资源对自己和他人造成任何形式的伤害或损失;
6、 下载文件中如有侵权或不适当内容,请与我们联系,我们立即纠正。