

作品包括:
Word版说明书1份,共46页,约13000字
CAD版本图纸,共8张
摘 要
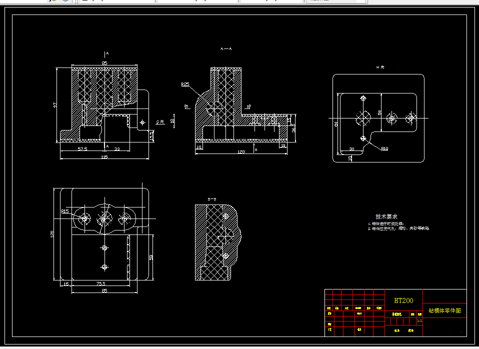
毕业设计(论文)是我们大学中的一次系统、全面的实践学习。在本次设计(论文)中,我所设计的是钻模体工艺规程及钻 2-φ6mm孔夹具设计。合理的工艺规程方案与夹具能保证零件加工的高效率和企业的经济性。我最开始进行资料收集,然后零件分析,再工序设计、接着进行工艺规程设计,最后完成夹具设计。在工艺设计中,我采用几种工艺相对比方法来获得最好的工艺路线,达到节约时间提高劳动生产率的作用。夹具设计是用一面双孔来定位及双升斜锲推动压板夹紧工件。利用这种夹紧装置,钻模体平稳的安装在夹具上,能方便于钻 2-φ6mm孔,也能保证孔的位置精度。综上所述,采用该专用夹具设计方案,保证了零件的大批量的生产,提高了劳动效率。所以,这是可取的。
关键词:零件分析,工序设计,工艺规程,一面双孔,夹具设计,位置精度
目 录
中文摘要…………………………………………………………………………………Ⅰ
ABSTRACT…………………………………………………………………………… Ⅱ
前言
第一章 零件分析……………………………………………………………………… 1
1.1 零件的三维图………………………………………………………………………1
1.2 零件的作用…………………………………………………………………………1
1.3 零件的工艺分析……………………………………………………………………2
1.4 确定生产类型………………………………………………………………………3
第二章 工艺规程设计…………………………………………………………………4
2.1 零件的毛坯制造形式……………………………………………………………… 4
2.2 基准的选择…………………………………………………………………………4
2.3 制定工艺路线………………………………………………………………………4
2.4 械加工余量及工序尺寸的确定………………………………………………………6
第三章 切削用量及时间定额的确定……………………………………………………8
3.1 工序一切削用量及时间定额的确定………………………………………………… 8
3.2 工序二切削用量及时间定额的确定………………………………………………… 10
3.3 工序三切削用量及时间定额的确定…………………………………………………15
3.4 工序四切削用量及时间定额的确定…………………………………………………16
3.5 工序五切削用量及时间定额的确定…………………………………………………17
3.6 工序六切削用量及时间定额的确定…………………………………………………21
3.7 工序七切削用量及时间定额的确定…………………………………………………23
3.8 工序八切削用量及时间定额的确定…………………………………………………26
3.9 工序九切削用量及时间定额的确定…………………………………………………26
3.10 工序十切削用量及时间定额的确定…………………………………………………27
3.11 工序十一切削用量及时间定额的确定………………………………………………28
第四章 夹具设计……………………………………………………………………… 28
4.1问题的提出………………………………………………………………………… 29
4.2定位基准及定位元件的选择………………………………………………………… 29
4.3夹紧方案的设计及夹紧元件的选择…………………………………………………30
4.4夹紧力的计算……………………………………………………………………… 30
4.5刀具导向装置的选择…………………………………………………………………31
4.6气缸设计……………………………………………………………………………32
4.7夹具结构设计……………………………………………………………………… 33
4.8定位误差分析……………………………………………………………………… 33
第五章 结论……………………………………………………………………………34
参考文献…………………………………………………………………………………35
致谢………………………………………………………………………………………36
温馨提示:
1、题目前面的备注【字母数字编号】为本站整理分类的编号,与课题内容无关,请选题时忽视;
2、若题目上备注三维,则表示文件里包含三维源文件,由于三维组成零件数量较多,为保证预览截图的简洁性,本站将三维文件夹进行了打包。三维及CAD预览截图,均为本站电脑打开软件进行截图的,保证能够打开,下载原件超高清,下载后解压即可;
3、本站所有资源如无特殊说明,都需要本地电脑安装Office2007。图纸软件为AutoCAD,PROE,UG,SolidWorks,CATIA等;
4、本站所有图文资料仅供用户学习参考,不作为任何商用或其他用途;
5、本站不保证下载资源的准确性、安全性和完整性, 不包修改,不支持退换,同时也不承担用户因使用这些下载资源对自己和他人造成任何形式的伤害或损失;
6、 下载文件中如有侵权或不适当内容,请与我们联系,我们立即纠正。