

作品包括:
Word版说明书1份,共41页,约21000字
CAD版本图纸,共4张
摘要
地基处理是地基基础设计中的一个重要环节,地基处理的好坏将直接关系到基础的选型和造价。本设计是在对拟建建筑物场地进行的岩土工程勘察结果上进行的。
拟建御景大厦该位于邯郸市人民路与大乘寺西街交叉口东北角,为地上27层,地下3层,剪力墙结构,筏板基础,基础埋深13.0m,基底压力500kPa。
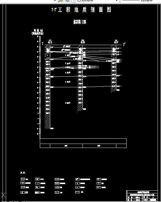
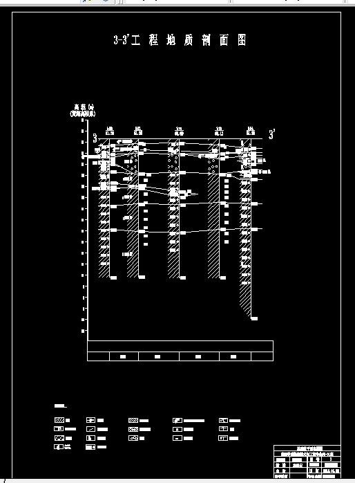
通过岩土工程勘察可知,场地的图层情况为:第(1)层 杂填土【Q42ml】、第(2)层 粉质粘土【Q42(al+pl)】、第(3)层 粉质粘土【Q41(al+pl)】、第(4)层 卵石【N】、第(5)粘土【N】、第(6)层 粘土【N】、第(7)层 粘土【N】。
通过土工试验、原位测试等测试手段可以得到各层土天然承载力,并可以确定天然地基不能满足工程要求,需要进行地基处理。由于第四层卵石的存在,所以该工程决定采用水下冲孔灌注桩的桩基方法处理。
拟使用桩长25m单桩承载力为6600KN的灌注桩,再根据桩间距为3d=2.1m,所以最终方案需要511根桩。
本文还将对钻孔灌注桩的施工要求、施工顺序、施工工艺以及施工中需要注意的问题进行详细的说明。
关键词:水下冲孔灌注桩、桩基础设计、桩基础施工
目 录
前 言 1
1 工程概况 3
1.1 工程简介 3
1.2 气候气象特征 3
1.3 交通地理位置 4
1.4勘察工作布置及进行 4
2工程地质条件 6
2.1 气象与水文 6
2.2 地质构造与地形外貌 6
2.3 地层岩性 6
2.4 地下水及场地土的腐蚀性评价 8
3地基土的物理力学性质 9
3.1.1统计步骤 9
3.1.2 划分单元依据 9
3.1.3各单元体指标的整理与统计 9
3.1.4主要参数的统计计算 10
3.1.5主要参数的划分单元的合理评价 10
3.1.6岩土指标的标准值 10
3.2岩土工程设计参数 11
3.3各岩土层物理力学性质指标 12
3.4场地地震效应 12
4 岩土工程分析评价 13
4.1 场地稳定性、适宜性评价 13
4.2 地基均匀性评价 13
4.3场地土评价 13
4.4 各岩土层承载力特征值及变形系数 13
4.5地基基础方案评价 14
4.6 成桩的可能性及对环境的影响评价 15
4.7基坑开挖及施工建议 16
5 地基处理及论证 17
5.1 场地稳定性和适宜性 17
5.2 不良地质作用与 17
5.3地基承载力 17
5.4地基基础方案分析 17
5.5地基基础方案的提出 19
5.5.1地基处理概述 19
5.5.2地基处理常用方法 19
5.5.3地基处理方案选择的原则 22
5.6地基基础方案论证 23
5.6.1地基基础初选方案分析 23
5.6.2地基基础方案对比 24
6 地基与基础设计方案 25
6.1单桩承载力 25
6.2确定桩数 25
6.3桩位确定 25
6.4沉降计算 26
7灌注桩施工组织设计 30
7.1设计说明 30
7.2施工要求 30
7.3施工顺序及施工流向安排 31
7.4施工工艺和方法 31
7.4.1测量放线 31
7.4.2钢筋笼制作 32
7.4.3护筒埋设 33
7.4.4泥浆池开挖和泥浆制作 33
7.4.5钻进成空 33
7.4.6清空 34
7.4.7钢筋笼安装 34
7.4.8安放导管 35
7.4.9混凝土制作 35
7.4.10水下砼灌注 36
7.4.11泥浆外运 36
7.4.12施工工艺流程图 37
7.5主要施工机械计划 37
8 结论与建议 39
8.1结论 39
8.2建议 39
参考文献 40
致 谢 41
附 录
附表
标准贯入试验统计表
勘探点一览表
土工试验成果统计表
物理力学指标统计表
附图
勘探点平面位置图
钻孔柱状图
工程地质剖面图
工程桩布桩图
温馨提示:
1、题目前面的备注【字母数字编号】为本站整理分类的编号,与课题内容无关,请选题时忽视;
2、若题目上备注三维,则表示文件里包含三维源文件,由于三维组成零件数量较多,为保证预览截图的简洁性,本站将三维文件夹进行了打包。三维及CAD预览截图,均为本站电脑打开软件进行截图的,保证能够打开,下载原件超高清,下载后解压即可;
3、本站所有资源如无特殊说明,都需要本地电脑安装Office2007。图纸软件为AutoCAD,PROE,UG,SolidWorks,CATIA等;
4、本站所有图文资料仅供用户学习参考,不作为任何商用或其他用途;
5、本站不保证下载资源的准确性、安全性和完整性, 不包修改,不支持退换,同时也不承担用户因使用这些下载资源对自己和他人造成任何形式的伤害或损失;
6、 下载文件中如有侵权或不适当内容,请与我们联系,我们立即纠正。