

作品包括:
Word版说明书1份,共55页,约18000字
CAD版本图纸,共6张
设计总说明
焦化废水是由原煤的高温干馏、煤气净化和化工产品精制过程中产生的。其成分复杂,含数十种无机和有机化合物。无机化合物中主要是大量氨盐、硫氰化物、硫化物、氰化物等;有机化合物中除了酚类外,还有单环及多环的芳香族化合物,含氮、硫、氧的杂环化合物等。
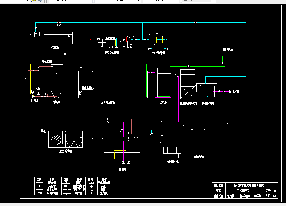
A2/O法既可以先改善废水的可生化性,又可以高效地去除氨氮,因此,它非常适合处理焦化废水,为焦化废水的首选方案。A2/O工艺即Anaerobic-Anoxic-Oxic,它是厌氧—缺氧—好氧生物脱氮除磷工艺的简称,是利用微生物氧化分解废水中有机物的方法,作为焦化废水处理系统中的二级处理。其核心是在厌氧-好氧工艺(A/O)中间加一缺氧池,将好氧池流出的一部分混合液回流至缺氧池前端。焦化废水二级处理出水种COD和NH3-N常常超标,为了提高COD及氨氮的去除率,常采用深度处理予以解决,处理焦化废水时在A2/O法后加接触氧化法或二级氧化法。本工艺的深度处理采用的是生物接触氧化池进一步硝化,使得最终出水达到标准。
关键字:焦化废水,A2/O,深度处理
目录
1 概论 1
1.1 焦化废水处理工艺概况 1
生物处理法 1
化学处理法 2
物理化学法 4
废水循环利用 4
1.2 设计原则 4
1.3 设计依据 5
2 设计条件 6
2.1 设计水量 6
2.2 原水水质 6
2.3 处理要求 6
3 焦化废水的特点及工艺选择 7
3.1 焦化废水的特点 7
3.2 关键工艺的选择 7
1、物化法 7
4 工艺原理及设计 9
4.1 A2/O工艺原理 9
厌氧段(A1段) 9
生物反硝化脱氮过程(A2段) 9
好氧生物硝化过程(O1段) 10
深度处理接触氧化(O2) 11
4.2 工艺特点 11
4.3 工艺流程 12
预处理工艺说明 13
生化处理工艺说明 13
后续工艺说明 16
污泥处理工艺说明 17
4.4 处理效果预测 18
4.5 设计计算 18
厌氧池 18
缺氧池、氧化池: 19
4.5.3 平流式沉淀池 21
4.5.4 生物接触氧化池 23
4.5.5 磷酸盐加药量 24
4.5.6 反应池进、出水系统计算 24
4.5.7 曝气系统设计计算 26
5 主要构筑物设计及设备选型 31
5.1预处理部分 31
5.2 生化处理部分 34
5.3 污泥处理部分 40
5.4 主要构筑物及设备一览表 41
6 工程经济分析 45
6.1 工程预算 45
6.1.1土建费(A) 45
6.1.2设备材料费(B) 46
6.2 概算总表 48
6.3运行成本分析 49
6、水处理直接成本 50
6.4 项目经济性评价 50
参考文献 51
致谢 53
温馨提示:
1、题目前面的备注【字母数字编号】为本站整理分类的编号,与课题内容无关,请选题时忽视;
2、若题目上备注三维,则表示文件里包含三维源文件,由于三维组成零件数量较多,为保证预览截图的简洁性,本站将三维文件夹进行了打包。三维及CAD预览截图,均为本站电脑打开软件进行截图的,保证能够打开,下载原件超高清,下载后解压即可;
3、本站所有资源如无特殊说明,都需要本地电脑安装Office2007。图纸软件为AutoCAD,PROE,UG,SolidWorks,CATIA等;
4、本站所有图文资料仅供用户学习参考,不作为任何商用或其他用途;
5、本站不保证下载资源的准确性、安全性和完整性, 不包修改,不支持退换,同时也不承担用户因使用这些下载资源对自己和他人造成任何形式的伤害或损失;
6、 下载文件中如有侵权或不适当内容,请与我们联系,我们立即纠正。