

作品包括:
说明书1份,共26页,约7600字左右
CAD版本本图纸,共8张
摘 要
组合机床是根据顾客要求完成零件,由许多小型部件构成,组成新的机床。组合机床的效率比较高,是普通机床的几倍到几十倍。本文主要介绍了组合机床的设计过程,以及多部分的设计过程,并对组合机床的发展前景做出了展望。随着时代的发展,组合机床已经逐渐成为新时代大批量加工零件的首要选择。
关键词:组合机床;设计
目 录
摘 要 Ⅱ
ABSTRACT Ⅲ
第1章 绪 论 1
1.1 机床概述 1
1.2 机床设计的目的、要求及内容 3
1.2.1 设计的目的 3
1.2.2 设计要求 3
1.2.3 设计内容 3
1.3 机床的设计步骤 4
1.3.1 调查研究 4
1.3.2方案拟定 4
第2章镗套座加工钻4-M18钻孔组合机床的总体设计 5
2.1 组合机床总体方案的制定 7
2.1.1 制定加工工艺方案 7
2.1.2 确定组合机床的配置形式及结构方案 8
2.2 确定切削用量及刀具选择 9
2.2.1 确定加工工序间余量 9
2.2.2 选择切削用量 9
2.2.3 确定切削力、切削力矩及切削功率 10
2.2.4刀具结构选择 10
2.3 本章小结 10
第3章 “三图一卡”的编制 11
3.1 被加工零件工序图的绘制 11
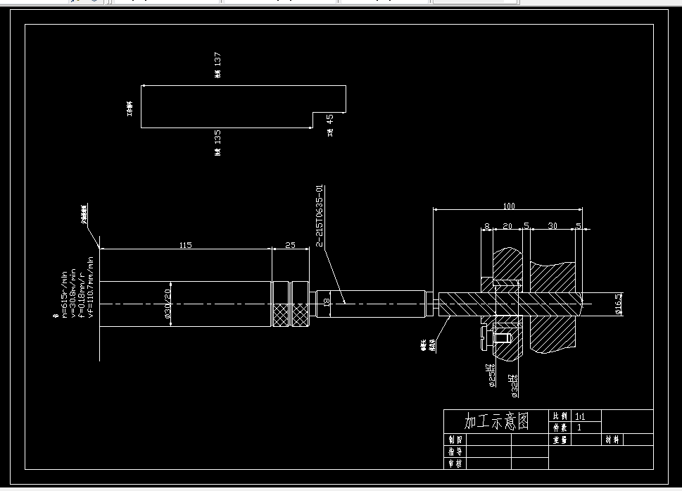
3.2 加工示意图的绘制 13
3.3机床联系尺寸图的绘制 17
3.4 生产效率计算卡的绘制 19
3.5 本章小结 22
第4章 机床多轴箱的设计 21
第5章 夹具设计 26
5.1.1机床夹具的组成和类型 26
5.2夹紧方案和夹紧元件的设计 27
5.3夹具的性能及优点 27
5.4夹具操作的简要说明 28
结 论 29
参考文献 30
温馨提示:
1、题目前面的备注【字母数字编号】为本站整理分类的编号,与课题内容无关,请选题时忽视;
2、若题目上备注三维,则表示文件里包含三维源文件,由于三维组成零件数量较多,为保证预览截图的简洁性,本站将三维文件夹进行了打包。三维及CAD预览截图,均为本站电脑打开软件进行截图的,保证能够打开,下载原件超高清,下载后解压即可;
3、本站所有资源如无特殊说明,都需要本地电脑安装Office2007。图纸软件为AutoCAD,PROE,UG,SolidWorks,CATIA等;
4、本站所有图文资料仅供用户学习参考,不作为任何商用或其他用途;
5、本站不保证下载资源的准确性、安全性和完整性, 不包修改,不支持退换,同时也不承担用户因使用这些下载资源对自己和他人造成任何形式的伤害或损失;
6、 下载文件中如有侵权或不适当内容,请与我们联系,我们立即纠正。