欢迎来到龙图网在线图文分享平台-CAD图纸,设计说明书,工业设计3D模型,三维软件下载!   客服QQ:2363701252
热搜:

工艺夹具 模具设计 数控编程 土木工程 3D模型

E466-煤气超标自动开窗器的设计 下载积分:150 资料编号: E466

1.打开支付宝或者微信扫描二维码。
2.填写金额:150 
3.添加备注,填写资料编号:
资料编号: E466
4.支付成功后,请发资料编号到邮箱:jxsj168@qq.com
会有专人在15分钟内把资料发到您邮箱
备注:如果付款忘记填写资料编号,则发邮件时附带您的交易明细截图即可。
请耐心等待,如超过30分钟还没收到,请联系客服QQ:2363701252
点击分享:

作品描述

作品包括:

Word版说明书1份,共73页,约40000字

开题报告一份

外文翻译一份

CAD版本图纸,共4张


摘  要


随着人民生活质量的日益提高,管道煤气和罐装液化石油气已进入寻常百姓人家,但由于煤气泄漏对于日常生活具有巨大的危害性,怎样防止煤气中毒与爆炸已成为人们的迫切需要,为此我们开发研制了煤气超标自动报警开窗器。

本次毕业设计的任务是设计一个能够实时监测煤气超标以及能够作出应急处理的机电一体化系统,涉及到结构设计、三维造型、电机控制、传感器技术等内容。本系统以AT89S52单片机为核心,论述了基于测控技术的煤气超标监测报警装置的软硬件的设计与实现。本文中重点阐述了煤气传感器信号采集调理电路与开窗电机控制电路的设计。本系统具有现场煤气浓度动态显示、报警限设定、声音报警功能。在监测到煤气浓度超标时,蜂鸣器发出报警声,报警一分钟后如果没有人来到现场进行处理,系统将会自动关闭煤气管道阀门、开启排风扇,还可以驱动电机将窗户打开,进行燃气的排放。另外,系统的软件设计中编写了一个手动模式的程序,如果在煤气不超标的情况下,用户想要将窗户打开或者关闭,可以通过控制电路板上的按钮来控制电机将窗户打开或者关闭。

在机械方面,使用三维软件Pro/E画出了自动开窗器的结构模型,并对不同的结构方案进行比较,选择出最优的设计方案,保证能够实现预定的功能。此外,为了满足监控的需求,在系统中增加了通信接口,实现了网络监控功能,这部分超出了设计任务书规定的任务。

关键词:煤气超标;浓度检测;开窗;A/D转换;单片机控制

目    录


引言 1

1  绪论 2

1.1 课题背景 2

1.2 课题研究的目的及意义 3

1.3 系统设计的主要任务 3

2  煤气超标自动开窗器的开窗结构设计........ 4

2.1 目前市场上同类产品的市场调研 4

2.2 电动式推拉窗开窗机构的方案设计 6

2.3 本章小结 8

3  硬件电路系统设计概述 8

3.1 控制系统设计的主要原理 8

3.2 硬件电路系统的方案设计及比较 10

3.3 硬件电路系统的方案选择 12

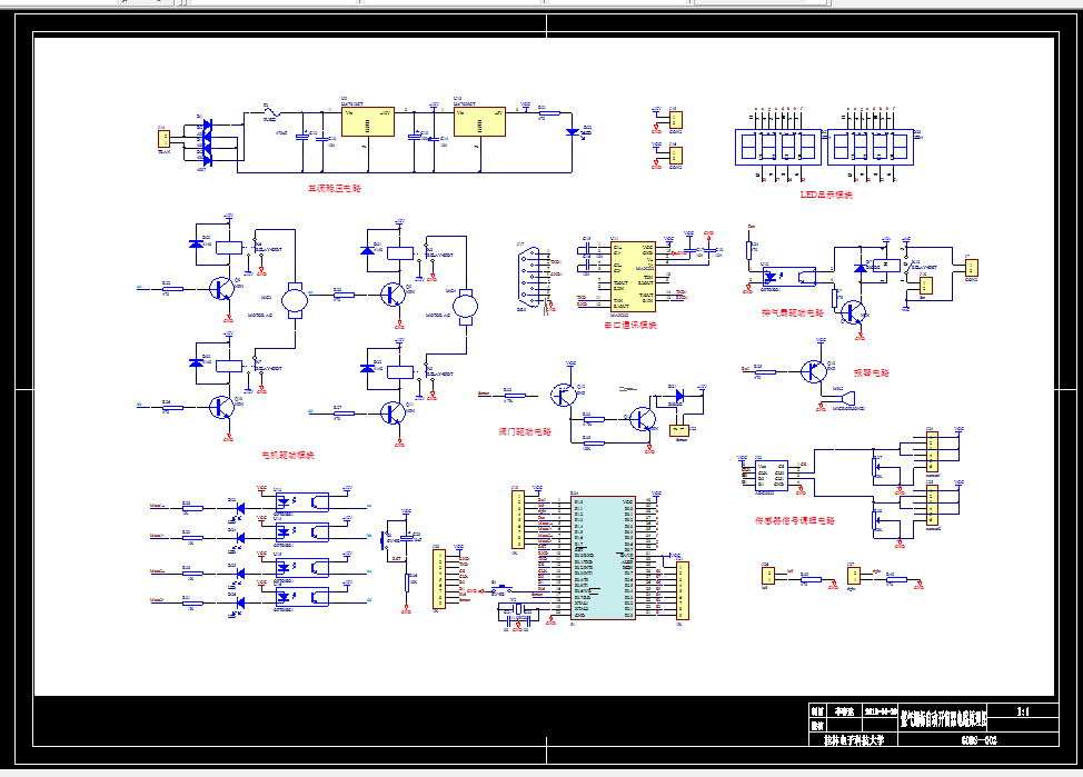
4  系统硬件电路设计 13

4.1 微控制器的选型和AT89S52芯片介绍 13

4.1.1 微控制器的选型 13

4.1.2 AT89S52单片机简介 14

4.1.3 AT89S52单片机引脚功能介绍 15

4.2 煤气浓度检测电路设计 17

4.2.1气体传感器原理与选型 17

4.2.2 MQ-5型煤气传感器介绍 21

4.2.3 MQ-6型液化石油气传感器介绍 23

4.2.4气体传感器接口电路设计 26

4.3 ADC0832模数转换接口电路设计 26

4.3.1 AD转换芯片的比较与选型 26

4.3.2 ADC0832模数转换芯片介绍 28

4.3.3 ADC0832模数转换电路设计 31

4.4 LED数码管显示电路设计 31

4.4.1 LED数码管的结构和工作原理 31

4.4.2 LED数码管显示电路设计 32

4.5 直流稳压电源电路设计 33

4.6 限位开关和报警电路设计 35

4.7 应急处理电路设计 36

4.7.1 直流电机控制电路设计 36

4.7.2 煤气阀门控制电路设计 38

4.7.3 排气扇控制电路设计 38

4.8 单片机串口通讯电路设计 39

4.8.1 串行通讯的基本知识 39

4.8.2 RS-232串口通讯标准介绍 41

4.8.3 单片机串口通讯电路设计 42

4.9 本章小结 44

5  软件系统设计 44

5.1 软件系统设计概述 44

5.2 手动模式程序设计 44

5.3 数据AD转换程序设计 45

5.4 报警中断程序设计 48

5.5 显示模块、串口通讯模块程序设计 49

6  硬件电路板的制作及调试 50

6.1 硬件电路板的制作 50

6.2 硬件电路板的调试 52

6.3 软件调试 53

7  毕业设计总结 53

谢  辞 55

参考文献 56

附  录 57

附录1 57

附录2 58

附录3 58

附录4 57

温馨提示:

1、题目前面的备注【字母数字编号】为本站整理分类的编号,与课题内容无关,请选题时忽视;

2、若题目上备注三维,则表示文件里包含三维源文件,由于三维组成零件数量较多,为保证预览截图的简洁性,本站将三维文件夹进行了打包。三维及CAD预览截图,均为本站电脑打开软件进行截图的,保证能够打开,下载原件超高清,下载后解压即可;

3、本站所有资源如无特殊说明,都需要本地电脑安装Office2007。图纸软件为AutoCAD,PROE,UG,SolidWorks,CATIA等;

4、本站所有图文资料仅供用户学习参考,不作为任何商用或其他用途;
5、本站不保证下载资源的准确性、安全性和完整性, 不包修改,不支持退换,同时也不承担用户因使用这些下载资源对自己和他人造成任何形式的伤害或损失;

6、 下载文件中如有侵权或不适当内容,请与我们联系,我们立即纠正。


线