

作品包括:
Word版说明书1份,共57页,约20000字
任务书一份
开题报告一份
外文翻译一份
CAD版本图纸,共15张
摘要
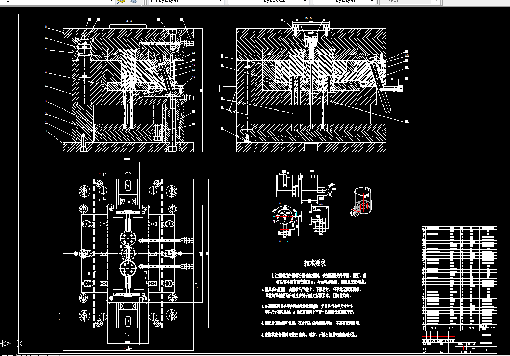
本设计的是风扇后壳零件注塑模具设计,此产品侧面因为有侧凹和侧孔,所以模具采用了侧抽芯机构,一模二腔,截面是梯形分流道,潜伏式浇口进胶,最后采用推杆推出。好的模具设计结构能表明该模具能达到质量和加工的要求,导向部件和脱模机构等等,并利用AutoCAD进行确定型腔的总体布局,然后根据结构设计成型零件的加工和装配工艺要求,在结合传统机械设计的应用后,将CAD/CAM技术应用于注塑模具的设计中。因此,有必要有一个合理的结构,高强度和刚度,良好的耐磨性,正确的几何形状,高尺寸精度和低表面粗糙度。检查并计算工艺参数,复位杆用于复位。此说明书还主要包括塑料零件和注塑模具的总体精度设计过程,注塑模具主要零部件的设计要点。分型面设计、流道系统的设计是本设计的重点。塑料模具设计,合理选择注射成型方法。最后选择注塑机,并对塑料零件的成型工艺和模具的生产可行性进行了系统的论证。
关键词:注塑;模具设计;型腔型芯;
目 录
摘要 II
ABSTRACT III
目 录 IV
1 绪论 1
1.1 模具和模具工业 1
1.2 我国模具技术发展的趋势 2
1.2.1 有利因素 2
1.2.2 不利因素 3
1.3 模具的作用与地位 5
1.4 本次毕业设计研究目的及意义 6
2 塑件分析 7
2.1 塑件工艺性分析 7
2.2 塑件结构分析 8
2.2.1 开模方向 8
2.2.2 脱模斜度 8
2.2.3 分型面 8
2.2.4 收缩率 9
2.2.5 零件壁厚 9
2.2.6 圆角 9
2.3 ABS材料的性能 9
2.4 材料ABS的注塑成型参数 10
3 拟定模具的结构形式 12
3.1 型腔数目的确定 12
3.2 分型面的选择 12
4 注塑机的校核 14
5 成型零部件设计 18
5.1 型腔和型芯工作尺寸计算 18
5.2 型腔侧壁厚度校核计算 22
6 抽芯系统设计 26
6.1 侧向分型抽芯机构 26
6.2 抽芯力的计算 26
6.3 抽芯距的计算 26
6.4 弯曲力的计算 27
6.5 斜导柱直径的计算 27
6.6 斜导柱长度的计算 28
6.7 脱模行程的计算和校核 29
6.8 锁紧块设计 29
6.9 滑块的最终设计图 30
7 模架的选择 31
8 浇注系统的设计 32
8.1 主流道的设计 32
8.1.1 小端直径的计算 32
8.1.2 球面半径的计算 33
8.1.3 大端直径的计算 33
8.1.4 浇口套长度计算 33
8.2 分流道的设计 33
8.2.1 分流道的计算 33
8.2.2 分流道布置形式 35
8.3 浇口设计与布置 35
8.4 冷料穴和拉杆的设计 36
8.5 浇注系统的校核 36
8.5.1 主流道凝料的计算 36
8.5.2 分流道凝料的计算 37
8.5.3 总凝料的计算 37
8.5.4 浇口体积的计算 37
8.5.5 分流道体积的计算 37
8.5.6 主流道体积的计算 37
8.5.7 主流道流速的计算 37
8.5.8 浇口流速的计算 38
8.5.9 模具充模时间的计算 38
8.5.10 型腔充模时间的计算 38
8.5.11 注射时间的计算 39
8.5.12 浇口剪切速率的校核 39
8.5.13 分流道剪切速率的校核 39
8.5.14 流道剪切速率的校核 40
9 温度调节系统设计 41
9.1 对温度调节系统的要求 41
9.2 设计原则 41
9.3 冷却系统的计算 41
9.4 冷却系统的布置 44
10 推出机构的设计 45
10.1 脱模力的计算 45
10.2 推杆直径的计算 45
10.3 推杆的强度校核 46
10.4 推杆的布置形式 46
11 合模导向机构设计 47
总结 49
致谢 50
参考文献 51
温馨提示:
1、题目前面的备注【字母数字编号】为本站整理分类的编号,与课题内容无关,请选题时忽视;
2、若题目上备注三维,则表示文件里包含三维源文件,由于三维组成零件数量较多,为保证预览截图的简洁性,本站将三维文件夹进行了打包。三维及CAD预览截图,均为本站电脑打开软件进行截图的,保证能够打开,下载原件超高清,下载后解压即可;
3、本站所有资源如无特殊说明,都需要本地电脑安装Office2007。图纸软件为AutoCAD,PROE,UG,SolidWorks,CATIA等;
4、本站所有图文资料仅供用户学习参考,不作为任何商用或其他用途;
5、本站不保证下载资源的准确性、安全性和完整性, 不包修改,不支持退换,同时也不承担用户因使用这些下载资源对自己和他人造成任何形式的伤害或损失;
6、 下载文件中如有侵权或不适当内容,请与我们联系,我们立即纠正。