

作品包括:
Word版说明书1份,共54页,约24000字
外文翻译一份
CAD版本图纸,共1张
UG三维图一份
摘 要
本设计的任务是设计一台用于轿车上的前置前驱引擎横置的手动变速器。本设计采用两轴式变速器,该变速器具有两个突出的优点:一对齿轮传动,所以传动效率高,噪声小。;二是各中间挡位只经一对齿轮传动,所以传动效率高,噪声小。
根据轿车的外形、轮距、轴距、最小离地间隙、最小转弯半径、车辆重量、满载重量以及最高车速等参数结合自己选择的适合于该轿车的发动机型号可以得出发动机的最大功率、最大扭矩、排量等重要的参数。再结合某些轿车的基本参数,选择适当的主减速比。根据上述参数,再结合汽车设计、汽车理论、机械设计等相关知识,计算出相关的变速器参数并论证设计的合理性。www
它功用是:①改变传动比,扩大驱动轮转矩和转速的变化范围,以适应经常变化的行驶条件,如起步、加速、上坡等,同时使发动机在有利的工况下工作;②在发动机旋转方向不变的前提下,使汽车能倒退行驶;③利用空档,中断动力传递,以使发动机能够起动、怠速,并便于发动机换档或进行动力输出。这台变速器具有五个前进档(包括一个超速档五档)和一个倒档,并通过锁环式同步器来实现换档。
关键词:手动变速器,引擎横置前驱,锁环式同步器,传动比,齿轮
录
绪论 1
第1章 机械式变速器的概述及其方案的确定 3
1.1 变速器的功用和要求 3
1.2 变速器结构方案的确定 3
1.2.1变速器传动机构的结构分析与型式选择 3
1.2.2 倒档传动方案 5
1.3 变速器主要零件结构的方案分析 6
1.3.1齿轮型式 6
1.3.2换档结构型式 6
1.3.3 变速器轴承 8
第2章 变速器主要参数的选择与主要零件的设计 10
2.1 变速器主要参数的选择 10
2.2档数和传动比 10
2.2.1传动比的选择[3] 10
2.3中心距 11
2.4 轴向尺寸 12
2.5 齿轮参数 12
2.5.1 齿轮模数 12
2.5.2 压力角 13
2.5.3 螺旋角β 13
2.5.4 齿宽b 14
2.5.5齿顶高系数 14
2.5.6各档齿数Z 14
2.6 变速器齿轮的强度计算与材料的选择 24
2.6.1齿轮的材料、损坏原因及形式 24
2.6.2齿轮的强度计算与校核 25
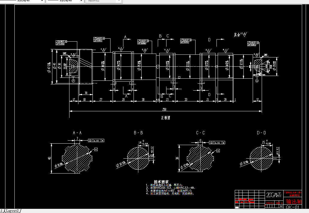
2.7变速器轴的强度计算与校核 27
2.7.1变速器轴的结构和尺寸 27
2.7.2 轴的校核 29
2.7.3轴上花键的设计计算 33
2.8 变速器轴承的选择 34
2.8.1几种轴承的特点: 34
2.8.2 类型的选择 35
2.9 变速器同步器的设计 36
2.9.1同步器类型的选择 36
2.9.2同步器工作原理 37
2.9.3 主要参数的确定 38
2.9.4花键的校核 40
2.10 变速器的操纵机构 41
2.10.1变速器操纵机构功用: 41
2.10.2换挡位置图: 42
2.10.3变速杆的布置: 42
2.11 锁止装置 44
2.11.1互锁装置 44
2.11.2自锁装置 46
2.11.3倒挡锁装置 46
致 谢 48
参考文献 49
附录 程序和结果 50
温馨提示:
1、题目前面的备注【字母数字编号】为本站整理分类的编号,与课题内容无关,请选题时忽视;
2、若题目上备注三维,则表示文件里包含三维源文件,由于三维组成零件数量较多,为保证预览截图的简洁性,本站将三维文件夹进行了打包。三维及CAD预览截图,均为本站电脑打开软件进行截图的,保证能够打开,下载原件超高清,下载后解压即可;
3、本站所有资源如无特殊说明,都需要本地电脑安装Office2007。图纸软件为AutoCAD,PROE,UG,SolidWorks,CATIA等;
4、本站所有图文资料仅供用户学习参考,不作为任何商用或其他用途;
5、本站不保证下载资源的准确性、安全性和完整性, 不包修改,不支持退换,同时也不承担用户因使用这些下载资源对自己和他人造成任何形式的伤害或损失;
6、 下载文件中如有侵权或不适当内容,请与我们联系,我们立即纠正。