欢迎来到龙图网在线图文分享平台-CAD图纸,设计说明书,工业设计3D模型,三维软件下载!   客服QQ:2363701252
热搜:

工艺夹具 模具设计 数控编程 土木工程 3D模型

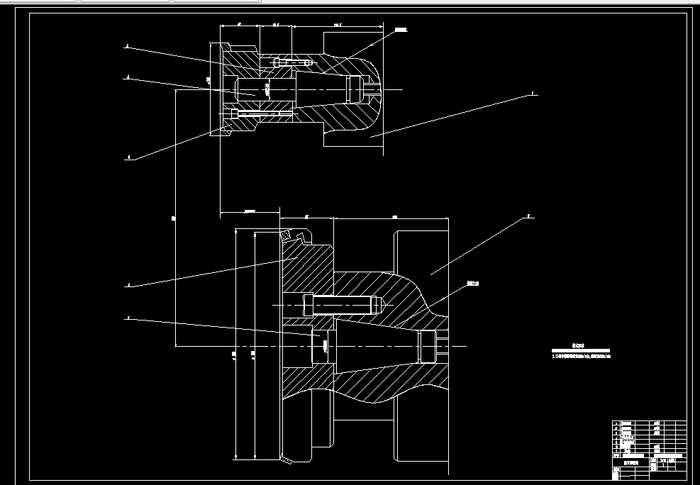
E729-单面双轴铣床机床总装、加工示意图、轴及花键设计 下载积分:50 资料编号: E729

1.打开支付宝或者微信扫描二维码。
2.填写金额:50 
3.添加备注,填写资料编号:
资料编号: E729
4.支付成功后,请发资料编号到邮箱:jxsj168@qq.com
会有专人在15分钟内把资料发到您邮箱
备注:如果付款忘记填写资料编号,则发邮件时附带您的交易明细截图即可。
请耐心等待,如超过30分钟还没收到,请联系客服QQ:2363701252
点击分享:

作品描述

作品包括:

Word版说明书1份,共33页,约13000字

外文翻译一份

CAD版本图纸,共5张


摘  要


本设计是关于单面两轴专用铣床,设计内容包括:课题来源及现实意义,机床整体设计和相关图表内容。其中涉及到机械制造及自动化专业的各科专业课程,包机械设计基础、现代机械设计、机械制造工艺学、材料力学、工程力学等。设计内容以机械传动装置总体设计、移动台的设计、夹具的设计、铣削头的设计计算为主。

设计包含设计的整个流程,涉及了与专业结核性较强的课题。铣床设计是一个综合机械生产全面性课题,培养了自己的综合能力、自学能力,从而适应未来社会的需要与科学技术的发展需要。

关键词:  铣床  机床总装  加工示意图  花键

目   录


绪论 1

第一章 总体方案论证 2

1.1被加工零件 2

1.2机床配置形式的选择 2

1.3定位基准的选择及零件工序图 3

1.4机床联系尺寸图 4

1.5动力部件的选择 5

1.6确定机床装料高度H 13

第二章 加工示意图 14

2.1总体方案论证 14

2.1刀具的选择 15

2.2导向结构的选择 18

2.3浮动卡头的选择 18

2.4切削用量的选择 18

2.5动力头工作循环及行程的确定 19

2.6其它应注意的问题 19

第三章 轴II的结构设计以及计算 20

3.1初步估算轴的最小直径 20

3.2轴的结构设计 21

3.3轴的受力分析以及轴的校核 22

第四章 花键的尺寸设计 27

4.1主轴最小半径校核 27

4.2滑套的设计 27

结论 29

致谢 30

参考文献 31

温馨提示:

1、题目前面的备注【字母数字编号】为本站整理分类的编号,与课题内容无关,请选题时忽视;

2、若题目上备注三维,则表示文件里包含三维源文件,由于三维组成零件数量较多,为保证预览截图的简洁性,本站将三维文件夹进行了打包。三维及CAD预览截图,均为本站电脑打开软件进行截图的,保证能够打开,下载原件超高清,下载后解压即可;

3、本站所有资源如无特殊说明,都需要本地电脑安装Office2007。图纸软件为AutoCAD,PROE,UG,SolidWorks,CATIA等;

4、本站所有图文资料仅供用户学习参考,不作为任何商用或其他用途;
5、本站不保证下载资源的准确性、安全性和完整性, 不包修改,不支持退换,同时也不承担用户因使用这些下载资源对自己和他人造成任何形式的伤害或损失;

6、 下载文件中如有侵权或不适当内容,请与我们联系,我们立即纠正。


线