

作品包括:
Word版说明书1份,共82页,约15000字
CAD版本图纸,共8张
摘要
本设计是沈阳北郊虎新公路小桥子桥下部结构设计,设计的车速V=80Km/h,该桥全长96m,采用3跨的预应力混凝土箱梁桥。桥梁的下部结构是桥梁跨跃能力的基础,它的正常使用与否决定着交通的畅通与车辆的安全与否。所以,桥梁的下部结构设计就尤为重要。
本设计主要部分分四部分:
(一) 桥型的方案比选:从结构、受力、技术、施工等因素综合考虑,选择经济、美观、实用的箱型梁桥。
(二) 小桥子桥桥墩及基础类型的选择与构造布置:由于工程地质条件上部土层软弱选用双柱式双孔灌注桩,并进行截面抗扭和抗剪强度的配筋、验算和桩基础的稳定性验算,使桥墩牢固稳定。
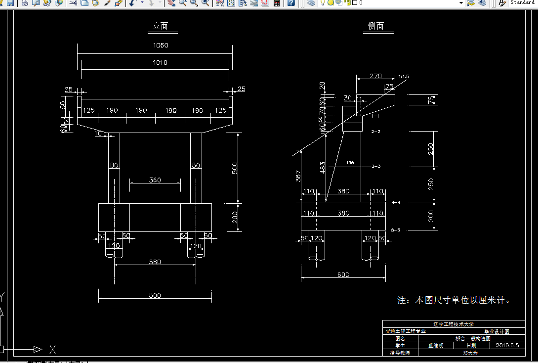
(三) 小桥子桥桥台及基础的类型选择与构造布置:通过比较各种桥优缺点选择经济、刚度大的框架埋置式桥台,并进行截面强度验算和配筋,使桥台稳定、耐用。
(四) 附属结构的设计:通过最大恒载和活载的支点剪力计算,选择构造简单、造价低的橡胶板式支座。
(五) 通过本设计的计算,本桥下部结构趋于合理。设计保证了厚俸桥的安全性、实用性、稳定性、可靠性及经济性。本桥的建成提高了京沈高速公路的通行能力,达到预期目的。
关键词:钻孔灌注桩;桥台;附属结构
目录
前言 1
1 桥型方案比选 2
1.1 设计资料 2
1.2 梁型方案比选 3
1.3 桥墩比选 5
1.4 桥台比选 6
2 支座的设计 7
2.1 板式橡胶支座的选用 7
2.2 计算支座反力 7
2.3 支座平面尺寸的确定 7
2.4 确定支座的厚度 8
2.5 支座偏转情况的验算 8
2.6 验算支座的抗滑稳定性 9
3 桥墩构造设计 10
3.1 桥墩类型和主要材料 10
3.2 桥墩截面尺寸拟定 10
3.3 盖梁计算 11
3.4 墩柱计算 30
3.5 桩基的设计 38
4 桥台的设计 45
4.1 桥台类型和主要材料 45
4.2 桥台一般构造尺寸的拟定 45
4.3 台帽计算 46
4.4 台墙计算 56
4.5 背墙计算 70
4.6 耳墙计算 71
4.7 桩基的设计 72
结论 80
致谢 81
参考文献 82
温馨提示:
1、题目前面的备注【字母数字编号】为本站整理分类的编号,与课题内容无关,请选题时忽视;
2、若题目上备注三维,则表示文件里包含三维源文件,由于三维组成零件数量较多,为保证预览截图的简洁性,本站将三维文件夹进行了打包。三维及CAD预览截图,均为本站电脑打开软件进行截图的,保证能够打开,下载原件超高清,下载后解压即可;
3、本站所有资源如无特殊说明,都需要本地电脑安装Office2007。图纸软件为AutoCAD,PROE,UG,SolidWorks,CATIA等;
4、本站所有图文资料仅供用户学习参考,不作为任何商用或其他用途;
5、本站不保证下载资源的准确性、安全性和完整性, 不包修改,不支持退换,同时也不承担用户因使用这些下载资源对自己和他人造成任何形式的伤害或损失;
6、 下载文件中如有侵权或不适当内容,请与我们联系,我们立即纠正。