欢迎来到龙图网在线图文分享平台-CAD图纸,设计说明书,工业设计3D模型,三维软件下载!   客服QQ:2363701252
热搜:

工艺夹具 模具设计 数控编程 土木工程 3D模型

F701-辽宁抚顺500td铜矿选矿厂初步设计 下载积分:150 资料编号: F701

1.打开支付宝或者微信扫描二维码。
2.填写金额:150 
3.添加备注,填写资料编号:
资料编号: F701
4.支付成功后,请发资料编号到邮箱:jxsj168@qq.com
会有专人在15分钟内把资料发到您邮箱
备注:如果付款忘记填写资料编号,则发邮件时附带您的交易明细截图即可。
请耐心等待,如超过30分钟还没收到,请联系客服QQ:2363701252
点击分享:

作品描述

作品包括:

Word版说明书1份,共105页,约21000字

CAD版本图纸,共10张


摘要


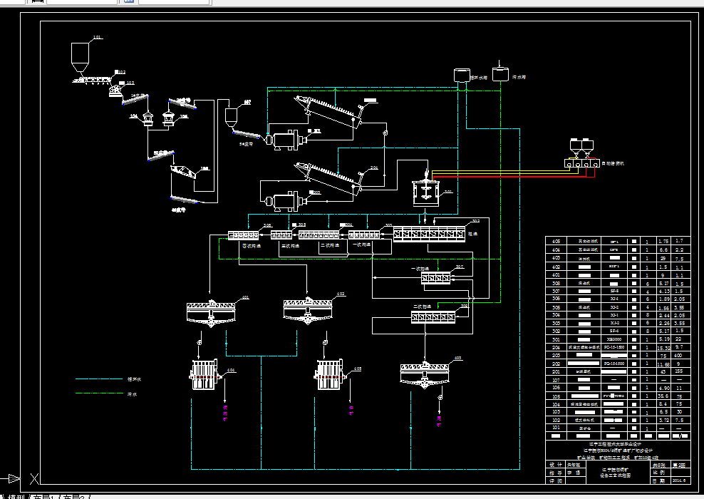
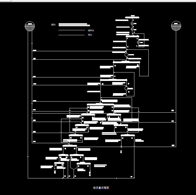
本次设计为辽宁抚顺500吨/天小型铜矿选矿厂初步设计,设计以辽宁抚顺矿石特性、选矿试验研究结果、可行性研究报告及处理同类矿石选矿厂生产实践等为依据。原矿中铜的品位1.12%,原矿含水3%,为中等可碎矿石。根据矿石性质,本设计选用三段一闭路破碎,两段一闭路磨矿,遵循了“多碎少磨”的原则,降低了能耗,节约了成本。选别流程选用一粗三精二扫选,最终产物铜精矿的品位达到26.97%,铜精矿回收率达到93.54%。所选的方案经济上合理,技术上可行。本次设计对破碎磨矿设备拟定两套方案,从而选择一套最优方案生产(破碎机,磨矿机的负荷率均达到80%以上),对辅助设备泵、皮带等进行了初步计算和选择。本次设计符合厂区环境保护,安全生产,预计三年半左右回本。本设计附数质量流程图,数质量矿浆流程图。

关键词:铜精矿;浮选;选矿厂

目 录


前言 1

1设计任务与资料来源 2

1.1设计任务 2

1.2资料来源 2

2厂区概况 3

2.1地理位置及交通概况 3

2.2地质条件 3

2.3气候特征 3

3矿石性质 4

3.1矿石特征 4

3.2矿石矿物组分 4

3.3矿石构造 4

3.4矿石的物理化学性质 5

3.4.1物理性质 5

3.4.2原矿多元素化学分析 5

4工艺流程的选择和计算 6

4.1车间工作制度 6

4.2破碎流程的计算与论证 6

4.2.1破碎流程的计算(方案一) 6

4.2.2破碎流程的计算(方案二) 8

4.3磨矿流程的选择与计算 11

4.4铜精矿选别流程的选择和计算 14

4.5锌矿选别流程的计算 20

5矿浆流程计算 23

5.1选别流程的矿浆计算 23

5.2浓缩流程的矿浆计算 29

5.3水量计算 31

6主要工艺设备的选择和计算 32

6.1破碎设备的选择和计算(方案一) 32

6.1.1粗碎设备的选择和计算 32

6.1.2中碎设备的选择和计算 33

6.1.3细碎设备的选择和计算 34

6.2破碎设备的选择和计算(方案二) 35

6.2.1粗碎设备的选择和计算 35

6.2.2中碎设备的选择和计算 36

6.2.3细碎设备的选择和计算 37

6.3筛分设备的选择和计算 39

6.4磨机的选择和计算 40

6.4.1一段磨机的选择和计算(方案一) 40

6.4.2一段磨机的选择和计算(方案二) 42

6.4.3二段磨机的选择和计算(方案一) 43

6.4.4二段磨机的选择和计算(方案二) 44

6.5分级设备的选择和计算 45

6.5.1一次分级设备的选择和计算 45

6.5.2二次分级设备的选择和计算 47

6.6浮选设备的选择和计算 48

6.6.1搅拌槽的计算与选择 48

6.6.2粗选设备的选择和计算 49

6.6.3一次精选设备的选择和计算 50

6.6.4二次精选设备的选择和计算 50

6.6.5三次精选设备的选择和计算 51

6.6.6四次精选设备的选择和计算 52

6.6.7一次扫选设备的选择和计算 52

6.6.8二次扫选设备的选择和计算 53

6.7浓缩机的选择和计算 54

6.7.1铜精矿浓缩机的选择和计算 54

6.7.2锌矿浓缩机的选择和计算 54

6.7.3尾矿浓缩机的选择和计算 55

6.8过滤设备的计算与选择 55

6.8.1铜精矿过滤设备的计算与选择 55

6.8.2锌精矿过滤设备的计算与选择 56

6.9主要设备一览表 56

7主要辅助设备的计算及选型 58

7.1给矿设备 58

7.2胶带运输机的计算及选型 59

7.3泵的计算及选型 61

7.4料仓选型 67

7.4.1原矿受矿仓 67

7.4.2粉矿仓 69

7.4.3铜精矿仓选择 71

7.4.4锌产品矿仓选择 74

7.5检修起重设备的选择和计算 76

8厂区环境保护、安全生产 77

8.1厂区环境保护 77

8.1.1设计依据 77

8.1.2项目主要污染物及治理措施 77

8.2安全与工业卫生 78

8.2.1设计依据 78

9选矿厂设计的技术经济分析与评价 79

9.1商品精矿总产值 79

9.2总投资的计算 79

9.2.1设备投资 79

9.2.2基建投资的计算 80

9.2.3营运投资的计算 80

9.3不可预见费用计算 82

9.4利润的计算 82

9.5投资利润率 83

9.6投资收益率 84

9.7投资回收期 84

10结 论 85

致 谢 86

参考文献 87

附录A 译文 88

附录B 外文文献 93


温馨提示:

1、题目前面的备注【字母数字编号】为本站整理分类的编号,与课题内容无关,请选题时忽视;

2、若题目上备注三维,则表示文件里包含三维源文件,由于三维组成零件数量较多,为保证预览截图的简洁性,本站将三维文件夹进行了打包。三维及CAD预览截图,均为本站电脑打开软件进行截图的,保证能够打开,下载原件超高清,下载后解压即可;

3、本站所有资源如无特殊说明,都需要本地电脑安装Office2007。图纸软件为AutoCAD,PROE,UG,SolidWorks,CATIA等;

4、本站所有图文资料仅供用户学习参考,不作为任何商用或其他用途;
5、本站不保证下载资源的准确性、安全性和完整性, 不包修改,不支持退换,同时也不承担用户因使用这些下载资源对自己和他人造成任何形式的伤害或损失;

6、 下载文件中如有侵权或不适当内容,请与我们联系,我们立即纠正。


线