

作品包括:
Word版说明书1份,共100页,约25000字
CAD版本图纸,共9张
摘要
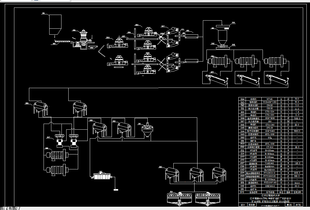
本次设计为辽宁聚鑫600万吨/年铁矿选矿厂初步设计。完成了对选矿厂选矿工艺流程确、流程计算、设备选型、厂房布置、图纸绘制等工作。该选矿厂设计采用三段破碎,一次抛尾,一段磨矿分级,三次磁选工艺,一次强磁尾矿处理,在一次水力旋流器分级后进行磨矿处理。在厂房布置时,根据选厂所处地形,顺山势而建,有效的利用了空间。本次设计采用阶段磨矿,阶段磁选的工艺流程,最大程度上的保证精矿品位和回收率,做到资源合理配置,达到技术经济指标。本次设计在最大程度上选择相同机器型号,以达到方便维修。而在该设计中尽量降低了车间的设备布置高度,并且采用阶梯型布置。从而绘制了工艺流程图;数质量工艺流程图;设备联系图;厂区布置图;破碎车间平面图、横剖图;磨矿车间平面图、横剖图以及纵剖图。设计计算了建厂费用和各种运营和设备费用还有选出矿粉的经济利润。通过以上计算的所得投资回收期为6.25年。经济指标较为合理。
关键词:选矿厂;铁矿;磁选;磨矿;分级;磁选机
目录
前言 1
1 选矿厂设计依据、设计任务与资料来源 2
1.1 选矿厂设计依据 2
1.2 资料来源 2
1.3 设计任务 2
2 厂区概况 3
2.1 矿区地理位置、行政和交通情况 3
2.2 气候情况 3
2.3 水文地质条件 4
2.4 工程地质和地震情况 4
2.5 水源供应及排水条件 4
2.6 建筑材料供应 4
2.7 电源供应 4
2.8 建筑材料供应 4
3 原矿供应及矿石类型 5
3.1 矿石的工业类型 5
3.2 矿石的矿物组成、结构及嵌布特征 5
4 选别工艺流程 6
5 破碎流程的计算 8
5.1 新建选矿厂规模 8
5.2 破碎流程的选择与计算 8
5.2.1 破碎流程的选择 8
5.2.2 破碎筛分流程的计算 9
5.2.3 破碎筛分流程计算统计 10
6 主厂房流程计算 12
6.1 主厂房工作制度、生产能力及设备作业率 12
6.2 选别流程计算 12
6.2.1 确定原始指标数 12
6.2.2 选取原始指标 13
6.2.3 流程计算 13
6.3 磨矿分级流程计算 16
6.3.1 一段磨矿分级流程计算 16
6.3.2 二段磨矿分级流程的计算 17
6.4 选别流程统计 17
7 矿浆流程计算 18
7.1 计算公式及原始指标的确定 18
7.1.1 计算公式 18
7.1.2 原始指标的确定 20
7.2 矿浆流程计算 21
7.2.1 计算液固比Rn 21
7.2.2 计算各作业、各产物水量 22
7.2.3 计算各作业、各产物补加水量 23
7.2.4 计算未知浓度Cn及其对应的液固比Rn 23
7.2.5 计算矿浆体积 24
7.2.6 计算选矿厂总排出水量 25
7.2.7 工艺过程耗水量 25
7.2.8 选矿厂总耗水量 25
7.2.9 选矿厂利用回水量 25
7.2.10 选矿厂补加新水量 25
7.2.11 单位耗水量 25
7.3 矿浆流程统计 26
8 破碎筛分设备的选择与计算 27
8.1 粗碎设备的选择与计算 27
8.1.1 计算所需原始指标 27
8.1.2 初拟设备 27
8.1.3 设备计算 27
8.2 中碎设备的选择与计算 29
8.2.1 初拟设备 29
8.2.2 设备计算 30
8.3 细碎设备的选择与计算 33
8.3.1 初拟设备 33
8.3.2 设备计算 33
8.4 筛分设备的选择与计算 36
8.4.1 初拟设备 36
8.4.2 设备计算 36
8.5 抛尾设备的选取 37
8.6 破碎筛分一览表 38
9 主厂房主要设备的选择与计算 39
9.1 磨矿设备的选择 39
9.1.1 计算公式 39
9.1.2 一段磨矿设备选择与计算 40
9.1.3 二段磨矿设备的选择 43
9.2 分级设备的选择 46
9.2.1 一段磨矿分级设备选择与计算 46
9.2.2 二段磨矿分级设备的选择与计算 47
9.3 选别设备的选择与计算 48
9.3.1 一段磁选机的选择 48
9.3.2 二段磁选机的选择 49
9.3.3 三段磁选机的选择 49
9.3.4 脱水磁选机的选择 49
9.3.5 强磁磁选机的选择 50
9.4 主厂房主要设备一览表 50
10 辅助设备的选择 51
10.1 给矿机的选择与计算 51
10.1.1 破碎给矿设备的选择 51
10.1.2 磨矿给矿设备的选择 52
10.2 胶带及刮板运输机的选择与计算 53
10.2.1 计算公式 53
10.2.2 皮带0号机的选择与计算(粗碎产品运到中碎) 54
10.2.3 皮带1号机的选择与计算(中细碎产品运到筛分) 55
10.2.4 皮带2号机的选择与计算(细碎机产品给到1号皮带) 55
10.2.5 皮带3号机选择与计算(振动筛筛上物料运到细碎矿仓) 56
10.2.7 皮带4号机的选择与计算(筛上物料运到3号皮带) 57
10.2.8 皮带5号机的选择与计算(振动筛筛下物到磁滑轮) 58
10.2.9 皮带6号机的选择与计算(筛下物到5号皮带) 59
10.2.10 皮带7号机的选择与计算(磁滑轮到刮板运输机) 60
10.2.11 皮带及其对应辅助设备统计 61
10.2.12 刮板运输机的选择 61
10.3 砂泵的选择与计算 62
10.3.1 计算公式 62
10.3.2 旋流分级给矿用砂泵计算 63
10.3.3 砂泵统计 64
10.4 矿仓计算 64
10.4.1 计算公式 64
10.4.2 粗碎挤满给矿矿仓的计算(选用矩形漏斗矿仓) 65
10.4.3 磨矿矿仓计算(选用高架式圆型锥底仓) 66
10.5 过滤设备的选择与计算 67
10.6 浓缩设备的选择与计算 67
10.7 检修用起重设备选择与统计 68
11 尾矿设施与环境保护 69
11.1 排出厂外尾矿特征 69
11.2 尾矿库的位置及尾矿的输送 69
11.3 尾矿库安全 69
12 设备配置说明及辅助设施 72
12.1 破碎厂房配置 72
12.1.1 粗碎厂房配置 72
12.1.2 中细碎、筛分厂房配置 72
12.2 主厂房配置 72
12.3 辅助设施 73
13 选矿厂设计的技术经济分析与评价 74
13.1 商品精矿总产值 74
13.2 总投资的计算 74
13.2.1 设备投资 74
13.2.2 基建投资的计算 76
13.2.3 营运投资的计算 76
13.3 不可预见费用计算 77
13.4 利润的计算 77
13.5 投资利润率 78
13.6 投资收益率 78
13.7 投资回收期 79
14 结论 80
致谢 81
参考文献 82
附录A 译文 83
附录B 外文文献 87
温馨提示:
1、题目前面的备注【字母数字编号】为本站整理分类的编号,与课题内容无关,请选题时忽视;
2、若题目上备注三维,则表示文件里包含三维源文件,由于三维组成零件数量较多,为保证预览截图的简洁性,本站将三维文件夹进行了打包。三维及CAD预览截图,均为本站电脑打开软件进行截图的,保证能够打开,下载原件超高清,下载后解压即可;
3、本站所有资源如无特殊说明,都需要本地电脑安装Office2007。图纸软件为AutoCAD,PROE,UG,SolidWorks,CATIA等;
4、本站所有图文资料仅供用户学习参考,不作为任何商用或其他用途;
5、本站不保证下载资源的准确性、安全性和完整性, 不包修改,不支持退换,同时也不承担用户因使用这些下载资源对自己和他人造成任何形式的伤害或损失;
6、 下载文件中如有侵权或不适当内容,请与我们联系,我们立即纠正。