欢迎来到龙图网在线图文分享平台-CAD图纸,设计说明书,工业设计3D模型,三维软件下载!   客服QQ:2363701252
热搜:

工艺夹具 模具设计 数控编程 土木工程 3D模型

F716-三河尖煤矿4.0Mta炼焦煤选煤厂初步设计 下载积分:150 资料编号: F716

1.打开支付宝或者微信扫描二维码。
2.填写金额:150 
3.添加备注,填写资料编号:
资料编号: F716
4.支付成功后,请发资料编号到邮箱:jxsj168@qq.com
会有专人在15分钟内把资料发到您邮箱
备注:如果付款忘记填写资料编号,则发邮件时附带您的交易明细截图即可。
请耐心等待,如超过30分钟还没收到,请联系客服QQ:2363701252
点击分享:

作品描述

作品包括:

Word版说明书1份,共123页,约37000字

CAD版本图纸,共7张


摘要


本设计为三河尖煤炼焦煤选煤厂初步设计,主要产品是炼钢精煤、配焦煤、煤泥产品。年产量为4.0Mt,年工作时间为330天,日工作班时为8小时,两班生产一班检修。

设计首先根据三河尖矿提供的原煤数据进行煤样的初步整理,将两层煤数据综合,由破碎和筛分数据绘制可选性曲线,原煤的可选性为较难选。

选煤方案最终定为混合入选,主选采用三产品重介旋流器,精煤产品采用TZ-12型离心脱水机进行脱水处理;重介回收系统采用二段磁选,回收重介质。煤泥采用直接浮选流程;浮选精煤用盘式真空压滤回收,提高了精煤产率;浮选尾煤采用压滤机进行回收处理。

确定主选方案后进行流程制定,进行数质量计算,设备选型,厂区平面图绘制,主厂房布置图绘制。

关键词:选煤厂;重介系统;炼焦煤;


目录


前言 1

1 厂区概况 2

1.1 地理位置、行政区域及交通情况 2

1.1.1 地理位置及行政管理 2

1.1.2 交通情况 2

1.2 厂区地理概况 2

1.3 气象及地震 3

1.4 水源和电源 3

2 原料煤基地概况 4

2.1 自然概况 4

2.2 煤层及可采煤层 4

2.3 煤的物理性质 5

3 煤质资料分析及可选性评定 6

3.1 煤样工业分析指标及筛分浮沉结果 6

3.1.1 煤样工业分析指标 6

3.1.2 煤样筛分浮沉结果表 6

3.2 煤样筛分资料整理分析与综合 9

3.2.1 筛分资料的综合 9

3.2.1 浮沉资料综合 11

3.2.2 筛分浮沉资料的灰分校正 13

3.3 可选性曲线的绘制及可选性评定 15

3.3.1 绘制可选性曲线 15

3.3.2 原煤的可选性评定 16

4 入选方式的对比与分析 17

4.1 入选方式的对比与确定综述 17

4.2 混合入选方案的理论分析 17

4.2.1 混合入选原煤的筛分资料综合 17

4.2.2 选煤可选性曲线 18

4.2.3 选煤产品预测 19

4.3 分级方案的理论分析 20

4.3.1 分级方案的原煤筛分资料综合 20

4.3.2 选煤产品预测 25

4.4 两种方案的理论对比与方案确定 29

4.4.1 混合入选方案选煤数据整理 29

4.4.2 分级入选方案选煤数据整理 29

4.5 选煤方案的确定 30

5 选煤方法与工艺流程的制定 31

5.1 选煤方法与入选方式 31

5.2 动筛跳汰分选指标计算 31

5.3 重介质分选指标计算 33

5.4 选煤工艺流程的最终确定 36

6 工艺流程数质量计算 38

6.1 选煤厂每小时处理能力计算 38

6.2 准备作业数质量计算 38

6.2.1 筛分作业计算 38

6.2.2 动筛排矸作业计算 39

6.2.3 破碎作业计算 39

6.2.4 分级入料作业计算 39

6.3 重介分选作业数质量计算 40

6.4 浮选作业流程计算 62

6.5 产品、介质、水量平衡一览表 65

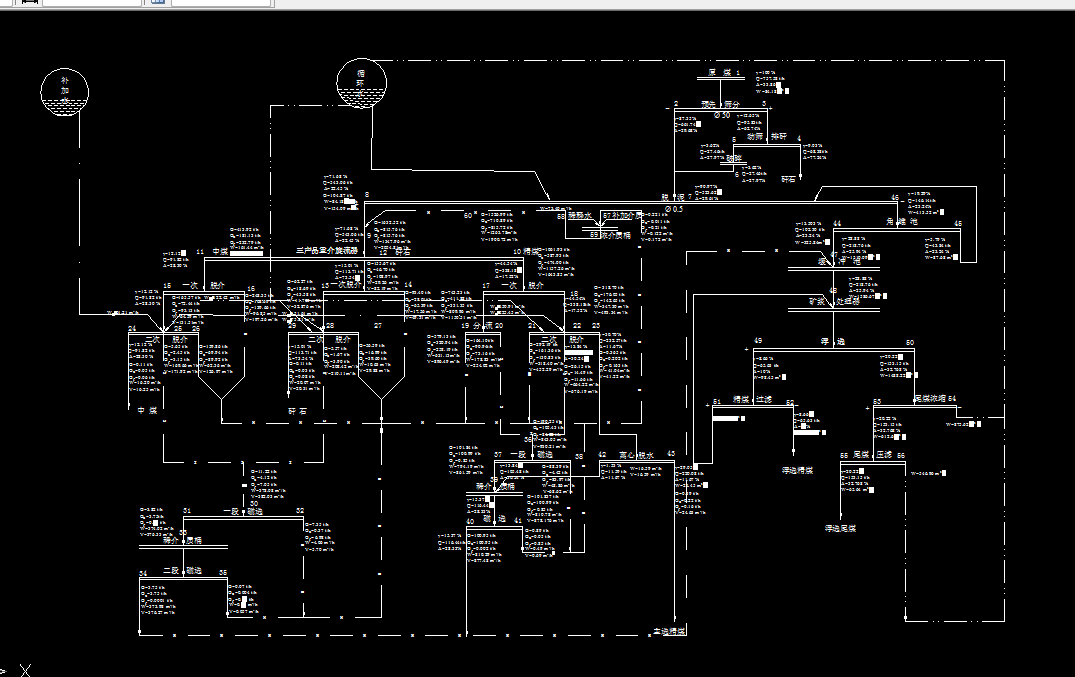
6.6 数质量流程图 66

7 设备选型与计算 67

7.1 筛分设备的选型与计算 67

7.1.1 预选筛分设备 67

7.1.2 预先脱泥设备 67

7.1.3 主选精煤脱介筛 68

7.1.4 主选中煤脱介筛 69

7.1.5 主选矸石脱介筛 70

7.2 破碎设备的选型与计算 71

7.3 分选设备的选型与计算 72

7.3.1 跳汰分选机 72

7.3.2 重介旋流器设备选型 72

7.3.3 浮选设备选型 73

7.4 介质回收设备的选型与计算 74

7.5 脱水设备的选型与计算 76

7.5.1 离心脱水机 76

7.5.2 浮选精煤过滤机 76

7.5.3 尾煤压滤设备 77

7.6 浓缩设备的选型与计算 77

7.7 辅助设备的选型与计算 78

7.7.1 带式输送机 78

7.7.2 刮板输送机 80

7.8 桶的选型与计算 81

7.8.1 三产品重介旋流器合格介质桶 81

7.8.2 稀介质桶 82

7.8.3 三产品重介旋流器中煤、矸石稀介质桶 82

7.8.4 循环水桶 83

7.8.5 清水水桶 83

7.9 设备选型汇总 84

8 厂房内工作条件的该善 85

8.1 噪音的预防与治理 85

8.2 粉尘的清除与治理 86

8.3 厂区内环境的保护 86

9 选煤厂技术经济指标 88

9.1 劳动定员的编制 88

9.1.1 劳动定员 88

9.1.2 劳动定员汇总表 88

9.2 选煤厂生产成本估算 89

9.2.1 总成本 89

9.2.2 分离后成本 89

9.3 选煤厂建设投资概算 91

9.3.1 工程概算结构形式与组成 91

9.3.2 总概算 91

9.4 主要技术经济指标 92

9.5 经济评价 93

9.5.1 总利润 93

9.5.2 投资利润率 93

9.5.3 投资收益率 93

9.5.4 投资回收期 93

10 结论 95

致 谢 96


温馨提示:

1、题目前面的备注【字母数字编号】为本站整理分类的编号,与课题内容无关,请选题时忽视;

2、若题目上备注三维,则表示文件里包含三维源文件,由于三维组成零件数量较多,为保证预览截图的简洁性,本站将三维文件夹进行了打包。三维及CAD预览截图,均为本站电脑打开软件进行截图的,保证能够打开,下载原件超高清,下载后解压即可;

3、本站所有资源如无特殊说明,都需要本地电脑安装Office2007。图纸软件为AutoCAD,PROE,UG,SolidWorks,CATIA等;

4、本站所有图文资料仅供用户学习参考,不作为任何商用或其他用途;
5、本站不保证下载资源的准确性、安全性和完整性, 不包修改,不支持退换,同时也不承担用户因使用这些下载资源对自己和他人造成任何形式的伤害或损失;

6、 下载文件中如有侵权或不适当内容,请与我们联系,我们立即纠正。


线