

作品包括:
Word版说明书1份,共55页,约12000字
任务书一份
开题报告一份
外文翻译一份
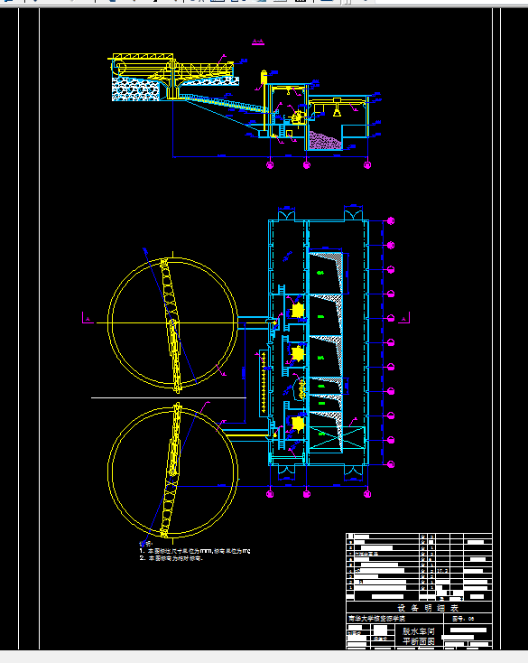
CAD版本图纸,共6张
年处理10万吨铜镍矿的分选厂工艺设计
摘要:依据毕业设计任务书的要求,进行了年处理量10万吨铜镍矿的分选厂工艺设计,最终产品为铜精矿和镍精矿。原矿最大粒度为350mm,原矿品位为铜5.06%,镍2.55%,主要是以硫化铜和硫化镍的形式存在,根据实际情况和现场条件,制定了合理的车间工作制度,确定了设计工艺流程(破碎流程是三段一闭路,磨矿是带检查分级的一段磨矿流程,浮选分两段进行,第一段是铜镍混合浮选,采用一粗二精二扫的流程,第二段铜镍分离)。经过计算,最终得到铜的品位是22.61,铜回收率92.20%,镍的品位是11.01,镍的回收率91.71%。
关键词:铜镍矿 硫化铜 硫化镍
目录
引言 1
第一章 绪 论 1
1.1矿床与原矿性质 2
1.1.1矿床性质 2
1.1.2原矿性质 2
1.2选矿厂规模、工作制度和生产能力 2
1.2.1选矿厂工作制度和设备作业率 2
1.2.2处理量的计算 3
第二章 流程的选择与计算 4
2.1破碎流程的选择与计算 5
2.1.1破碎流程的选择 5
2.1.2破碎流程的计算 7
2.1.3破碎数质量流程图(见附表1) 12
2.2磨矿流程的选择与计算 12
2.2.1磨矿流程的选择 12
2.2.2磨矿流程的计算 13
2.3.选别流程的选择与计算 14
2.3.1流程的选择 14
2.3.2选别流程的计算 15
2.4矿浆流程的计算 24
2.4.1 计算内容、目的及原理 24
2.4.2 计算步骤 24
2.4.2.2铜镍分离 28
2.4.3数质量及矿浆流程(见附2) 30
2.5.脱水流程的选择 30
第三章.选矿设备的选择与计算 31
3.1选矿设备的选择原则 32
3.2破碎设备的选择和计算 32
3.2.1粗碎选用颚式破碎机 32
3.2.2中碎选用标准圆锥破碎机. 32
3.2.3细碎选用短头圆锥破碎机 33
3.2.4需要破碎机台数的计算 33
3.3 筛分设备的选择 33
3.3.1第一段破碎的预先筛分 33
3.3.2第二段破碎的预先筛分。 34
3.3.3第三段破碎的预先及检查筛分。 35
3.4 磨矿设备的选择和计算 35
3.5 分级设备的选择 37
3.6 浮选设备的选择和计算 39
3.6.1铜镍混选流程 39
3.6.2铜镍分离流程 41
3.6.3 搅拌槽的选择和计算 42
3.7脱水设备的选择和计算 42
3.8过滤机选择和计算 43
第四章:辅助设备的计算 44
4.1矿仓 44
4.1.1.矿仓的主要作用: 44
4.1.2矿仓的选择 44
4.2起重设备 45
4.3胶带运输机 45
第五章.总体布置与设备配置 48
5.1厂房的总体布置 48
5.2厂内设备布置 49
5.3破碎厂房的设备配置 50
5.4磨浮车间设备配置 50
5.6设计图纸 51
5.7结论 51
参考文献 52
致谢 54
温馨提示:
1、题目前面的备注【字母数字编号】为本站整理分类的编号,与课题内容无关,请选题时忽视;
2、若题目上备注三维,则表示文件里包含三维源文件,由于三维组成零件数量较多,为保证预览截图的简洁性,本站将三维文件夹进行了打包。三维及CAD预览截图,均为本站电脑打开软件进行截图的,保证能够打开,下载原件超高清,下载后解压即可;
3、本站所有资源如无特殊说明,都需要本地电脑安装Office2007。图纸软件为AutoCAD,PROE,UG,SolidWorks,CATIA等;
4、本站所有图文资料仅供用户学习参考,不作为任何商用或其他用途;
5、本站不保证下载资源的准确性、安全性和完整性, 不包修改,不支持退换,同时也不承担用户因使用这些下载资源对自己和他人造成任何形式的伤害或损失;
6、 下载文件中如有侵权或不适当内容,请与我们联系,我们立即纠正。