欢迎来到龙图网在线图文分享平台-CAD图纸,设计说明书,工业设计3D模型,三维软件下载!   客服QQ:2363701252
热搜:

工艺夹具 模具设计 数控编程 土木工程 3D模型

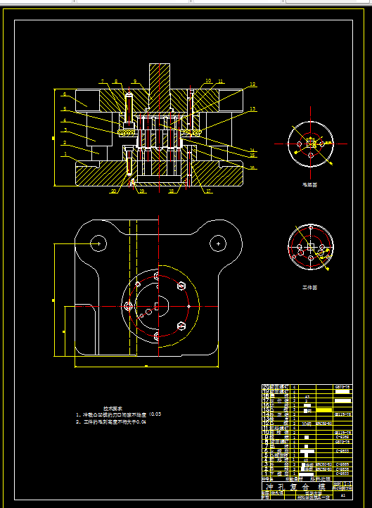
G035-制动盒外壳的冲压工艺与模具设计[4套模具] 下载积分:50 资料编号: G035

1.打开支付宝或者微信扫描二维码。
2.填写金额:50 
3.添加备注,填写资料编号:
资料编号: G035
4.支付成功后,请发资料编号到邮箱:jxsj168@qq.com
会有专人在15分钟内把资料发到您邮箱
备注:如果付款忘记填写资料编号,则发邮件时附带您的交易明细截图即可。
请耐心等待,如超过30分钟还没收到,请联系客服QQ:2363701252
点击分享:

作品描述

作品包括:

Word版说明书一份,共30页,约10000字

外文翻译一份

CAD版本图纸,共18张:


目录

摘要

1  前言…………………………………………………………………………4

2  零件的冲压工艺分析………………………………………………………5

3  零件冲压工艺方案的拟订和计算…………………………………………6

3.1零件冲压工艺方案的拟订…………………………………………………6

3.2零件冲压工艺方案的计算…………………………………………………7

4   零件冲压工艺方案的确定…………………………………………………9

5   模具总装图的设计与计算………………………………………………10

5.1落料,拉深,冲孔复合模的设计…………………………………………10

5.1.1冲裁排样方式的设计及计算:…………………………………………10

5.1.2第一副模具各工序压力的计算及压力机的初步选用…………………11

5.1.3模具类型及结构形式的选择与计算……………………………………12

5.1.4模具工作部分刃口尺寸和公差的计算…………………………………13

5.1.5模具其他零件的设计与计算……………………………………………15

5.2、整形模具的设计与计算:…………………………………………………18

5.2.1整形力工序压力的计算与压力机的初步选用:………………………18

5.2.2模具结构类型及形式的选择与设计……………………………………19

5.2.3凸凹模工作部分刃口及公差的计算……………………………………19

5.2.4模具其他零件的设计与计算:…………………………………………19

5.3、冲孔模具的设计与计算:…………………………………………………21

5.3.1各工序压力的计算: ……………………………………………………21

5.3.2冲孔凸凹模刃口的计算…………………………………………………21

5.3.3模具结构形式的选择……………………………………………………22

5.3.4模具其它结构零件的设计与计算………………………………………23

5.4、切边模具的设计与计算:…………………………………………………25

5.4.1工序压力的计算:………………………………………………………25

5.4.2模具类型及结构形式的选择……………………………………………25

5.4.3模具工作部分刃口尺寸和公差的计算…………………………………25

5.4.4模具其它结构零件的设计与计算………………………………………26

6 技术经济分析………………………………………………………………27

 总结……………………………………………………………………………29

参考资料………………………………………………………………………30

致谢…………………………………………………………………………….31

摘    要:

本次毕业设计是制动盒外壳的冲压工艺与设计。毕业设计是对所学知识的一次运用实践,通过毕业设计我们可以查漏补缺,为以后的学习和工作打下坚实的基础。当拿到一个工件来进行模具设计时,我们应当首先对工件进行工艺分析。因为可能有很多种不同的制造方法,不同的方法得到制件的质量可能不一样,并且模具制造成本也可能相差很大,所以我们必须从工件的质量和生产经济角度出发,选择最佳的设计方法和工艺方案。经分析比较,此制动盒外壳采用冲压工艺生产。

关 键 词:冲压工艺、模具设计、工艺方案


温馨提示:

1、题目前面的备注【字母数字编号】为本站整理分类的编号,与课题内容无关,请选题时忽视;

2、若题目上备注三维,则表示文件里包含三维源文件,由于三维组成零件数量较多,为保证预览截图的简洁性,本站将三维文件夹进行了打包。三维及CAD预览截图,均为本站电脑打开软件进行截图的,保证能够打开,下载原件超高清,下载后解压即可;

3、本站所有资源如无特殊说明,都需要本地电脑安装Office2007。图纸软件为AutoCAD,PROE,UG,SolidWorks,CATIA等;

4、本站所有图文资料仅供用户学习参考,不作为任何商用或其他用途;
5、本站不保证下载资源的准确性、安全性和完整性, 不包修改,不支持退换,同时也不承担用户因使用这些下载资源对自己和他人造成任何形式的伤害或损失;

6、 下载文件中如有侵权或不适当内容,请与我们联系,我们立即纠正。


线