欢迎来到龙图网在线图文分享平台-CAD图纸,设计说明书,工业设计3D模型,三维软件下载!   客服QQ:2363701252
热搜:

工艺夹具 模具设计 数控编程 土木工程 3D模型

H093-200m3d医院污水处理厂设计 下载积分:50 资料编号: H093

1.打开支付宝或者微信扫描二维码。
2.填写金额:50 
3.添加备注,填写资料编号:
资料编号: H093
4.支付成功后,请发资料编号到邮箱:jxsj168@qq.com
会有专人在15分钟内把资料发到您邮箱
备注:如果付款忘记填写资料编号,则发邮件时附带您的交易明细截图即可。
请耐心等待,如超过30分钟还没收到,请联系客服QQ:2363701252
点击分享:

作品描述

作品包括:

Word版说明书一份,共37页,约22000字

CAD版本图纸,共7张:

 

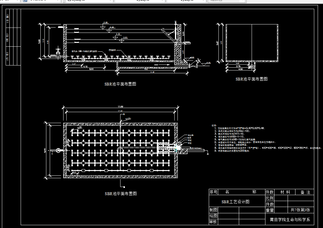
摘  要:本设计根据闽北某医院废水水质、水量特点;设计规模Q=200m3/d,进水SS=150mg/L。采用SBR(间歇式活性污泥法)工艺的污水处理厂。本文简述医院污水的处理方法,根据对医院污水处理现状的研究,通过对综合医院及传染医院污水的分类,提出了三种污水处理工艺:1、加强处理效果的一级处理2、二级处理3、简易生化处理及污泥处理工艺。在总结医院污水处理方法的基础上,提出医院污水处理技术及工艺,并对其装置进行研究,为医院的污水处理提供一种新途径.综合比较目前国内常用的医院污水消毒处理方法,介绍消毒剂的种类和有效氯含量,论述各种消毒工艺的优缺点。介绍了综合医院污水治理采用的SBR工艺方法.工程核心构筑物———SBR反应器经调试试运行后,达到了预期的安全、高效的设计原则,为我国综合医院污水的治理提供了技术改造要点及可行性经验。利用SBR法配合消毒工艺处理医院废水,各项指标均取得了较好的处理效果。


关键词:  SBR 废水 处理工艺


目录

1  总论

1.1  医院污水处理的必要性…………………………………………………………………1

1.2  现行医院污水污物污染治理概况………………………………………………………1

1.3  医院污水处理站处理规模与治理目标…………………………………………………3

1.3.1  医院污水处理站建设规模…………………………………………………………3

1.3.2  医院污水处理站设计进出水水质…………………………………………………3

1.4  设计原则…………………………………………………………………………………4

1.4.1  医院污水处理站设计的一般原则…………………………………………………4

1.4.2  医院污水处理设计程序……………………………………………………………4

1.4.3  设计范围……………………………………………………………………………4

1.4.4  设计依据……………………………………………………………………………5

2  医院污水处理站工艺方案的确定……………………………………………………………6

2.1  绪论………………………………………………………………………………………6

2.2  活性污泥法工艺的确定…………………………………………………………………7

2.3  医院污水消毒处理技术的选择…………………………………………………………9

2.3.1  各消毒法简介………………………………………………………………………9

2.3.2  消毒方法的确定……………………………………………………………………10

2.3.3  医院污泥处理………………………………………………………………………11

2.3.4  污水处理站位置的选择……………………………………………………………11

2.3.5  工艺构筑物及设备…………………………………………………………………11

3  医院污水处理工艺设计计算…………………………………………………………………13

3.1格栅设计计算………………………………………………………………………………13

3.1.1  设计概述……………………………………………………………………………13

3.1.2  设计计算……………………………………………………………………………13

3.2  调节池设计计算…………………………………………………………………………16

3.2.1  设计概述……………………………………………………………………………16

3.2.2  调节池的容积设计计算……………………………………………………………17

3.2.3  调节池的尺寸………………………………………………………………………17

3.2.4  设备选型……………………………………………………………………………17

3.3  SBR池设计计算…………………………………………………………………………18

3.3.1  设计概述……………………………………………………………………………18

3.3.2  SBR池设计计算……………………………………………………………………21

3.4  接触池设计计算…………………………………………………………………………26

3.4.1  概述…………………………………………………………………………………26

3.4.2  接触池设计计算……………………………………………………………………27

4  医院污水处理站总体布置……………………………………………………………………29

4.1  污水处理站的平面布置…………………………………………………………………29

4.1.1  污水站平面布置原则………………………………………………………………29

4.1.2  污水站的平面布置…………………………………………………………………29

4.2  污水站的高程布置………………………………………………………………………31

4.2.1  污水站高程布置原则………………………………………………………………31

4.2.2  高程布置时的注意事项……………………………………………………………32

5  公用设施及辅助设施建筑物…………………………………………………………………34

5.1 公用设施……………………………………………………………………………………34

5.2 辅助建筑物…………………………………………………………………………………34

参考文献


温馨提示:

1、题目前面的备注【字母数字编号】为本站整理分类的编号,与课题内容无关,请选题时忽视;

2、若题目上备注三维,则表示文件里包含三维源文件,由于三维组成零件数量较多,为保证预览截图的简洁性,本站将三维文件夹进行了打包。三维及CAD预览截图,均为本站电脑打开软件进行截图的,保证能够打开,下载原件超高清,下载后解压即可;

3、本站所有资源如无特殊说明,都需要本地电脑安装Office2007。图纸软件为AutoCAD,PROE,UG,SolidWorks,CATIA等;

4、本站所有图文资料仅供用户学习参考,不作为任何商用或其他用途;
5、本站不保证下载资源的准确性、安全性和完整性, 不包修改,不支持退换,同时也不承担用户因使用这些下载资源对自己和他人造成任何形式的伤害或损失;

6、 下载文件中如有侵权或不适当内容,请与我们联系,我们立即纠正。


线