

作品包括:
Word版说明书1份,共29页,约8700字
CAD版本图纸,共7张
摘要
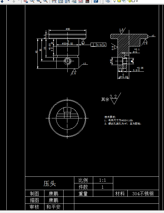
本文设计并制造了一套适用于测量搭接接头剪切强度的实验装置,可用于测量钎焊或瞬时液相扩散焊等的搭接接头,该装置属于套筒式紧凑结构,采用压力加载,最大承载为24KN,以304不锈钢为主框架,剪切刀头采用硬质合金。可测量搭接接头试样尺寸的范围为:长度12~20mm,宽度5~15mm,厚度1~3mm,搭接长度为8~12mm,为方便起见设定试样尺寸为20×10×2mm,搭接长度为10mm。采用该夹具进行一系列剪切试验,通过观察剪切试样的断口,分析剪切强度试验数据,进一步明确了该套装置的实用范围。由试验过程分析,该装置能够使搭接面处于单纯的剪切状态,测量结果更加精确,更符合理论值。同时该夹具的对试样尺寸要求较小,可适用于脆硬性材料和较软材料,且该夹具本身加工简单、容易操作,使用寿命较长。
关键词:搭接接头;剪切强度;夹具
?
目录
摘要 I
Abstract II
第一章 绪论 1
1.1 引言 1
1.2 背景技术 1
1.3 夹具设计预期目标 4
第二章 结构设计 5
2.1材料的选择 6
2.1.1不锈钢 6
2.1.2硬质合金 6
2.2夹具强度校核 8
第三章 加工工艺 9
3.1 机加工 11
第四章 实验方法及检测 16
4.1实验用设备 16
4.1.1软件系统 16
4.1.2主要技术参数 16
4.1.3应用范围 16
4.2实验方法 17
4.2实验结果检验分析 19
第五章总结 22
致谢 23
参考文献 24
附录一零件图及装配图 25
附录二零件加工工艺卡 32
温馨提示:
1、题目前面的备注【字母数字编号】为本站整理分类的编号,与课题内容无关,请选题时忽视;
2、若题目上备注三维,则表示文件里包含三维源文件,由于三维组成零件数量较多,为保证预览截图的简洁性,本站将三维文件夹进行了打包。三维及CAD预览截图,均为本站电脑打开软件进行截图的,保证能够打开,下载原件超高清,下载后解压即可;
3、本站所有资源如无特殊说明,都需要本地电脑安装Office2007。图纸软件为AutoCAD,PROE,UG,SolidWorks,CATIA等;
4、本站所有图文资料仅供用户学习参考,不作为任何商用或其他用途;
5、本站不保证下载资源的准确性、安全性和完整性, 不包修改,不支持退换,同时也不承担用户因使用这些下载资源对自己和他人造成任何形式的伤害或损失;
6、 下载文件中如有侵权或不适当内容,请与我们联系,我们立即纠正。