

作品包括:
Word版说明书1份,共66页,约21000字
CAD版本图纸,共3张
摘 要
本次设计题目为长江机械厂供配电系统设计,该系统通过降压变压器与10kv公共电源干线相连,然后向工厂供给电能。该校包括了工厂生产区和生活区,用电负荷较大,对供电可靠性要求也较高。因此,必须采用可靠性较高的接线形式。
本次设计主要内容包括:负荷计算、短路电流计算、电气主接线的设计、电气设备的选择与校验(包括主变压器的选择、断路器及隔离开关的选择与校验、导体的选择与校验、电流互感器的选择与校验、电压互感器的选择和避雷器的选择等)和变配电所的布置与结构设计。其中,主接线代表了变配电所主体结构,它对各种电气设备的选择、配电装置的布置、继电保护、自动装置和控制方式的拟定都有决定性的关系,并将长期影响电力系统运行的可靠性、安全性、灵活性和经济性。
在设计的过程中,本人参阅了大量的供配电系统设计、变配电所设计、建筑电气设计规范等相关的规范和设计手册,最后对该工厂供配电系统进行了初步设计。本设计为毕业设计,其目的是通过设计实践,综合运用所学知识,理论联系实际,锻炼独立分析和解决电气设计问题的能力,为未来的工作奠定坚实的基础。
关键字:变电所 开关设备 母线 继电保护
目 录
摘要
Abstract
第一章 概 述 1
1.1 设计的对象 1
1.2 设计的主要任务 1
1.3 供配电系统设计的原则 1
1.4 设计的原始资料 1
第二章 设计部分 5
2.1负荷计算与无功补偿 5
2.1.1 负荷计算 5
2.1.2 无功补偿 10
2.2 变配电所主变压器和主接线方案 17
2.2.1 主变压器的选择 17
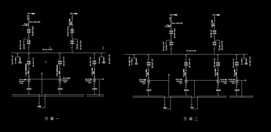
2.2.2 变配电所主接线方案的选择 19
2.3. 变配电所位置和型式的选择 23
2.3.1 变配电所的所址选择 23
2.3.2 变配电所型式的选择 25
2.4. 短路电流的计算 25
2.4.1 计算短路电流的目的 25
2.4.2 短路计算的方法 26
2.4.3 用标么值法计算短路电流的依据 26
2.4.4 短路电流的计算过程与结果 28
2.5. 变配电所一次设备的选择校验 31
2.5.1 一次设备选择与校验的条件与项目 31
2.5.2 一次设备选择依据 32
2.5.3 一次侧设备的选择校验 34
2.5.4 高低压母线的选择 37
2.6. 变配电所进出线的选择 38
2.6.1 变配电所进出线导线和电缆型式的选择原则 38
2.6.2 导线和电缆截面的选择依据 38
2.6.3 作为备用电源的高压联络线的选择校验 43
2.7. 变配电所二次回路方案的选择与继电保护的整定 45
2.7.1高压断路器的操动机构控制与信号回路 45
2.7.2 变配电所的电能计量回路 45
2.7.3 变配电所的测量和绝缘监察回路 45
2.7.4 变配电所的保护装置 47
2.8.变配电所的防雷保护与接地装置的设计 53
2.8.1变配电所的防雷保护 53
2.8.2变配电所公共接地装置的设计(与1kv以下系统共用的接地装置) 53
总 结 56
参考文献 57
附录一 外文资料翻译 58
1. 原文 58
2. 译文 64
附录二 工厂平面图
附录三 变配电所主接线
温馨提示:
1、题目前面的备注【字母数字编号】为本站整理分类的编号,与课题内容无关,请选题时忽视;
2、若题目上备注三维,则表示文件里包含三维源文件,由于三维组成零件数量较多,为保证预览截图的简洁性,本站将三维文件夹进行了打包。三维及CAD预览截图,均为本站电脑打开软件进行截图的,保证能够打开,下载原件超高清,下载后解压即可;
3、本站所有资源如无特殊说明,都需要本地电脑安装Office2007。图纸软件为AutoCAD,PROE,UG,SolidWorks,CATIA等;
4、本站所有图文资料仅供用户学习参考,不作为任何商用或其他用途;
5、本站不保证下载资源的准确性、安全性和完整性, 不包修改,不支持退换,同时也不承担用户因使用这些下载资源对自己和他人造成任何形式的伤害或损失;
6、 下载文件中如有侵权或不适当内容,请与我们联系,我们立即纠正。