

作品包括:
Word版说明书一份,31页,约6300字
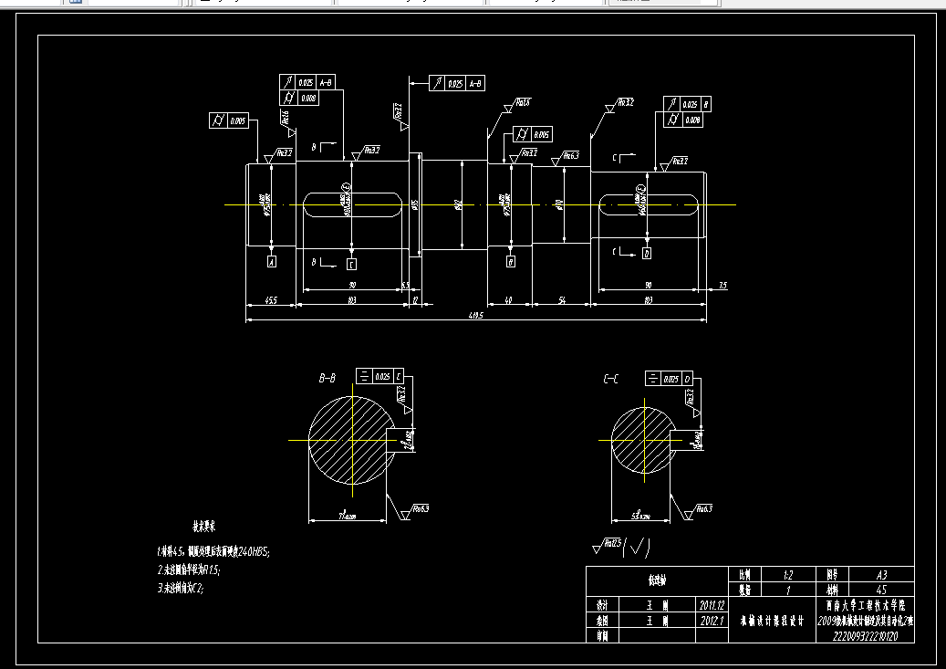
CAD版本图纸,共4张
目录
1 引言 2
2 传动装置的总体设计 3
2.1电动机的选择 3
2.1.1电动机类型的选择 3
2.1.2电动机功率的确定 3
2.1.3确定电动机转速 3
2.2总传动比的计算和分配各级传动比 4
2.3传动装置的运动和动力参数计算 4
3 传动零件的设计计算 5
3.1第一级齿轮传动的设计计算 5
3.2第二级齿轮传动的设计计算 10
4 箱体尺寸计算与说明 15
5 装配草图的设计 16
5.1初估轴径 16
5.2初选联轴器 17
5.3初选轴承 17
5.4润滑及密封 18
6 轴的设计计算及校核 18
6.1中间轴的设计计算及校核 18
6.2低速轴的设计计算及校核 21
7 滚动轴承的选择和计算 25
7.1高速轴轴承的计算 25
7.2中间轴轴承的计算 26
7.3低速轴轴承的计算 27
8 键连接的选择和计算 28
8.1 高速轴与联轴器键联接的选择和计算 28
8.2 中间轴与小齿轮键联接的选择和计算 28
8.3 中间轴与大齿轮键联接的选择和计算 28
8.4 低速轴与齿轮键联接的选择和计算 29
8.5 低速轴与联轴器键联接的选择和计算 29
9 减速器附件的选择及说明 29
9.1减速器附件的选择 29
9.2减速器说明 30
10 结论 30
温馨提示:
1、题目前面的备注【字母数字编号】为本站整理分类的编号,与课题内容无关,请选题时忽视;
2、若题目上备注三维,则表示文件里包含三维源文件,由于三维组成零件数量较多,为保证预览截图的简洁性,本站将三维文件夹进行了打包。三维及CAD预览截图,均为本站电脑打开软件进行截图的,保证能够打开,下载原件超高清,下载后解压即可;
3、本站所有资源如无特殊说明,都需要本地电脑安装Office2007。图纸软件为AutoCAD,PROE,UG,SolidWorks,CATIA等;
4、本站所有图文资料仅供用户学习参考,不作为任何商用或其他用途;
5、本站不保证下载资源的准确性、安全性和完整性, 不包修改,不支持退换,同时也不承担用户因使用这些下载资源对自己和他人造成任何形式的伤害或损失;
6、 下载文件中如有侵权或不适当内容,请与我们联系,我们立即纠正。