欢迎来到龙图网在线图文分享平台-CAD图纸,设计说明书,工业设计3D模型,三维软件下载!   客服QQ:2363701252
热搜:

工艺夹具 模具设计 数控编程 土木工程 3D模型

i564-5HP户式三功能空气源热泵机组样机的设计 下载积分:150 资料编号: i564

1.打开支付宝或者微信扫描二维码。
2.填写金额:150 
3.添加备注,填写资料编号:
资料编号: i564
4.支付成功后,请发资料编号到邮箱:jxsj168@qq.com
会有专人在15分钟内把资料发到您邮箱
备注:如果付款忘记填写资料编号,则发邮件时附带您的交易明细截图即可。
请耐心等待,如超过30分钟还没收到,请联系客服QQ:2363701252
点击分享:

作品描述

作品包括:

Word版说明书1份,共59页,约31000字

CAD版本图纸,共5张


摘  要


随着我国国民经济的发展和人民生活水平的提高,空调器和热水器已走进千家万户,成为现代生活必不可少的家用电器。由于人们对生活舒适性的要求逐步提高,对空调和热水器技术不断提出新的要求。因此空调和热水器的新品层出不穷,性能也越来越优良。空气源热泵技术是基于逆卡诺循环原理建立起来的一种节能、环保制热技术。空气源热泵系统通过自然能(空气蓄热)获取低温热能,经系统高效集热整合后成为高温热能,整个系统集热效率甚高。利用空气源热泵同时实现制冷、制热和制热水的功能符合当今社会对节能、环保、舒适、便捷的要求。



关键词  空调 热水器 空气源热泵 节能


目  录



中文摘要 I

英文摘要 II

1 绪论 1

1.1 概述 1

1.2 空气源热泵系统的工作原理 1

1.4 空气源热泵系统的优点 3

1.5 空气源热泵应用及研究现状 4

1.5.1 空气源热泵在国内的发展情况 4

1.5.2 空气源热泵在国外的发展新情况 8

1.6 空气源热泵系统经济性分析 9

1.7 世界各国空气源热泵近期市场发展概况 10

1.8 空气源热泵的应用前景 14

2 方案的选择与论证 16

2.1 制冷剂的论证 16

2.1.1 制冷剂的分类 16

2.1.2 制冷剂性质要求 17

2.1.3 制冷剂的选用原则 18

2.1.4 选择制冷剂 19

2.1.5 制冷剂R22的性质 19

2.2 压缩机的选择 19

2.2.1 制冷压缩机的功能 19

2.2.2 压缩机的种类 20

2.2.3 各类压缩机的比较 21

2.2.4 选择压缩机 25

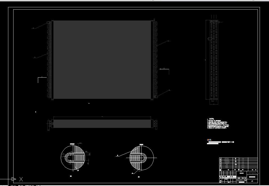
2.3 换热器的选择 25

2.3.1冷凝器的选择 25

2.3.2 蒸发器的选择 25

3 设计计算 27

3.1 热力计算及压缩机选型 27

3.2 冷凝器的设计计算 31

3.2.1 套管冷凝器 31

3.2.2 翅片管冷凝器 31

3.3 蒸发器的设计计算 35

3.4 水箱的设计 39

3.4.1 水箱相关参数计算 39

3.4.2 水箱隔热层设计计算 39

3.4.2 水箱内部结构设计计算 40

4 辅助设备的选择设计 41

4.1 节流阀的选用 41

4.1.1 节流过程的特点 41

4.1.2 节流阀 41

4.1.3 热力膨胀阀的工作原理与特性 42

4.2 水泵的选型 46

4.2.1 水泵的简介 46

4.2.2 水泵的设计与选择 47

4.3 膨胀罐的选型 48

4.4 水流开关的选型 49

4.5 四通换向阀的选型 50

4.6 干燥过滤器的选型 52

4.7 气液分离器的选型 53

4.8 高压保护开关的选型 55

4.9 低压保护开关的选型 55

4.10 单向阀的选型 56

结束语 57

致谢 58

参考文献 59


温馨提示:

1、题目前面的备注【字母数字编号】为本站整理分类的编号,与课题内容无关,请选题时忽视;

2、若题目上备注三维,则表示文件里包含三维源文件,由于三维组成零件数量较多,为保证预览截图的简洁性,本站将三维文件夹进行了打包。三维及CAD预览截图,均为本站电脑打开软件进行截图的,保证能够打开,下载原件超高清,下载后解压即可;

3、本站所有资源如无特殊说明,都需要本地电脑安装Office2007。图纸软件为AutoCAD,PROE,UG,SolidWorks,CATIA等;

4、本站所有图文资料仅供用户学习参考,不作为任何商用或其他用途;
5、本站不保证下载资源的准确性、安全性和完整性, 不包修改,不支持退换,同时也不承担用户因使用这些下载资源对自己和他人造成任何形式的伤害或损失;

6、 下载文件中如有侵权或不适当内容,请与我们联系,我们立即纠正。


线