欢迎来到龙图网在线图文分享平台-CAD图纸,设计说明书,工业设计3D模型,三维软件下载!   客服QQ:2363701252
热搜:

工艺夹具 模具设计 数控编程 土木工程 3D模型

i673-汽车油泵上盖复合模设计[2套模具] 下载积分:800 资料编号: i673

1.打开支付宝或者微信扫描二维码。
2.填写金额:800 
3.添加备注,填写资料编号:
资料编号: i673
4.支付成功后,请发资料编号到邮箱:jxsj168@qq.com
会有专人在15分钟内把资料发到您邮箱
备注:如果付款忘记填写资料编号,则发邮件时附带您的交易明细截图即可。
请耐心等待,如超过30分钟还没收到,请联系客服QQ:2363701252
点击分享:

作品描述

作品包括:

Word说明书1份,共32页,约8900字

CAD版本图纸,共18张


摘  要


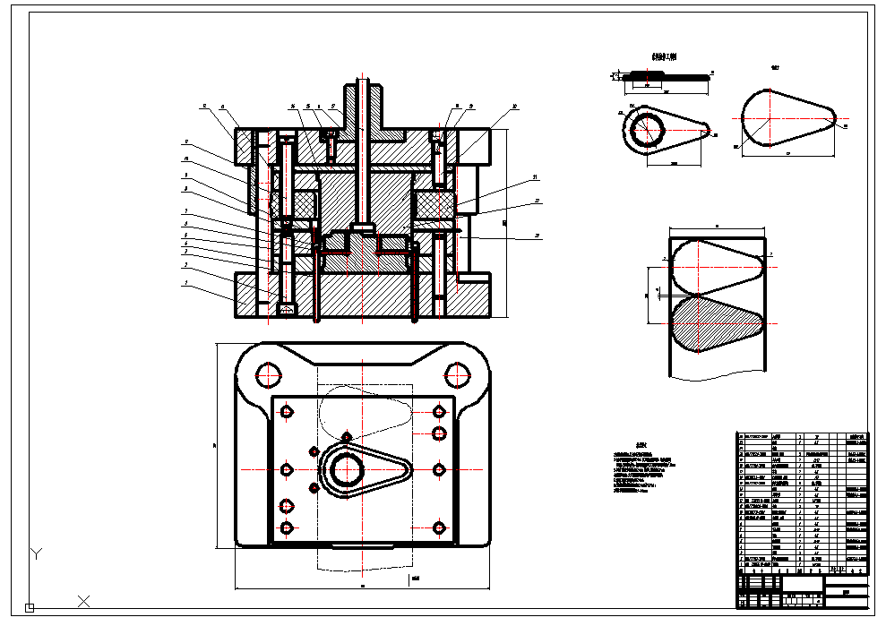
本次是汽车油泵上盖制件的设计,分析制件的材质问题、大致结构和尺寸的标注精度。制件设计使用的材质是10钢。汽车油泵上盖的外形属于完成对称,制件的料厚为1.5mm, 汽车油泵上盖为落料拉深冲孔件,拉深为一次拉深成形。所以汽车油泵上盖可以采用常用的复合冲裁模和多个单工序模来完成生产。

在进行设计之前需要对汽车油泵上盖进行分析,分析可以知道汽车油泵上盖为比较规则落料拉深冲孔件。还要对材料进行分析,分析材料的精度是否能够使用生产工艺进行生产。然后分析模具的结构问题,由于工件只有落料拉深冲孔的工序,可以采用单工序模或者复合模来完成生产。两种方案总要分析采用哪一种比较好,哪一种最适合生产,经过一系列的比对之后确定采用多个模具来完成制作,采用一个模具的话会比较紧凑,不容易实现生产,而且精度也不容西保证。所以要想生产就要采用多副模具。

经过对汽车油泵上盖复合模设计,不但能熟练的对设计和理论知识进行掌握,还能提高利用各种资源的学习能力。阐述了模具的设计过程和证明汽车油泵上盖在实际设计制造中的使用的可能性。


关键词:拉深,外形对称,模具设计


目 录

1 绪 论 1

2 分析零件的工艺性 3

2.1 材料分析 3

2.2 结构工艺性分析 3

3 确定工艺方案 5

3.1 计算毛坯尺寸 5

3.2 确定工艺方案 5

4 主要工艺参数的计算 6

4.1 确定排样、裁板方案 6

4.2 落料、拉深复合模工艺参数计算 7

4.2.1 落料拉深工艺 7

4.2.2 总的冲裁生产力 8

4.2.3 初选压力机 8

4.3 冲孔模工艺参数计算 9

4.3.1 冲压力计算 9

4.3.2 计算冲裁件的其他生产力 9

4.3.3 总的冲压力 10

4.3.4 选择冲压设备 10

4.4刃口尺寸计算 11

4.5拉深工作尺寸计算 12

5 落料拉深模具的结构设计 13

5.1 凹模设计 13

5.2 凸模的设计 14

5.3 卸料板的设计 15

5.4 固定板的设计 16

5.5 垫板的设计 17

5.6 上下模座、模柄的选用 18

5.6.1上下模座的选用 18

5.6.2模炳的选用 19

5.7 冲压设备的校核与选定 19

5.7.1 闭合高度计算和压力机校核 19

5.7.2 其他方面压力机校核 19

6 冲孔模主要零件的设计 20

6.1 凹模设计 20

6.2 凸模的设计 20

6.3 卸料板的设计 21

6.4 固定板的设计 22

6.5 垫板的设计 23

6.6 上下模座、模柄的选用 24

6.6.1上下模座的选用 24

6.6.2模炳的选用 25

6.7 冲压设备的校核与选定 25

6.7.1 闭合高度计算和压力机校核 25

6.7.2 其他方面压力机校核 25

总  结 26

致  谢 27

参考文献 28


温馨提示:

1、题目前面的备注【字母数字编号】为本站整理分类的编号,与课题内容无关,请选题时忽视;

2、若题目上备注三维,则表示文件里包含三维源文件,由于三维组成零件数量较多,为保证预览截图的简洁性,本站将三维文件夹进行了打包。三维及CAD预览截图,均为本站电脑打开软件进行截图的,保证能够打开,下载原件超高清,下载后解压即可;

3、本站所有资源如无特殊说明,都需要本地电脑安装Office2007。图纸软件为AutoCAD,PROE,UG,SolidWorks,CATIA等;

4、本站所有图文资料仅供用户学习参考,不作为任何商用或其他用途;
5、本站不保证下载资源的准确性、安全性和完整性, 不包修改,不支持退换,同时也不承担用户因使用这些下载资源对自己和他人造成任何形式的伤害或损失;

6、 下载文件中如有侵权或不适当内容,请与我们联系,我们立即纠正。


线