

作品包括:
word版说明书一份,43页,19000字左右.
CAD版本图纸,共5张:
液压传动机械手的设计
机械设计制造及其自动化 指导老师:
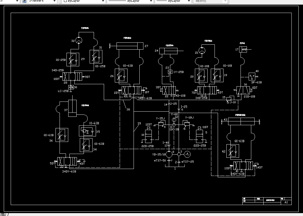
摘 要 本次设计的液压传动机械手根据规定的动作顺序,综合运用所学的基本理论、基本知识和相关的机械设计专业知识,完成对机械手的设计,并绘制必要装配图、液压系统图、PLC控制系统原理图。机械手的机械结构采用油缸、螺杆、导向筒等机械器件组成;在液压传动机构中,机械手的手臂伸缩采用伸缩油缸,手腕回转采用回转油缸,立柱的转动采用齿条油缸,机械手的升降采用升降油缸,立柱的横移采用横向移动油缸;在PLC控制回路中,采用的PLC类型为FX2N,当按下连续启动后,PLC按指定的程序,通过控制电磁阀的开关来控制机械手进行相应的动作循环,当按下连续停止按钮后,机械手在完成一个动作循环后停止运动。
本设计拟开发的上料机械手可在空间抓放物体,动作灵活多样,可代替人工在高温和危险的作业区进行作业,可抓取重量较大的工件。
关键词 机械手、液压、控制回路、PLC
目 录
1 前言
1.1 工业机器人简介----------------------------------------------------------(1)
1.2 世界机器人的发展--------------------------------------------------------(1)
1.3 我国工业机器人的发展----------------------------------------------------(2)
1.4 我要设计的机械手--------------------------------------------------------(2)
1.4.1 臂力的确定---------------------------------------------------------------------------------------(2)
1.4.2工作范围的确定----------------------------------------------------------------------------------(2)
1.4.3 确定运动速度--------------------------------------------------------(3)
1.4.4 手臂的配置形式------------------------------------------------------(3)
1.4.5 位置检测装置的选择--------------------------------------------------(4)
1.4.6 驱动与控制方式的选择------------------------------------------------(4)
2 手部结构------------------------------------------------------------------------------------------(5)
2.1概述-------------------------------------------------------------------------------------------------------(5)
2.2 设计时应考虑的几个问题----------------------------------------------------------------------------(5)
2.3 驱动力的计算 -----------------------------------------------------------------------------------------(5)
2.4 两支点回转式钳爪的定位误差的分析------------------------------------------------------------(8)
3 腕部的结构---------------------------------------------------------------------------------------(9)
3.1 概述------------------------------------------------------------------------------------------------------(9)
3.2 腕部的结构形式--------------------------------------------------------------------------------------(9)
3.3手腕驱动力矩的计算-----------------------------------------------------(10)
4 臂部的结构-------------------------------------------------------------------------------------(13)
4.1 概述----------------------------------------------------------------------------------------------------(13)
4.2手臂直线运动机构-----------------------------------------------------------------------------------(13)
4.2.1手臂伸缩运动------------------------------------------------------------------------------------(14)
4.2.2 导向装置---------------------------------------------------------------------------------------(14)
4.2.3 手臂的升降运动-------------------------------------------------------------------------------(15)
4.3 手臂回转运动----------------------------------------------------------------------------------------(16)
4.4 手臂的横向移动-------------------------------------------------------------------------------------(16)
4.5 臂部运动驱动力计算------------------------------------------------------------------------------(17)
4.5.1 臂水平伸缩运动驱动力的计算------------------------------------------------------------(17)
4.5.2 臂垂直升降运动驱动力的计算------------------------------------------------------------(18)
4.5.3 臂部回转运动驱动力矩的计算---------------------------------------(18)
5 液压系统的设计-----------------------------------------------------------------------------(20)
5.1液压系统简介---------------------------------------------------------------------------------------(20)
5.2液压系统的组成------------------------------------------------------------------------------------(20)
5.3机械手液压系统的控制回路---------------------------------------------(20)
5.3.1 压力控制回路-------------------------------------------------------------------------------(20)
5.3.2 速度控制回路-------------------------------------------------------------------------------(21)
5.3.3 方向控制回路-----------------------------------------------------------------------------------(21)
5.4 机械手的液压传动系统----------------------------------------------------------------------------(21)
5.4.1 上料机械手的动作顺序----------------------------------------------------------------------(22)
5.4.2 自动上料机械手液压系统原理介绍-------------------------------------------------------(22)
5.5机械手液压系统的简单计算-----------------------------------------------(24)
5.5.1 双作用单杆活塞油缸------------------------------------------------(25)
5.5.2 无杆活塞油缸(亦称齿条活塞油缸)----------------------------------(27)
5.5.3 单叶片回转油缸 ---------------------------------------------------(29)
5.5.4 油泵的选择--------------------------------------------------------(30)
5.5.5 确定油泵电动机功率N ----------------------------------------------(31)
6 PLC控制回路的设计-----------------------------------------------------------------------(32)
6.1 电磁铁动作顺序-------------------------------------------------------------------------------------(32)
6.2 现场器件与PLC内部等效继电器地址编号的对照表---------------------------------------(33)
6.3 PLC与现场器件的实际连接图------------------------------------------------------------------(34)
6.4 梯形图-------------------------------------------------------------------------------------------------(35)
6.5 指令程序-----------------------------------------------------------------------------------------------(36)
7 结束语 -----------------------------------------------------------------------------------------------------(41)
8参考文献--------------------------------------------------------------------------------------------------(42)
9致 谢 ---------------------------------------------------------------------------------------------------(43)
温馨提示:
1、题目前面的备注【字母数字编号】为本站整理分类的编号,与课题内容无关,请选题时忽视;
2、若题目上备注三维,则表示文件里包含三维源文件,由于三维组成零件数量较多,为保证预览截图的简洁性,本站将三维文件夹进行了打包。三维及CAD预览截图,均为本站电脑打开软件进行截图的,保证能够打开,下载原件超高清,下载后解压即可;
3、本站所有资源如无特殊说明,都需要本地电脑安装Office2007。图纸软件为AutoCAD,PROE,UG,SolidWorks,CATIA等;
4、本站所有图文资料仅供用户学习参考,不作为任何商用或其他用途;
5、本站不保证下载资源的准确性、安全性和完整性, 不包修改,不支持退换,同时也不承担用户因使用这些下载资源对自己和他人造成任何形式的伤害或损失;
6、 下载文件中如有侵权或不适当内容,请与我们联系,我们立即纠正。