欢迎来到龙图网在线图文分享平台-CAD图纸,设计说明书,工业设计3D模型,三维软件下载!   客服QQ:2363701252
热搜:

工艺夹具 模具设计 数控编程 土木工程 3D模型

K067-四层乘客电梯的PLC控制-四层电梯 下载积分:50 资料编号: K067

1.打开支付宝或者微信扫描二维码。
2.填写金额:50 
3.添加备注,填写资料编号:
资料编号: K067
4.支付成功后,请发资料编号到邮箱:jxsj168@qq.com
会有专人在15分钟内把资料发到您邮箱
备注:如果付款忘记填写资料编号,则发邮件时附带您的交易明细截图即可。
请耐心等待,如超过30分钟还没收到,请联系客服QQ:2363701252
点击分享:

作品描述

作品包括:

word版设计说明书一份,63页,约20000字

CAD版本图纸,共5张


乘客电梯的PLC控制

摘要:国民经济的飞速发展, 现代化程度日益提高,高层建筑愈来愈多, 电梯也随之增多, 电梯产品在人们物质文化生活中的地位得到了提高,成为重要的运输设备之一。国内传统的电梯控制一是由继电器、接触器构成。它不仅存在着可靠性差、成本高、故障率高等缺点,而且在层数增加时,配线变化给制造及安装带来诸多不变。若用PLC 控制就解决了以上的不足。

本设计就以PLC作为工具对升降电梯的各种操作进行控制。先对四层电梯的硬件部分作分析,看需要什么样的开关,电机,信号灯等。然后,画出它的控制面板图,再根据控制面板图估计一下I/O点数,这样可以确定所选机型,然后在软件设计,写出流程图,梯形图,写出语句。最后是进行调试,看看此程序是否可行。


关键词:PLC控制系统 电梯  继电器  接触器

目录

第一章 引言………………………………………………………………………………1


第二章 概  ………………………………………………………………………………2


2.1电梯硬件的分析  …………………………………………………………………2

2.1.1 电梯的组成  ……………………………………………………………………2

2.1.2电梯的工作原理 …………………………………………………………………3

2.2可编程控制器的介绍 ………………………………………………………………3

2..2.1可编程控制器的发展 ……………………………………………………………5

2.2.2可编程控制器(PLC)的用途……………………………………………………4

2.2.3 可编程控制器(PLC)的特点……………………………………………………5

2.2.3.1 PLC的性能特点  ………………………………………………………………5

2.2.4  PLC的工作原理  ………………………………………………………………6

2.2.5  PLC的编程语言  ………………………………………………………………7

第三章 课题的任务分析 …………………………………………………………………9

 

3.1 电梯控制的分析  …………………………………………………………………9

3.2 整体设计流程的确定………………………………………………………………9

第四章  可编程控制器的机型选择 ……………………………………………………10


4.1可编程控制器控制系统的I/O点数估算  ………………………………………10

4.2内存的估计…………………………………………………………………………10

4.3响应时间的分析  …………………………………………………………………11

4.4输入输出模块的选择  ……………………………………………………………11

4.5机型的确定…………………………………………………………………………11

第五章  硬件设计   ……………………………………………………………………12 


5.1硬件配置简介 ……………………………………………………………………12

5.2电梯控制系统的硬件面板图 ……………………………………………………15

5.3输入/输出的分配…………………………………………………………………16

第六章  软件设计………………………………………………………………………17


6.1程序流程图 ………………………………………………………………………17

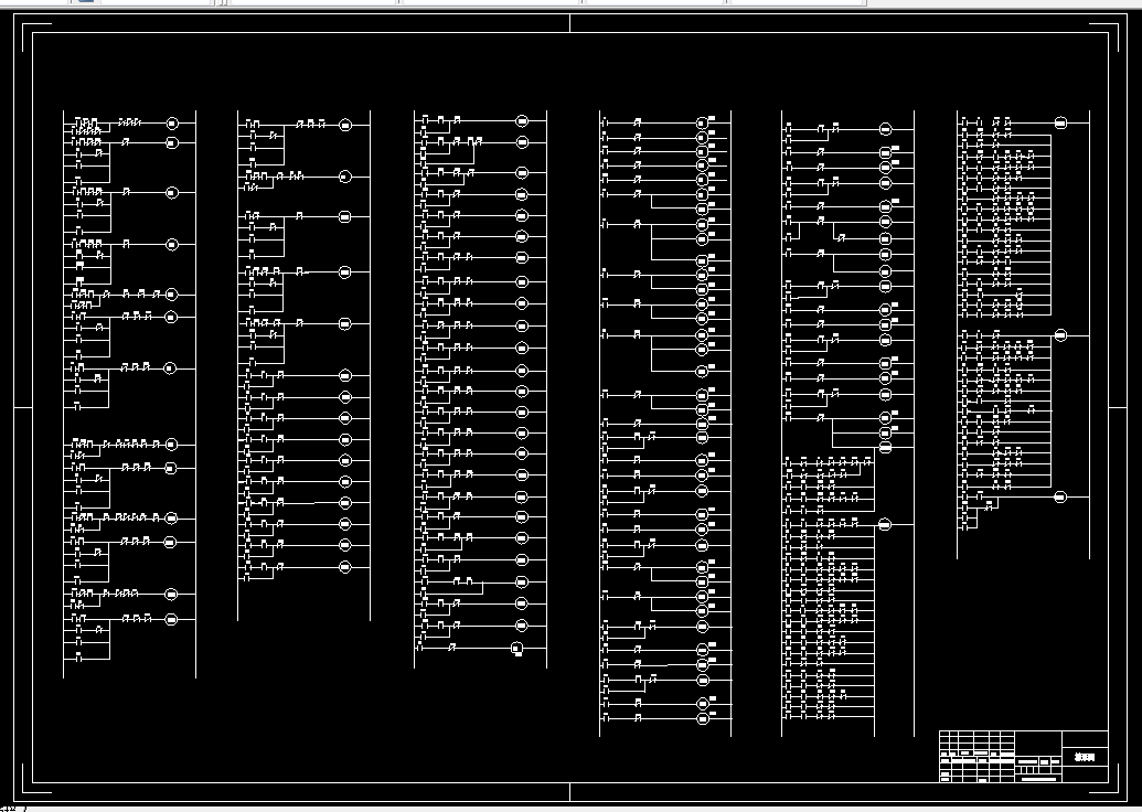
6.2程序语句 …………………………………………………………………………17

第七章  程序调试、运行  ……………………………………………………………41


7.1正常情况下程序调试 ……………………………………………………………41

7.2过程分析   ………………………………………………………………………41

第八章  总结    ………………………………………………………………………47 


致谢  ……………………………………………………………………………………48


 参考文献 …………………………………………………………………………………49

温馨提示:

1、题目前面的备注【字母数字编号】为本站整理分类的编号,与课题内容无关,请选题时忽视;

2、若题目上备注三维,则表示文件里包含三维源文件,由于三维组成零件数量较多,为保证预览截图的简洁性,本站将三维文件夹进行了打包。三维及CAD预览截图,均为本站电脑打开软件进行截图的,保证能够打开,下载原件超高清,下载后解压即可;

3、本站所有资源如无特殊说明,都需要本地电脑安装Office2007。图纸软件为AutoCAD,PROE,UG,SolidWorks,CATIA等;

4、本站所有图文资料仅供用户学习参考,不作为任何商用或其他用途;
5、本站不保证下载资源的准确性、安全性和完整性, 不包修改,不支持退换,同时也不承担用户因使用这些下载资源对自己和他人造成任何形式的伤害或损失;

6、 下载文件中如有侵权或不适当内容,请与我们联系,我们立即纠正。


线