

作品包括:
说明书一份,共38页,约10000字
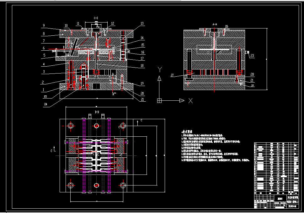
CAD版本图纸,共6张
目 录
摘 要 Ⅰ
Abstract Ⅱ
1 前 言 1
2 塑件的总体分析 2
2.1 材料的选择 2
2.2笔盖尺寸分析 3
2.3塑件体积及质量的计算 3
2.3.1体积的计算 3
2.3.2质量的计算 4
2.4型腔数目的确定 4
3 成型零部件的设计 5
3.1 型腔、型芯工作尺寸的计算 5
3.1.1 型腔尺寸的计算 5
3.1.2 型芯尺寸计算 5
3.2 成型零部件的强度与刚度计算 6
3.2.1 刚度校核 6
3.2.2 强度校核 6
4 浇注系统的设计 7
4.1 分型面的选择 7
4.2 浇注系统的组成 7
4.3浇口形式及位置的确定 7
4.4主流道的设计 8
4.4.1主流道的形状设计 8
4.4.2主流道的尺寸计算 8
4.5分流道的设计 10
4.5.1分流道的截面设计 10
4.5.2分流道的尺寸计算 11
5 模具主要参数的计算 13
5.1脱模力的计算 13
5.2 初始脱模力 13
5.3推杆直径计算 14
5.4推杆的应力校核 15
5.5推板的厚度计算 15
5.6推出机构的设计 16
5.6.1推杆的设计 16
5.6.2复位杆的设计 16
6 模具结构设计 18
6.1模具结构设计主要原则 18
6.2模具强度的设计 18
6.2.1凹模设计 19
6.2.2嵌底式组合凹模侧壁强度计算 19
6.2.3支撑板强度计算 20
7 模具材料的选择 21
7.1模具选材要满足工作条件要求 21
7.2 模具选材要满足工艺性要求 21
7.3 模具材料要满足经济性要求 21
8注射机及模架的选择 22
8.1选择注射机的型号 22
8.2校核注射机的主要参数 24
8.3模架的选择 25
9冷却系统的设计 26
9.1冷却回路的设计 26
9.2冷却回路的布置 26
10排气系统的设计 28
10.1排气不充分产生的缺点 28
10.2排气方式的选择 28
10.3设计排气槽的深度 29
11成型零件加工工艺规程 30
12 结论 32
参考文献 33
致谢 34
温馨提示:
1、题目前面的备注【字母数字编号】为本站整理分类的编号,与课题内容无关,请选题时忽视;
2、若题目上备注三维,则表示文件里包含三维源文件,由于三维组成零件数量较多,为保证预览截图的简洁性,本站将三维文件夹进行了打包。三维及CAD预览截图,均为本站电脑打开软件进行截图的,保证能够打开,下载原件超高清,下载后解压即可;
3、本站所有资源如无特殊说明,都需要本地电脑安装Office2007。图纸软件为AutoCAD,PROE,UG,SolidWorks,CATIA等;
4、本站所有图文资料仅供用户学习参考,不作为任何商用或其他用途;
5、本站不保证下载资源的准确性、安全性和完整性, 不包修改,不支持退换,同时也不承担用户因使用这些下载资源对自己和他人造成任何形式的伤害或损失;
6、 下载文件中如有侵权或不适当内容,请与我们联系,我们立即纠正。