

作品包括:
说明书一份,共38页,约18000字
CAD版本图纸,共12张
摘要
四轴飞行器目前属于火热的可垂直起落的飞行器,具有结构简单、动力强大、可用的行业范围大并且飞行时可靠性高,各种专业程度高的飞行器被各行各业所喜爱,因此,主流研究其专业化越来越密切。本文所设的无人机乃用于观察森林里的火情,是专行专业使用的。
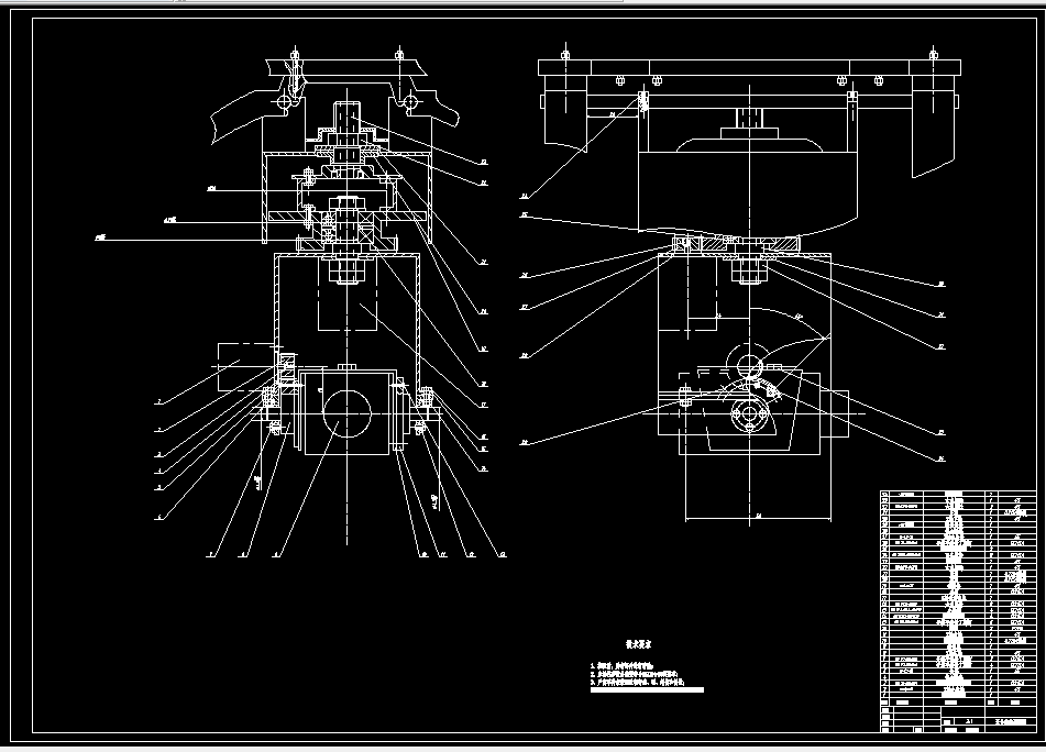
本文对四轴飞行器的机构与原理先行分析,主要是设计四轴飞行器的结构部分,通过对机架里的主板、力臂与起落架等机械结构设计,选择合理的碳纤维复合材料来构造机架,通过三维软件来建模,组成一个四轴飞行器的机架,对于云台机械结构的设计分析,利用齿轮减速机构来细分转动角度,通过支架来支撑摄像机。
叙述了森林火情探测的四轴飞行器的设计过程,从动力部分、结构部分到控制部分。
关键词 四轴;飞行器;结构设计;碳纤维;机架;云台
目 录
摘要 I
Abstract II
1 绪论 1
1.1课题研究的背景及意义 1
1.1.1课题研究的背景 1
1.1.2课题研究的意义 1
1.2四轴飞行器的发展的状况 2
1.3本课题的主要研究的问题以及各章安排 5
1.4四轴飞行器的结构形式 5
1.5四轴飞行器的飞行原理 6
2动力系统设计 8
2.1起飞重量的确定 8
2.2电机方案与选择 8
2.3螺旋桨的选择 9
2.4推重比的确定 9
2.5电池的选择 11
2.6电调的选择 12
2.7电池充电器的选择 13
3机架结构设计 14
3.1机架结构的方案与选择 14
3.2机架材料的选择 15
3.3主板的设计 17
3.4力臂的设计 17
3.5起落架的设计 18
3.6电机底座的设计 19
4云台结构设计 21
4.1云台结构的方案与选择 21
4.2减速器设计 21
4.2.1X轴上的减速器设计 21
4.2.2Z轴减速器设计 23
4.3轴的设计 24
4.3.1X轴的设计 24
4.3.2Z轴的设计 24
4.4轴承的选择 25
4.4.1X轴轴承的选择 25
4.4.2Z轴轴承的选择 25
5控制系统设计 26
5.1飞控系统的设计 26
5.2无线数据传输路的设计 29
5.3总体控制系统的设计 30
结论 32
致谢 33
参考文献 34
温馨提示:
1、题目前面的备注【字母数字编号】为本站整理分类的编号,与课题内容无关,请选题时忽视;
2、若题目上备注三维,则表示文件里包含三维源文件,由于三维组成零件数量较多,为保证预览截图的简洁性,本站将三维文件夹进行了打包。三维及CAD预览截图,均为本站电脑打开软件进行截图的,保证能够打开,下载原件超高清,下载后解压即可;
3、本站所有资源如无特殊说明,都需要本地电脑安装Office2007。图纸软件为AutoCAD,PROE,UG,SolidWorks,CATIA等;
4、本站所有图文资料仅供用户学习参考,不作为任何商用或其他用途;
5、本站不保证下载资源的准确性、安全性和完整性, 不包修改,不支持退换,同时也不承担用户因使用这些下载资源对自己和他人造成任何形式的伤害或损失;
6、 下载文件中如有侵权或不适当内容,请与我们联系,我们立即纠正。