欢迎来到龙图网在线图文分享平台-CAD图纸,设计说明书,工业设计3D模型,三维软件下载!   客服QQ:2363701252
热搜:

工艺夹具 模具设计 数控编程 土木工程 3D模型

L021-斗式提升机传动用二级斜齿圆柱齿轮同轴式减速器H=27,V=2.3,D=450 下载积分:50 资料编号: L021

1.打开支付宝或者微信扫描二维码。
2.填写金额:50 
3.添加备注,填写资料编号:
资料编号: L021
4.支付成功后,请发资料编号到邮箱:jxsj168@qq.com
会有专人在15分钟内把资料发到您邮箱
备注:如果付款忘记填写资料编号,则发邮件时附带您的交易明细截图即可。
请耐心等待,如超过30分钟还没收到,请联系客服QQ:2363701252
点击分享:

作品描述

作品包括:

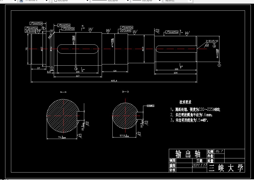
word版设计说明书一份,共16页,约4300字

CAD版本图纸,共4张


题目要求及设计时间安排未找到目录项。

设计参数

`               题    号

   参    数 Ⅵ-3

生产率Q(t/h) 12

提升带的速度υ,(m/s) 2.3

提升带的高度H,(m) 27

提升机鼓轮的直径D,(mm) 450

说明: 1. 斗式提升机提升物料:谷物、面粉、水泥、型沙等物品。

 2. 提升机驱动鼓轮(图2.7中的件5)所需功率为

                

3. 斗式提升机运转方向不变,工作载荷稳定,传动机构中有保安装置(安全联轴器)。

     4. 工作寿命为8年,每年300个工作日,每日工作16小时。

     5.允许的速度误差为5%。

(一) 设计内容

i. 电动机的选择与运动参数计算;

ii. 斜齿轮传动设计计算

iii. 轴的设计

iv. 滚动轴承的选择

v. 键和连轴器的选择与校核;

vi. 装配图、零件图的绘制

vii. 设计计算说明书的编写

(二) 设计任务

a) 减速器总装配图一张

b) 齿轮、轴零件图各一张

c) 设计说明书一份

(三) 设计进度

i. 第一阶段:总体计算和传动件参数计算

ii. 第二阶段:轴与轴系零件的设计

iii. 第三阶段:轴、轴承、联轴器、键的校核及草图绘制

iv. 第四阶段:装配图、零件图的绘制及计算说明书的编写

电动机的选择

1. 电动机类型和结构的选择

因为本传动的工作状况是:载荷平稳、单向旋转。所以选用常用的封闭式Y(IP44)系列的电动机。

2. 电动机容量的选择

1) 工作机所需功率Pw  


温馨提示:

1、题目前面的备注【字母数字编号】为本站整理分类的编号,与课题内容无关,请选题时忽视;

2、若题目上备注三维,则表示文件里包含三维源文件,由于三维组成零件数量较多,为保证预览截图的简洁性,本站将三维文件夹进行了打包。三维及CAD预览截图,均为本站电脑打开软件进行截图的,保证能够打开,下载原件超高清,下载后解压即可;

3、本站所有资源如无特殊说明,都需要本地电脑安装Office2007。图纸软件为AutoCAD,PROE,UG,SolidWorks,CATIA等;

4、本站所有图文资料仅供用户学习参考,不作为任何商用或其他用途;
5、本站不保证下载资源的准确性、安全性和完整性, 不包修改,不支持退换,同时也不承担用户因使用这些下载资源对自己和他人造成任何形式的伤害或损失;

6、 下载文件中如有侵权或不适当内容,请与我们联系,我们立即纠正。


线