

作品包括:
设计word版本说明书一份,共30页,约5600字
CAD版本图纸,共4张
目 录
设计任务书……………………………………………………3
电动机的选择…………………………………………………3
传动比的选择…………………………………………………4
传动参数的设计………………………………………………4
齿轮传动的设计………………………………………………4
轴的设计………………………………………………………13
轴的校核………………………………………………………16
键的校核………………………………………………………20
轴承寿命校核…………………………………………………20
润滑及其他附件……………………………………………24
一、设计题目
(1)、运送带工作拉力F=7KN
(2)、运输带工作速度V=1.1m/s(允许速度误差5%)
(3)、滚筒直径D=400mm
(4)、滚筒效率η=0.96(包括滚筒与轴承的效率损失)
(5)、工作情况:两班制,连续单向运转,载荷较平稳。
(6)、使用折旧期8年
(7)、工作环境:室内,灰尘较大,环境最高温度35度以上
(8)、动力来源,电机,三相交流电压380/220v
(9)、4年一次大修,2年一次中修,半年一次小修
(10)、一般机械厂制造,小批量生产。
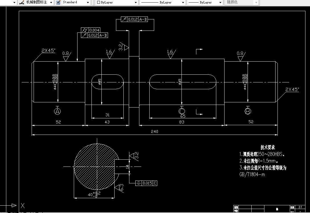
采用2级齿轮传动,第2级齿轮采用齿轮。编写设计计算说明书,绘出传动装置装配图(A0图),直齿轮及轴的零件图(A3图)。
温馨提示:
1、题目前面的备注【字母数字编号】为本站整理分类的编号,与课题内容无关,请选题时忽视;
2、若题目上备注三维,则表示文件里包含三维源文件,由于三维组成零件数量较多,为保证预览截图的简洁性,本站将三维文件夹进行了打包。三维及CAD预览截图,均为本站电脑打开软件进行截图的,保证能够打开,下载原件超高清,下载后解压即可;
3、本站所有资源如无特殊说明,都需要本地电脑安装Office2007。图纸软件为AutoCAD,PROE,UG,SolidWorks,CATIA等;
4、本站所有图文资料仅供用户学习参考,不作为任何商用或其他用途;
5、本站不保证下载资源的准确性、安全性和完整性, 不包修改,不支持退换,同时也不承担用户因使用这些下载资源对自己和他人造成任何形式的伤害或损失;
6、 下载文件中如有侵权或不适当内容,请与我们联系,我们立即纠正。