

作品包括:
设计word版本说明书一份,共91页,约26000字
CAD版本图纸,共4张
轴承试验台液静压系统设计
摘要
液体静压支承技术是一项发展历史不太长但发展较快的新技术,由于其具有传动效率高、支承刚度大、精度保持性好、抗振性好及使用寿命长等特点,被广泛应用于各种机械、仪器和军事装备上,特别是在高精度、高效率和自动化机床以及其他一些机械设备上应用尤为广泛,该技术现在已经成为一种重要的支承和传动形式。液体静压轴承是借助一套液压系统供给的压力油,经过压力补偿元件(节流器或流量阀等),进入轴承油腔中,把轴浮在轴承中间,使之处于流体摩擦状态的一种支承。
本设计对该液压加载系统所需的液体静压推力轴承的结构进行了设计,确定和设计了轴承静压供油、保护、回油、主轴顶起及液压加载等一整套液压传动系统,同时对静压传动系统中的节流器进行了选择分析和结构设计。最后,就该系统所需的电气控制部分进行了简要分析和设计,并对该系统的液压控制工作台进行了设计。
另外,本设计对一些重要及复杂的计算采用计算机编程优化计算,并进行分析比较来确定重要的参数尺寸。
关键词 液体静压推力轴承;液压传动;节流器;电气控制
目录
摘要 I
Abstract II
第1章 绪论 1
1.1 课题背景 1
1.2 相关理论概述 1
1.2.1液体静压轴承及特点 1
1.2.2液体静压轴承应用范围 1
1.3课题研究意义及内容 2
1.3.1课题研究的意义 2
1.3.2课题研究的内容 2
1.4小结…………………………………………………………………....….2
第2章 液压顶起及加载系统设计 4
2.1 油路系统原理图的初步拟定 4
2.1.1 工作要求 4
2.1.2 设计参数 4
2.1.3 初步拟定液压系统图 4
2.2 液压加载系统顶起、加载油路系统方案的确定 5
2.3液压加载系统顶起、加载油路系统组件选择 8
2.3.1油缸有效面积的计算 8
2.3.2顶起加载所需流量计算 10
2.3.3顶起、加载所产生压力计算 10
2.3.4顶起及加载油路系统的组件选择 11
2.4 小结……………………………………………………………………..14
第3章液压加载系统静压供油系统设计 15
3.1概述 15
3.2静压供油系统的设计要求及参数 16
3.2.1设计要求 16
3.2.2设计参数 17
3.3液体动、静压轴承最小功率计算及温升计算 17
3.3.1动、静压轴承功率 17
3.3.3动、静压轴承温升计算 25
3.4液体静压轴承设计 26
3.5推力轴承液压加载系统静压供油系统设计 27
3.5.1静压供油系统的初步拟定 27
3.5.2保护系统及回油系统的拟定 28
3.6元件选择 30
3.6.1流量、压力计算 30
3.6.2选择元件 31
3.7小结……………..……………………………………………………….33
第4章节流器的设计 35
4.1概述 35
4.2节流器的选择 36
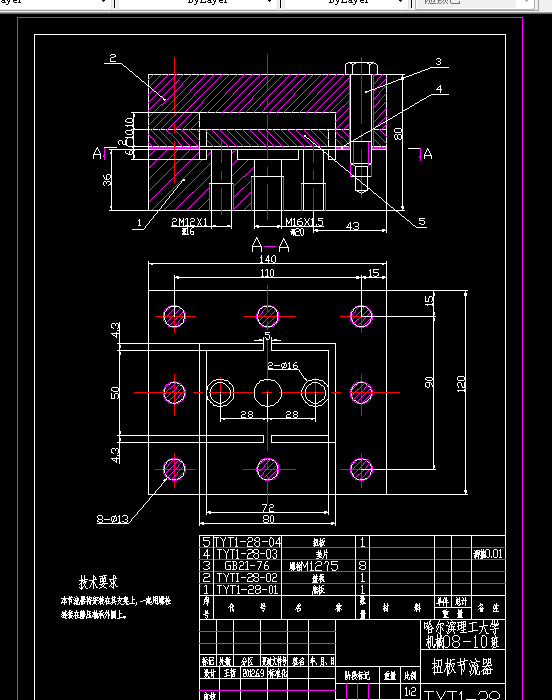
4.3扭板节流器的设计 36
4.3.1扭板节流器的设计与计算 36
4.3.2扭板弯曲变形计算 38
4.4节流器计算的计算机优化 39
4.5小结………………………………………………………….….……….39
第5章 液压供油系统的部分及电气控制部分设计 40
5.1主油箱设计 40
5.1.1设计要求 40
5.1.2油箱的容量V及尺寸确定 40
5.2液压控制柜设计 40
5.3油泵电机支架设计 41
5.4电气控制部分设计要求 41
5.5电气控制部分设计 41
5.6 小结……………………………………………………………………..41
总结 43
致谢 44
参考文献 45
附录 46
程序A-G 46
附录H 66
温馨提示:
1、题目前面的备注【字母数字编号】为本站整理分类的编号,与课题内容无关,请选题时忽视;
2、若题目上备注三维,则表示文件里包含三维源文件,由于三维组成零件数量较多,为保证预览截图的简洁性,本站将三维文件夹进行了打包。三维及CAD预览截图,均为本站电脑打开软件进行截图的,保证能够打开,下载原件超高清,下载后解压即可;
3、本站所有资源如无特殊说明,都需要本地电脑安装Office2007。图纸软件为AutoCAD,PROE,UG,SolidWorks,CATIA等;
4、本站所有图文资料仅供用户学习参考,不作为任何商用或其他用途;
5、本站不保证下载资源的准确性、安全性和完整性, 不包修改,不支持退换,同时也不承担用户因使用这些下载资源对自己和他人造成任何形式的伤害或损失;
6、 下载文件中如有侵权或不适当内容,请与我们联系,我们立即纠正。