

作品包括:
word说明书一份,共75页,约28000字
CAD版本图纸,共7张
摘要
汽车是现代人们生活中重要的交通工具其是由多个系统组成的,制动系统就是其中一个重要的组成部分。它既要使行驶中的汽车减速,又要保证车辆能稳定的停驻在原地不动。因此,汽车制动系对于汽车的安全行驶起着举足轻重的作用。
国内汽车市场迅速发展,随着汽车保有量的增加,带来的安全问题也越来越引起人们的注意,而制动系统则是汽车主动安全的重要系统之一。因此,如何开发出高性能的制动系统,为安全行驶提供保障是我们要解决的主要问题。另外,随着汽车市场竞争的加剧,如何缩短产品开发周期、提高设计效率,降低成本等,提高产品的市场竞争力,已经成为企业成功的关键。
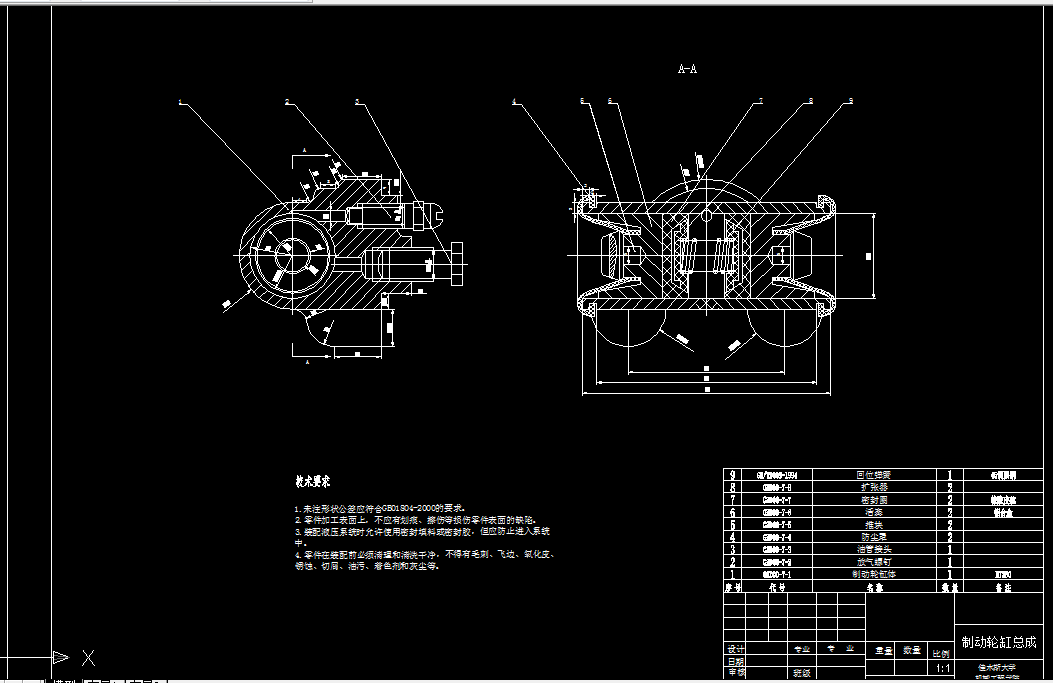
在本次设计中,根据已有的BJ2020轻型越野车车辆的数据对其制动器进行设计。其中对鼓式制动器结构参数的设计、制动器主要零件的结构设计等方面进行了设计分析。
设计所附的多张图纸对设计的思想、制动器的布置设计表达的非常清晰。希望在翻阅说明书的过程中能够结合图纸,这样就可以更加有效的理解设计的思想和意图。
关键词:汽车;鼓式制动器;制动轮缸
目录
摘要 II
Abstract III
第1章 绪论 1
1.1 汽车制动系概述 1
1.2 汽车制动器的工作原理 2
1.3 设计的目的和意义 3
第2章 制动器的结构形式及选择 5
2.1 制动器的结构形式的选择 6
2.2 鼓式制动器的结构形式即选择 7
第3章 制动器主要参数的确定 10
3.1 同步附着系数 10
3.2 制动强度和附着系数利用率 12
3.3 制动器最大制动力矩 14
3.4 制动器因数 16
3.5 鼓式制动器的结构参数与摩擦系数 19
3.5.1 鼓式制动器的结构参数 19
3.5.2 摩擦片摩擦系数 22
3.6 本章小结 23
第4章 制动器的设计计算 24
4.1 制动蹄摩擦片的压力分布规律 24
4.2 制动器因数及摩擦力矩分析计算 26
4.3 制动蹄片上的制动力矩 29
4.4 摩擦衬片的磨损特性计算 35
4.5 制动器的热容量和温升的核算 37
4.6 驻车制动计算 38
4.7 本章小结 40
第5章 制动器主要零件的结构设计 41
5.1 制动鼓 41
5.2 制动蹄 42
5.3 制动底板 43
5.4 制动蹄的支承 43
5.5 制动轮缸 44
5.6 摩擦材料 44
5.7 制动器间隙的调整方法及相应机构 45
5.8 本章小结 46
结论 47
致谢 48
参考文献 49
附录1 50
附录2 70
温馨提示:
1、题目前面的备注【字母数字编号】为本站整理分类的编号,与课题内容无关,请选题时忽视;
2、若题目上备注三维,则表示文件里包含三维源文件,由于三维组成零件数量较多,为保证预览截图的简洁性,本站将三维文件夹进行了打包。三维及CAD预览截图,均为本站电脑打开软件进行截图的,保证能够打开,下载原件超高清,下载后解压即可;
3、本站所有资源如无特殊说明,都需要本地电脑安装Office2007。图纸软件为AutoCAD,PROE,UG,SolidWorks,CATIA等;
4、本站所有图文资料仅供用户学习参考,不作为任何商用或其他用途;
5、本站不保证下载资源的准确性、安全性和完整性, 不包修改,不支持退换,同时也不承担用户因使用这些下载资源对自己和他人造成任何形式的伤害或损失;
6、 下载文件中如有侵权或不适当内容,请与我们联系,我们立即纠正。