

作品包括:
Word版说明书1份,共47页
工艺卡11张
工艺过程卡1张
CAD版本图纸,共2张
UG三维图一份
仿真加工视频一份

摘要
本课题来源于生产,是对所学知识的应用,它包括了我们在校几年所学的全部知识,在数控专业上具有代表性,而且提高了综合运用各方面知识的能力。程序的编制到程序的调试,零件的加工运用到了所学的AutoCAD、UG软件、机床操作、刀具的选择、零件的工艺分析、工艺路线等一系列的内容。这将所学到的理论知识充分运用到了实际加工中,切实做到了理论与实践的有机结合,选择正确的加工方法,设计合理的加工工艺过程,充分发挥数控加工的优质、高效、低成本的特点。本文主要对零件进行了,图纸分析、毛坯的选择、加工方法以及加工路线的选择、对刀具机床进行确定,并且选定刀具参数规格,选定机床的型号。然后填写工艺卡片,工序卡片。对零件进行自动编程。
关键词:数控编程;数控铣削;仿真加工;三维建模
目录
摘要I
Abstract II
第一章绪论5
1.1本课题的目的及意义5
1.2数控加工工艺的特点5
1.3数控加工工艺设计的主要内容6
第二章工艺性分析7
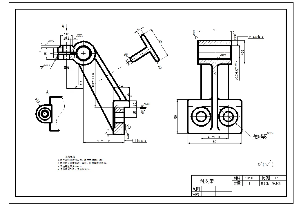
2.1零件介绍7
2.2零件加工工艺性分析8
第三章零件加工工艺规程设计9
3.1毛坯的选择9
3.2定位基准的选择及工艺路线的确定9
3.2.1定位基准的选择9
3.2.2工序的划分10
3.3选择并确定工艺装备13
3.3.1数控机床的选择13
3.3.2夹具的选择14
3.3.3刀具选择15
第四章确定参数及卡片的填写17
4.1背吃刀量的选择17
4.2进给速度的确定17
4.3切削参数的确定17
4.4制定工艺文件21
4.5工序卡21
第五章基于UG软件的数控程序编制22
5.1零件编程方法选择22
5.2零件数控加工程序的编写22
5.2.1进入UG加工模块22
5.2.2创建程序23
5.2.3创建刀具24
5.2.4创建几何体24
5.2.5底面轮廓铣削编程25
5.2.6上表面廓铣削编程27
5.2.7其余表面加工刀轨32
第六章数控仿真加工及后处理程序34
6.1零件的数控仿真加工34
6.2数控加工程序的后处理37
总结38
致谢39
参考文献40
温馨提示:
1、题目前面的备注【字母数字编号】为本站整理分类的编号,与课题内容无关,请选题时忽视;
2、若题目上备注三维,则表示文件里包含三维源文件,由于三维组成零件数量较多,为保证预览截图的简洁性,本站将三维文件夹进行了打包。三维及CAD预览截图,均为本站电脑打开软件进行截图的,保证能够打开,下载原件超高清,下载后解压即可;
3、本站所有资源如无特殊说明,都需要本地电脑安装Office2007。图纸软件为AutoCAD,PROE,UG,SolidWorks,CATIA等;
4、本站所有图文资料仅供用户学习参考,不作为任何商用或其他用途;
5、本站不保证下载资源的准确性、安全性和完整性, 不包修改,不支持退换,同时也不承担用户因使用这些下载资源对自己和他人造成任何形式的伤害或损失;
6、 下载文件中如有侵权或不适当内容,请与我们联系,我们立即纠正。