

作品包括:
Word版说明书1份,共39页,约12000字
工艺卡6张
工艺过程卡1张
CAD版本图纸,共1张
UG三维图一份

摘要
随着数控技术的不断发展和应用领域的日益扩大,数控加工技术对国计民生的一些重要行业(IT、汽车、轻工、医疗等)的发展起着越来越重要的作用。由于效率、质量是先进制造技术的主体,高速、高精地加工技术可极大地提高效率,提高产品的质量和档次,并且能缩短生产周期和提高市场竞争能力。而对于数控加工而言,无论.是手工编程还是自动编程,它们在编程前都要对所加工的零件进行工艺分析,拟定加工方案,选择合适的刀具,确定切削用量,对一些工艺问题(如对刀点、加工路线等)也需做一些处理,并在加工过程中掌握控制精度的方法,如此才能加工出合格的产品。
本文着重介绍了运用UG软件对方形体的三维造型设计和数控加工过程,在方形体的设计中要使设计的方形体更加合理,要确定铣削方式、走刀方式等一系列设置,得出方形体数控加工程序。
关键词工艺分析加工方案进给路线编程
目录
摘要1
目录2
第一章:绪论4
1. 1数控技术简介4
1.1.1数控技术发展历史4
1.1.2数控技术的发展趋势4
1.1.3数控机床的特点及工作原理4
1.2、数控加工工艺简介6
1.3、CAD/CAM技术简介6
第二章方形体零件的建模8
2.1方形体零件基于UGNX8.0的三维实体建模8
第三章:方形体零件的数控加工工艺分析10
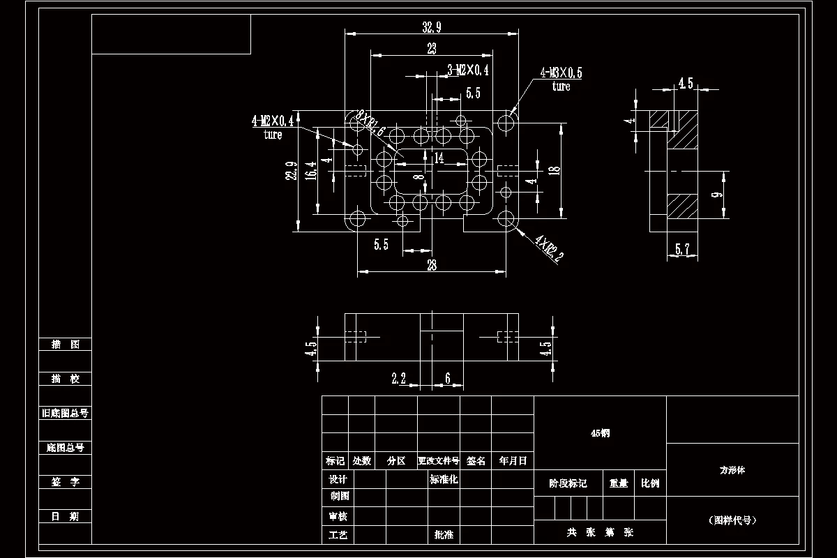
3.1零件图10
3.2确定加工内容及技术要求11
3.3零件毛坯的确定11
3.2加工方案的确定及机床的选择11
3.2.1确定加工方案11
3.2.2数控机床的选择12
3.2.3机床的具体型号确定12
3.2.4加工中心的功能特点13
3.3加工顺序的安排14
3.4加工方案的确定14
3.5刀具的选择15
3.6切削用量的选择16
3.6.1确定背吃刀量16
3.6.2确定主轴转速16
3.6.3确定进给速度17
3.7夹具选择18
3.7.1夹具的种类18
3.7.2常见的装夹方式19
3.7.3夹具的确定19
3.8切削液的选择20
第四章:数控加工工序卡片21
4.1工艺过程卡21
4.2工序卡21
第五章:UG自动编程22
5.1自动编程概述22
5.2零件加工程序的编制23
5.2.1零件上表面加工23
5.2.2零件凹槽粗加工24
5.2.3零件凹槽精加工26
5.2.4零件深槽圆角的清根加工27
5.2.5零件的12-φ2.87孔加工30
5.2.6零件的6-φ2.4孔加工31
5.2.7零件的6-φ1.6孔加工32
5.2.8零件凸台粗加工33
5.2.9零件凸台精加工34
结束语36
致谢词37
参考文献38
温馨提示:
1、题目前面的备注【字母数字编号】为本站整理分类的编号,与课题内容无关,请选题时忽视;
2、若题目上备注三维,则表示文件里包含三维源文件,由于三维组成零件数量较多,为保证预览截图的简洁性,本站将三维文件夹进行了打包。三维及CAD预览截图,均为本站电脑打开软件进行截图的,保证能够打开,下载原件超高清,下载后解压即可;
3、本站所有资源如无特殊说明,都需要本地电脑安装Office2007。图纸软件为AutoCAD,PROE,UG,SolidWorks,CATIA等;
4、本站所有图文资料仅供用户学习参考,不作为任何商用或其他用途;
5、本站不保证下载资源的准确性、安全性和完整性, 不包修改,不支持退换,同时也不承担用户因使用这些下载资源对自己和他人造成任何形式的伤害或损失;
6、 下载文件中如有侵权或不适当内容,请与我们联系,我们立即纠正。