

作品包括:
Word版说明书1份,共31页,约11000字
工序卡1份
工艺过程卡1份
CAD版本图纸,共1张
UG三维图1份
仿真视频一份

摘要
随着现代科学技术的不断增长,高科技产品的不断升级,机械制造业中对于所加工产品零件的各项技术要求也不断提升,产品的精度要求也越来越高,与此同时,强大的市场需求需要一种高效高速的生产力。为适应这种状况,数控加工技术应运而生,并以其高速、高效等优点迅速得以推广,并拥有广阔的发展空间及强劲的发展势头。
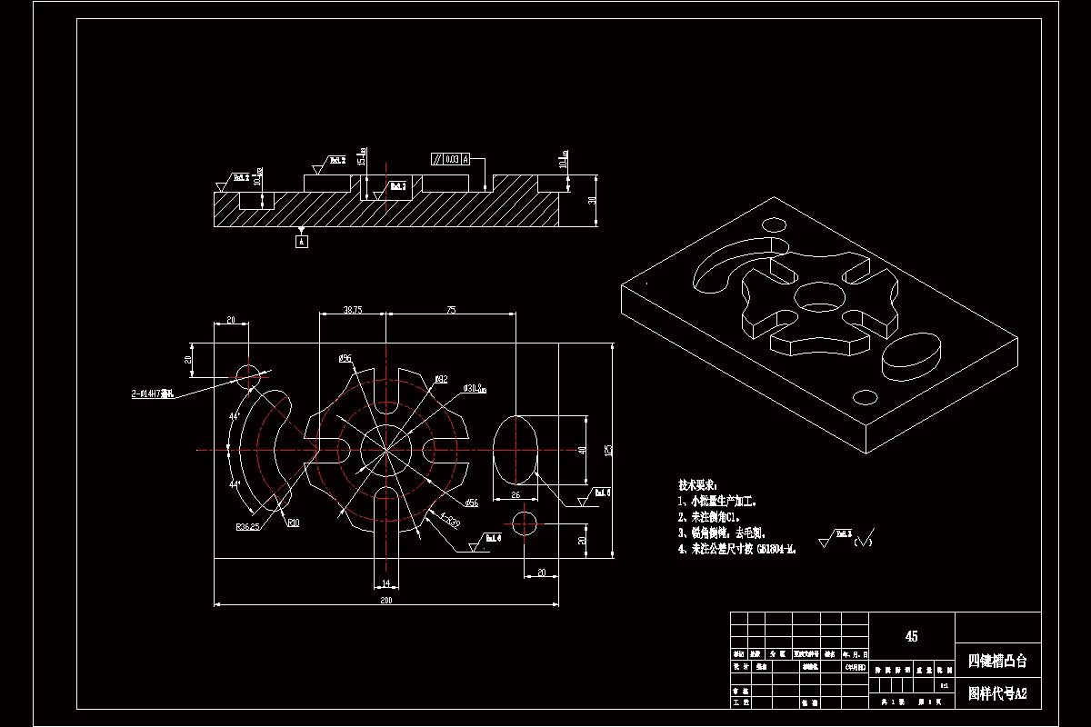
本文以四键槽凸台零件为例,详细说明了该零件的工艺编制与数控加工过程。在开始编程前,先针对零件设计图纸和技术要求进行详细的数控加工工艺分析,以最终确定哪些是零件的技术关键,哪些是数控加工的难点,以及程序的编制难易程度;然后使用UG NX软件完成零件三维模型造型、二维零件图绘制及数控自动编程;最后在数控机床上完成零件加工,检验后,零件合格。
关键词:数控加工,工艺分析,绘制图纸,自动编程
目录
摘要 I
Abstract I
目录 II
第一章 绪论 1
1.1数控技术 1
1.2CAD/CAM技术 1
1.3数控加工的特点 2
第二章 零件分析 3
2.1零件工作场景 3
2.2零件图样分析 3
2.2.1加工表面尺寸精度 3
2.2.2形状及位置精度 4
2.2.3加工表面的粗糙度要求 4
2.2.4材料分析 4
2.3毛坯选择 4
第三章 加工工艺方案设计 5
3.1工艺过程设计 5
3.1.1定位基准选择 5
3.1.2零件表面加工方法的选择 7
3.1.3加工顺序的安排 7
3.1.4机械加工工艺过程卡 9
3.2工序设计 10
3.2.1加工余量的确定 10
3.2.2机床的选择 11
3.2.3夹具的选择 12
3.2.4刀具的选择 13
3.2.5量具的选择 13
3.2.6切削用量的选择 14
第四章 数控编程与仿真 16
4.1 零件数控自动编程 16
4.1.1进入UG加工模块 16
4.1.2创建程序 17
4.1.3创建刀具 17
4.1.4创建几何体 18
4.1.5下表面廓铣削编程 19
4.2数控仿真加工及后处理程序 21
4.2.1零件的数控仿真加工 21
4.2.2零件的程序后处理 23
结 论 24
致谢 25
参考文献 26
温馨提示:
1、题目前面的备注【字母数字编号】为本站整理分类的编号,与课题内容无关,请选题时忽视;
2、若题目上备注三维,则表示文件里包含三维源文件,由于三维组成零件数量较多,为保证预览截图的简洁性,本站将三维文件夹进行了打包。三维及CAD预览截图,均为本站电脑打开软件进行截图的,保证能够打开,下载原件超高清,下载后解压即可;
3、本站所有资源如无特殊说明,都需要本地电脑安装Office2007。图纸软件为AutoCAD,PROE,UG,SolidWorks,CATIA等;
4、本站所有图文资料仅供用户学习参考,不作为任何商用或其他用途;
5、本站不保证下载资源的准确性、安全性和完整性, 不包修改,不支持退换,同时也不承担用户因使用这些下载资源对自己和他人造成任何形式的伤害或损失;
6、 下载文件中如有侵权或不适当内容,请与我们联系,我们立即纠正。