

作品包括:
Word版设计说明书1份,共33页,约7800字
工序卡一份
工艺卡片一份
CAD版本图纸,共2张

摘要
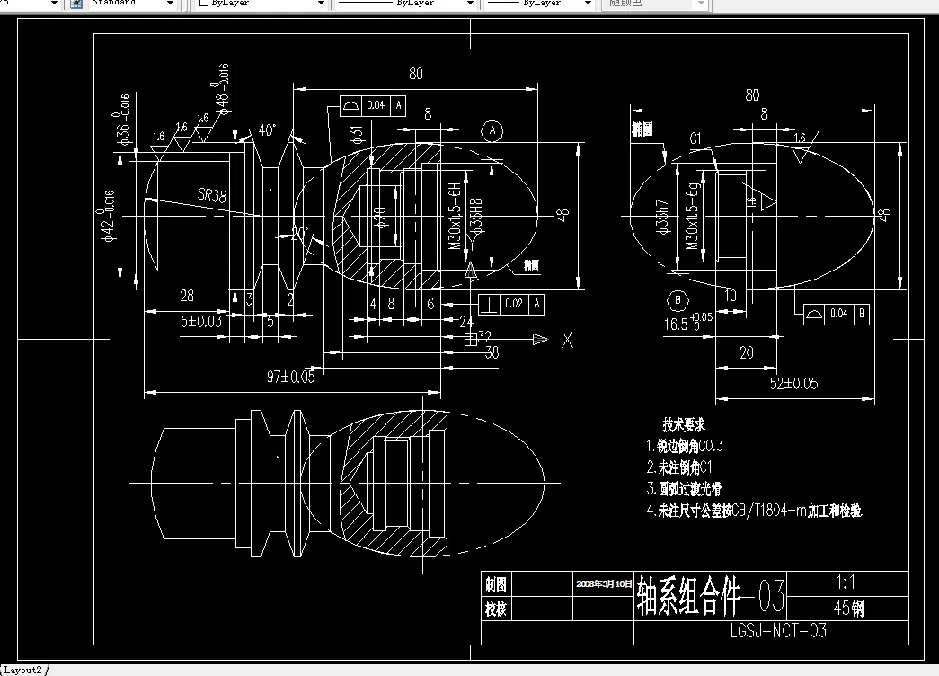
此次设计主要研究的是椭圆与螺纹配合件的加工工艺过程分析,仿真及手工编程。对两个椭圆配合件零件中的各个零件进行车削的工艺性分析,主要包括的工艺路线:毛坯的确定;阶段的划分;确定定位基准;选择家具;切削用量中的主轴转速;进给速度;背吃刀量;其次就是工艺规程设计,CAXA仿真两零件及其手动编程。最后进行后期处理。
本次设计主要是对椭圆与螺纹配合件的各个零件的数控加工工艺分析,以及对工艺路线的叙述,进行手动编程和运用CAXA仿真模拟加工。主要使用外轮廓刀;镗刀钻头以及螺纹刀进行外轮廓车削、内轮廓车削、钻孔、螺纹车削、内孔车削等。
温馨提示:
1、题目前面的备注【字母数字编号】为本站整理分类的编号,与课题内容无关,请选题时忽视;
2、若题目上备注三维,则表示文件里包含三维源文件,由于三维组成零件数量较多,为保证预览截图的简洁性,本站将三维文件夹进行了打包。三维及CAD预览截图,均为本站电脑打开软件进行截图的,保证能够打开,下载原件超高清,下载后解压即可;
3、本站所有资源如无特殊说明,都需要本地电脑安装Office2007。图纸软件为AutoCAD,PROE,UG,SolidWorks,CATIA等;
4、本站所有图文资料仅供用户学习参考,不作为任何商用或其他用途;
5、本站不保证下载资源的准确性、安全性和完整性, 不包修改,不支持退换,同时也不承担用户因使用这些下载资源对自己和他人造成任何形式的伤害或损失;
6、 下载文件中如有侵权或不适当内容,请与我们联系,我们立即纠正。