

作品包括:
Word版设计说明书1份,共30页,约6600字
工序卡5张
工艺过程卡1张
刀具卡一份
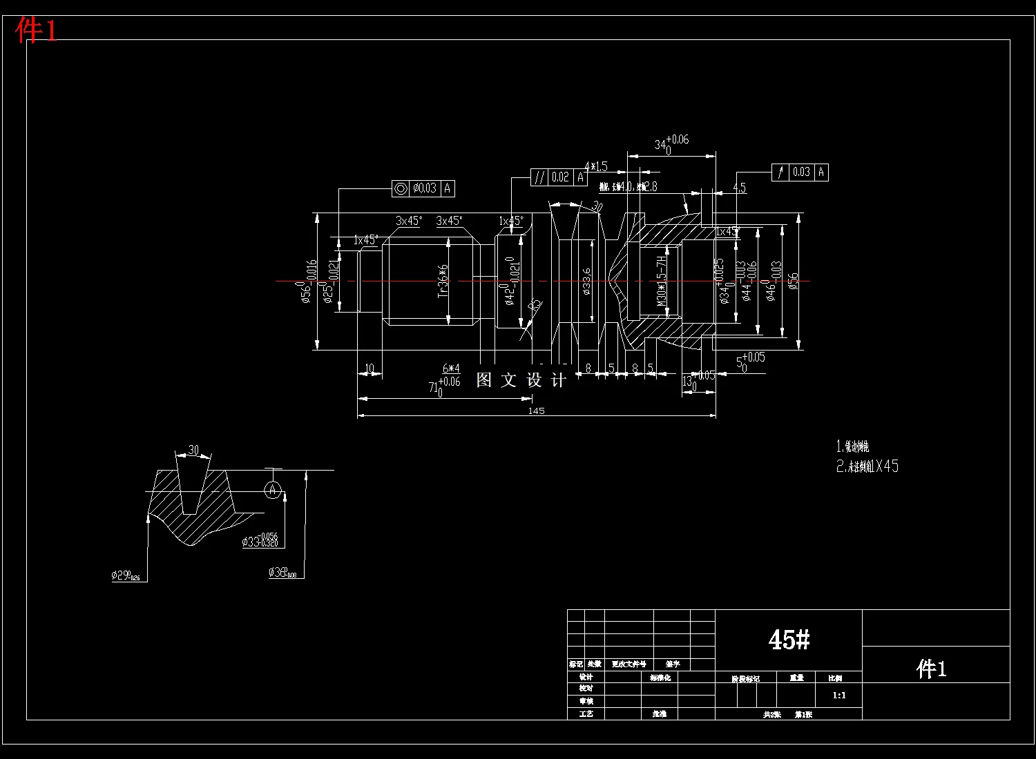
CAD版本图纸,共2张

摘要
此次设计课题多头螺纹配合件车削编程加工与仿真数控加工过程中,要考虑到零件加工工艺路线的安排、加工机床型号的选择、切削刀具的选择、零件加工的定位装夹及数控程序的编制等一系列因素的影响。进行了零件图分析、加工方法工艺方案的确定,工装方案的确定,刀具和切削用量的选择,数控加工程序的编制及仿真检验。
温馨提示:
1、题目前面的备注【字母数字编号】为本站整理分类的编号,与课题内容无关,请选题时忽视;
2、若题目上备注三维,则表示文件里包含三维源文件,由于三维组成零件数量较多,为保证预览截图的简洁性,本站将三维文件夹进行了打包。三维及CAD预览截图,均为本站电脑打开软件进行截图的,保证能够打开,下载原件超高清,下载后解压即可;
3、本站所有资源如无特殊说明,都需要本地电脑安装Office2007。图纸软件为AutoCAD,PROE,UG,SolidWorks,CATIA等;
4、本站所有图文资料仅供用户学习参考,不作为任何商用或其他用途;
5、本站不保证下载资源的准确性、安全性和完整性, 不包修改,不支持退换,同时也不承担用户因使用这些下载资源对自己和他人造成任何形式的伤害或损失;
6、 下载文件中如有侵权或不适当内容,请与我们联系,我们立即纠正。