K2047-泵体、中间箱体加工工艺及镗2-φ32.5孔夹具设计
K2046-泵体、中间箱体加工工艺及铣小面夹具设计
K2045-泵体、中间箱体加工工艺及铣底面夹具设计
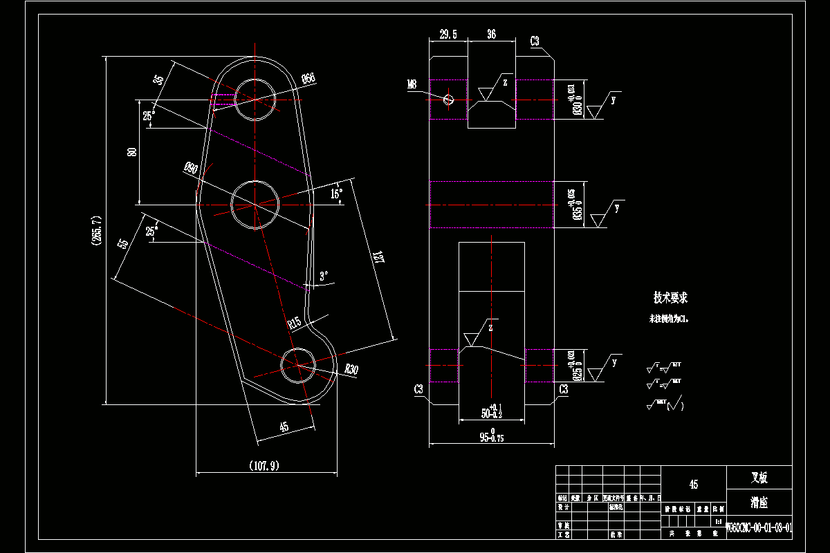
Z1996-滑座叉板加工工艺及钻攻M8螺纹孔夹具设计
Z1997-滑座叉板加工工艺及铣宽36槽夹具设计
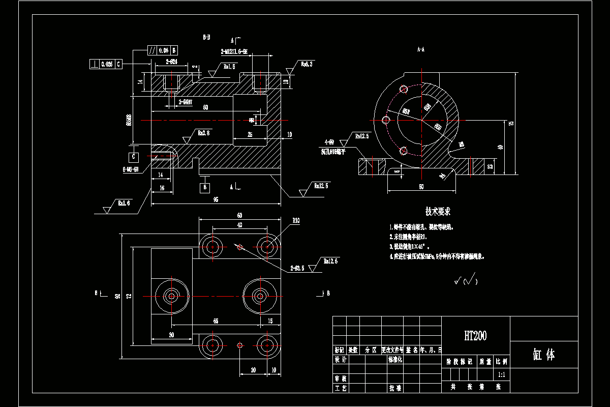
K2077-缸体加工工艺及钻攻6-M6螺纹孔夹具设计
K2039-油缸端耳加工工艺及钻4-M8螺纹孔夹具设计
K2038-油缸端耳加工工艺及钻2-φ13孔夹具设计
K2037-油缸端耳加工工艺及车φ125系列圆夹具设计
K2036-油缸端耳加工工艺及铣内侧面夹具设计
K2035-油缸端耳加工工艺及铣方面夹具设计
K2034-油缸端耳加工工艺及钻斜孔夹具设计
Z2001-连杆头拉杆加工工艺及钻右侧φ5孔攻M6螺纹孔夹具设计
Z2002-连杆头拉杆加工工艺及铣φ80端面夹具设计
K2032-机油泵体加工工艺及铣147槽夹具设计
K2031-机油泵体加工工艺及镗φ67孔夹具设计
Z2020-牵引油缸管座加工工艺及钻G1螺纹孔夹具设计
Z2019-牵引油缸管座加工工艺及铣180两端面夹具设计
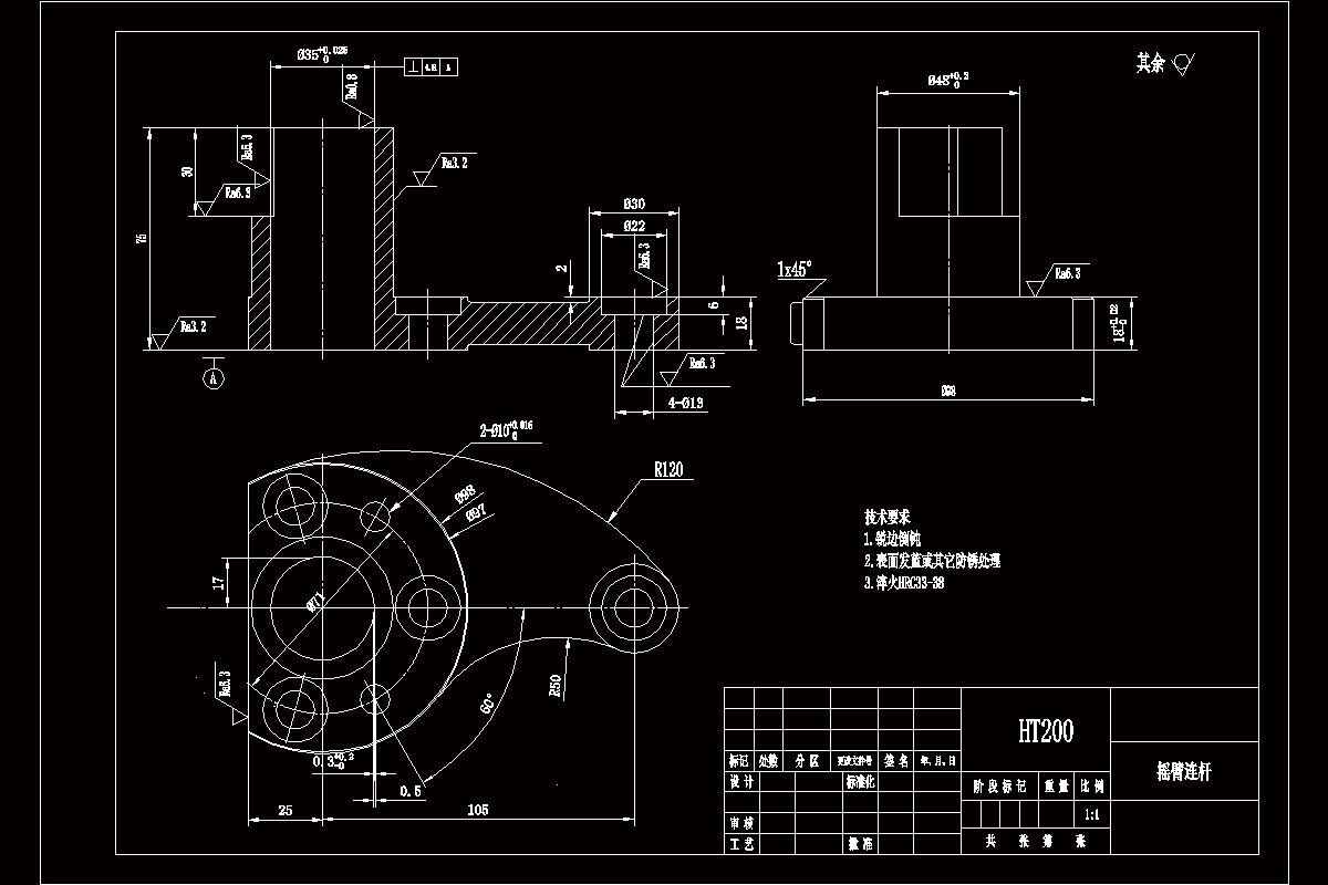
W919B-摇臂连杆加工工艺及钻φ35H7孔夹具设计
W919C-摇臂连杆加工工艺及铣φ98中心距25端面夹具设计