JJ3046-下辊操作侧轴承座加工工艺及钻3×Ф10孔攻3×M12螺纹夹具设计
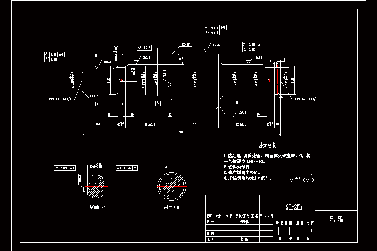
Z2011-轧辊加工工艺及铣10×15键槽夹具设计
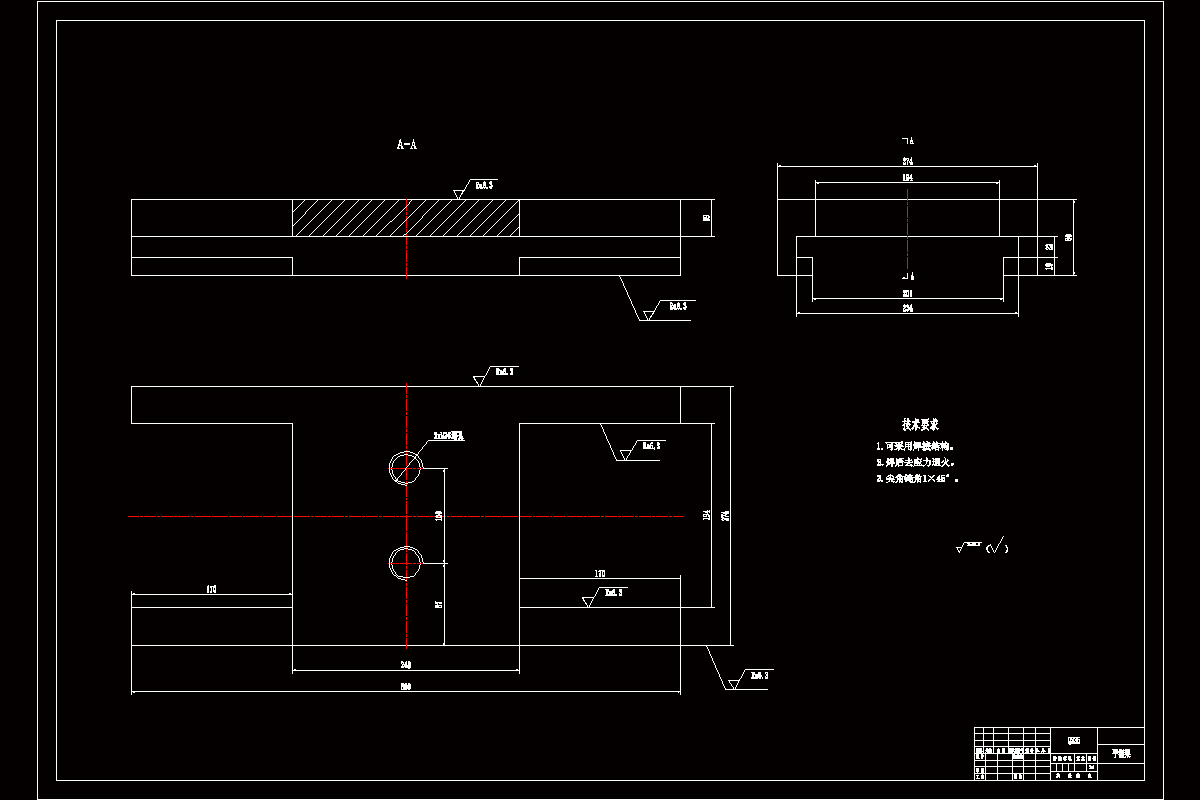
Z2015-平衡梁加工工艺及钻攻2×M36螺纹孔夹具设计
K2083-平面磨床主轴箱体加工工艺及盖板式钻模夹具设计
JJ3042-喷雾器壳体加工工艺及钻4-φ9孔夹具设计
K1763-液压泵体加工工艺及钻φ17F8孔夹具设计[含SW三维图]
Z2022-球面马氏槽盘加工工艺及钻端面8个孔夹具设计
Z2021-球面马氏槽盘加工工艺及车φ90端面夹具设计
JJ3038-支撑座加工工艺及钻6-φ6.7孔夹具设计
JJ3037-支撑座加工工艺及铣底面夹具设计
K2070-油泵架加工工艺及钻φ15孔夹具设计
K2069-油泵架加工工艺及铣φ28端面夹具设计
K2068-油泵架加工工艺及铣左端面夹具设计
K2067-油泵架加工工艺及钻φ32孔夹具设计
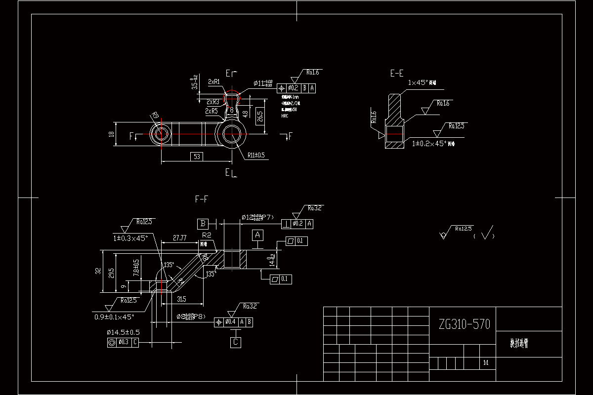
K2063-支架、换挡选臂加工工艺及铣φ22后端面夹具设计
K2062-支架、换挡选臂加工工艺及钻φ8孔夹具设计
K2059-换挡选臂加工工艺及钻φ12孔夹具设计
K2060-换挡选臂加工工艺及铣球顶面夹具设计
JJ3028-法兰盘加工工艺及钻3*φ12孔夹具设计[含UG三维图]
JJ3014-泥浆泵下阀体加工工艺及镗左圆孔φ201夹具设计[含SW三维图]