JJ2860-离合器接合叉机械加工工艺及铣7槽夹具设计
JJ2859-CA6140主轴工艺规程及磨φ80H5外圆夹具设计夹具设计
JJ2858-112-389固定板零件工艺规程及钻2-M4螺纹孔夹具设计夹具设计
JJ2857-离合摇臂工艺规程及铣尺寸33右端面夹具设计[含三维图]
JJ2856-离合摇臂工艺规程及钻φ16孔夹具设计[含三维图]
JJ2855-KST1002换挡拨叉工艺规程及铣10C11左端面夹具设计[含三维图]
K1727-KST1002换挡拨叉工艺规程及铣19上端面夹具设计[含三维图]
JJ2853-KST1002换挡拨叉工艺规程及钻Φ5H12孔夹具设计[含三维图]
K1485-KST1002换挡拨叉工艺规程及铣φ10上端面夹具设计[含三维图]
C199F-万向节滑动叉工艺规程及钻φ39孔夹具设计
JJ2850-万向节滑动叉工艺及钻φ39孔夹具设计
JJ2849-万向节滑动叉工艺及钻攻4-M8螺纹孔夹具设计
JJ2848-万向节滑动叉工艺及拉渐开线花键槽夹具设计
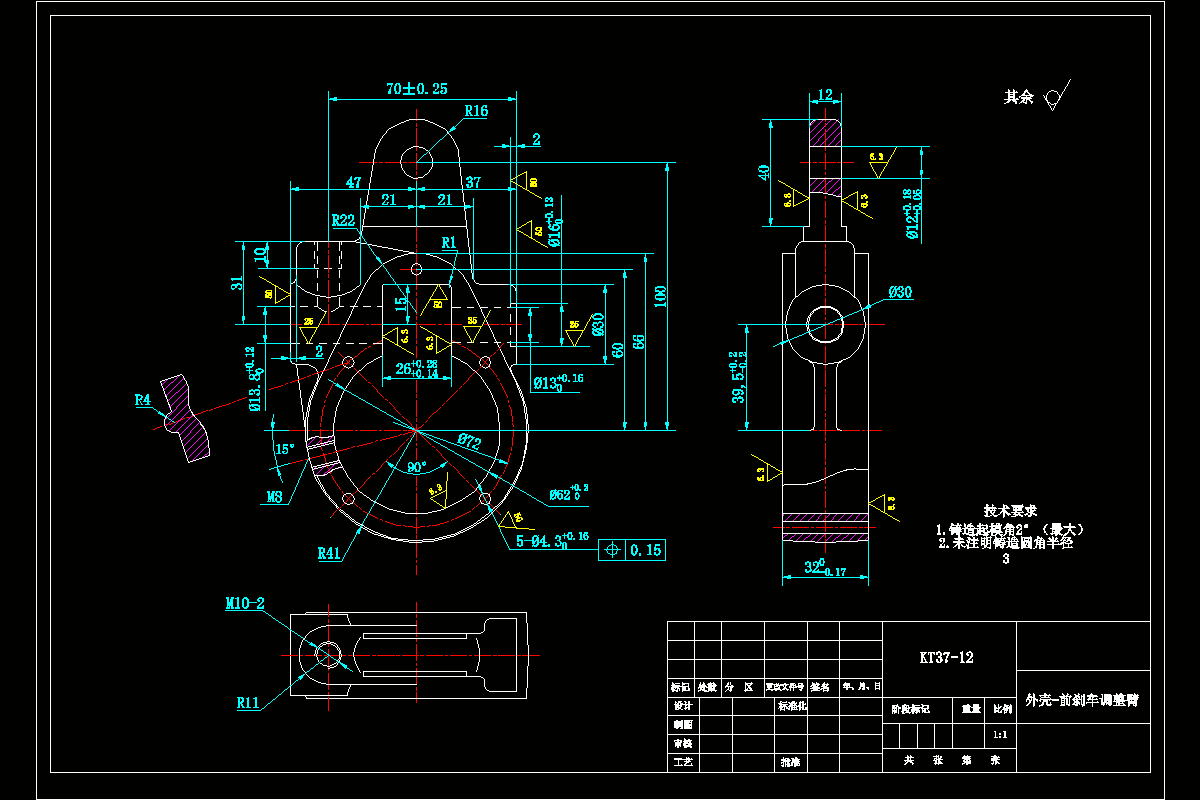
K1182-前刹车调整臂外壳工艺及钻φ13孔及φ16锪孔夹具设计
JJ2846-前刹车调整臂外壳工艺及钻5-φ4.3孔夹具设计
JJ2845-前刹车调整臂外壳工艺及钻M8螺纹孔夹具设计
JJ2844-前刹车调整臂外壳工艺及钻φ12孔夹具设计
K1850-前刹车调整臂外壳工艺及铣12左端面夹具设计
K1191-KST1015叉杆加工工艺及铣60后下端面夹具设计[含三维图]
JJ2841-KST1015叉杆加工工艺及铣60前上端面夹具设计[含三维图]