K1030-突缘叉加工工艺及两侧面夹具设计[含SW三维图]
K1029-突缘叉加工工艺及铣16孔背台夹具设计[含SW三维图]
K1027-法兰盘零件工艺规程及铣侧面夹具设计
KS560C-法兰盘机械加工工艺规程及车φ42孔夹具设计
KS560B-法兰盘机械加工工艺规程及钻M6螺纹孔夹具设计
KS802F-自行车右曲柄工艺及铣两侧面夹具设计[含SW三维图]
K1025-心轴零件机械加工工艺规程设计-长100
K1024-传动轴零件机械加工工艺规程设计-长137
K1023-花键轴机械加工工艺规程设计-长320
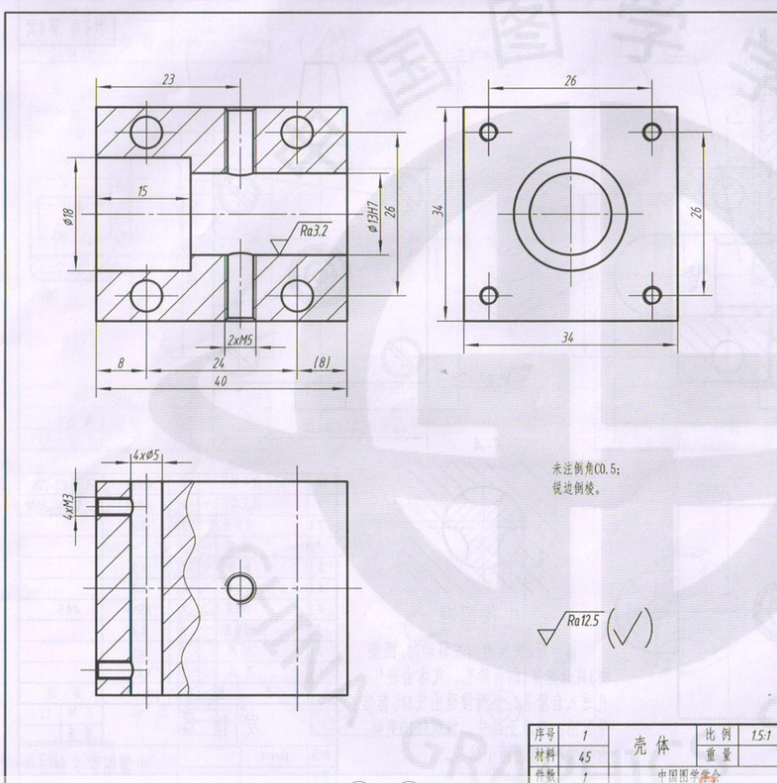
C648B-壳体零件加工工艺规程及钻扩φ18φ13孔夹具设计
K1022-轴承座零件机械加工工艺及钻M8孔夹具设计
K1021-圆柱齿轮机械加工工艺规程设计
K1020-拨叉机械加工工艺及铣侧面夹具设计拨动叉
K1019-拨叉机械加工工艺及钻M22孔夹具设计拨动叉
K1018-拨叉机械加工工艺和钻M22孔及铣侧面夹具设计拨动叉
N342-制动器杠杆机械加工工艺及钻φ12孔夹具设计【含SW三维图】
N341-转子零件机械加工工艺规程及铣槽夹具设计[含三维图]
N340-左臂壳体加工工艺及钻4-φ13孔夹具设计[含三维图]
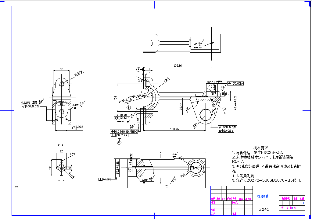
N330-气门摇杆体机械加工工艺规程及钻φ22孔夹具设计
N329-气门摇杆体机械加工工艺规程及铣结合面夹具设计