JJ1311-Z3050×16主轴加工工艺规程及铣键槽夹具设计
JJ1299-地下管线穿越钻机离合器内体加工工艺设计
JJ1298-步进器支承体加工工艺及镗φ126孔夹具设计
JJ1297-步进器液压支座加工工艺及钻M8螺纹孔夹具设计
JJ1278-双轴座零件的机械加工工艺规程设计
K2024-支架加工工艺及镗3-φ30H8孔夹具设计
K1446-轴承座加工工艺及钻φ10孔夹具设计
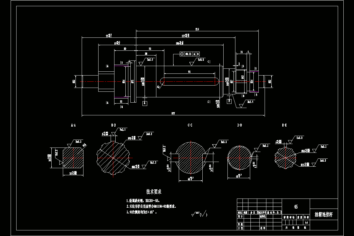
Z1978-油箱连接杆加工工艺及铣四方夹具设计
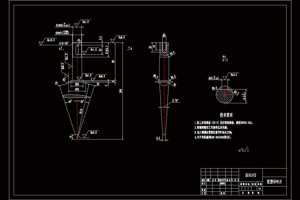
K1991-某型导叶片机械加工工艺及车外圆夹具设计
K1992-某型导叶片机械加工工艺及磨叶片夹具设计
K1990-某型导叶片机械加工工艺及铣键槽夹具设计
JJ1094-拨叉零件机械加工工艺及铣螺纹孔上表面夹具设计[含UG三维图]
JJ1079-总泵缸体机械加工工艺规程及钻M22孔夹具设计
Z1777-法兰轴套机械加工工艺及钻M8螺纹孔夹具设计
JJ1077-挡板机械加工工艺及钻3-φ25mm孔夹具设计
JJ1076-通盖加工工艺及钻2-φ5mm孔夹具设计[含工艺流程图]
JJ1075-杠杆机械加工工艺及钻φ12φ10mm孔夹具设计
JJ1074-杠杆机械加工工艺及钻φ14φ8mm孔夹具设计
JJ1073-杠杆臂加工工艺规程及钻扩铰φ10孔夹具设计
JJ1072-杠杆臂机械加工工艺及钻φ13mm孔夹具设计