V220-齿轮泵后盖零件的加工工艺及钻φ6mm孔夹具设计
V207-齿轮泵前盖加工工艺及铣8mm流油槽的铣床夹具设计
V206-齿轮泵后盖钻2-Φ24轴承孔的夹具设计
V205-齿轮泵前盖的加工工艺及钻6×ΦM8孔夹具设计
V202-制定图5-6轴承的加工工艺,设计铣φ12凸台的铣床夹具
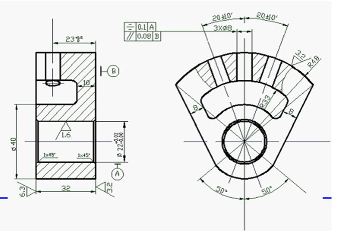
V199-摆块的加工工艺及钻3-Φ8孔的钻床夹具设计
V196-变速叉轴加工工艺及设计铣90度双槽的铣床夹具设计
V194-变速叉轴加工工艺及钻φ8孔的钻床夹具设计
V192-换挡轴的加工工艺及钻Φ8孔的钻床夹具设计
V191-换挡轴的加工工艺及铣R12.5键槽的铣床夹具设计
V190-分离叉轴的加工工艺及钻φ9锥孔的钻床夹具设计
V188-轴座的加工工艺及铣30端面的铣床夹具设计
V185-皮圈架座组合机床及专用夹具设计
V156-空压机曲轴工艺规程设计及系列夹具设计
V151-减速机机体零件加工工艺及粗铣机体下平面夹具设计
V149-单拐曲轴加工工艺及钻4-φ22孔及车曲轴颈夹具设计
V115-基于支承套零件工艺及工装设计
V114-一种基于电加热的导热油系统及其关键零部件的加工工艺设计
V112-前端齿轮罩盖工艺工装设计
V111-活动钳块加工工艺及铣端面夹具设计[含SW三维图]